电脑桌面
添加小米粒文库到电脑桌面
安装后可以在桌面快捷访问

MSP430教程14:MSP430单片机ADC12模块VIP免费

MSP430教程14:MSP430单片机ADC12模块_第1页
1/8
MSP430教程14:MSP430单片机ADC12模块_第2页
2/8
MSP430教程14:MSP430单片机ADC12模块_第3页
3/8
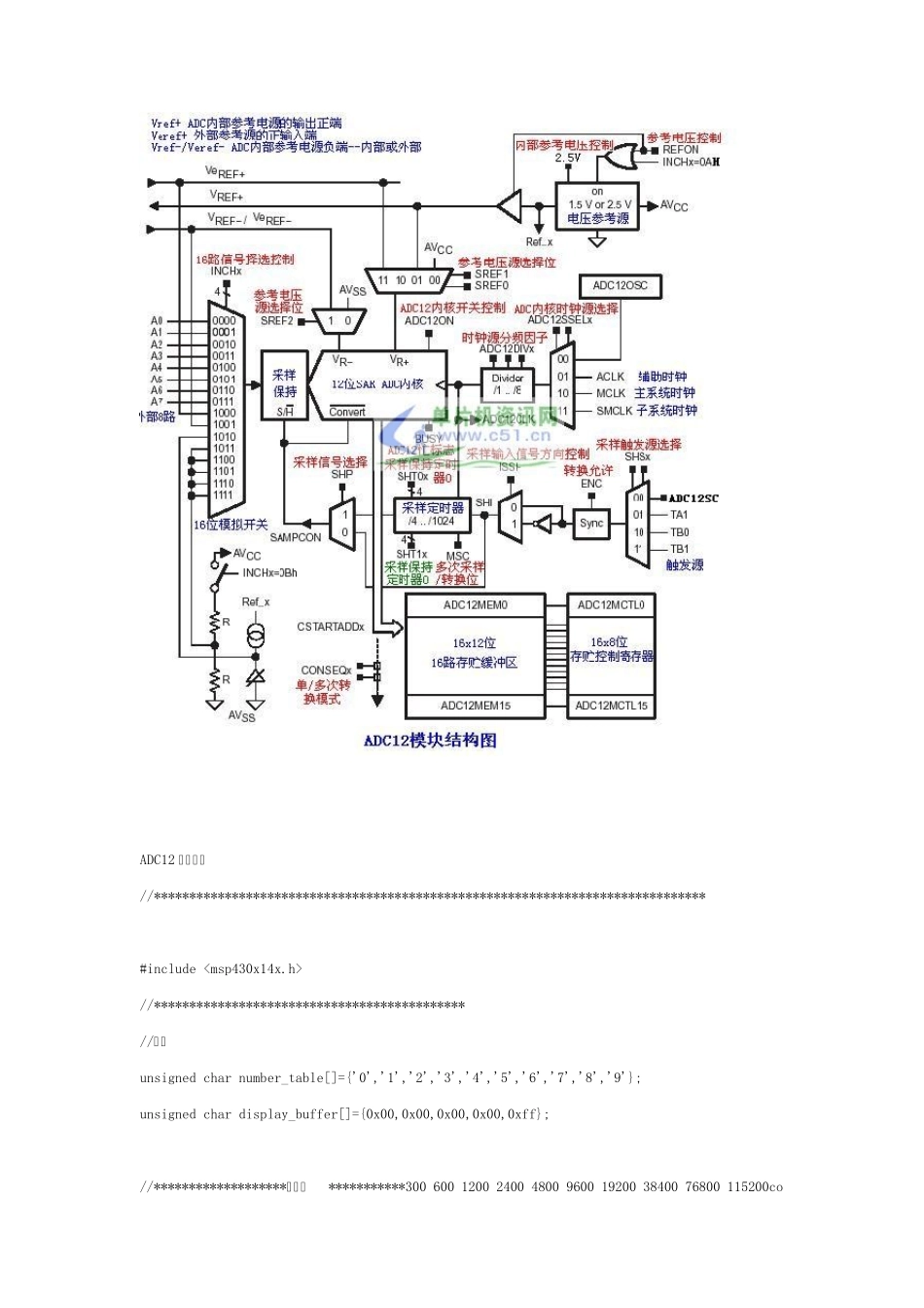
MSP430 模数转换模块--ADC12 MSP430 单片机的ADC12 模块是一个12 位精度的A/D 转换模块,他具有高速度,通用性等特点。大部分都内置了ADC 模块.而有些不带ADC 模块的片子,也可通过利用内置的模拟比较器来实现AD 的转换。在系列产品中,我们可以通过以下列表来简单地认识他们的ADC 功能实现。 系列型号 ADC 功能实现 转换精度 MSP430X1XX2 比较器实现 10 位 MSP430F13X ADC 模块 12 位 MSP430F14X ADC 模块 12 位 MSP430F43X ADC 模块 12 位 MSP430F44X ADC 模块 12 位 MSP430X32X ADC 模块 14 位 从以下ADC12 结构图中可以看出,ADC12 模块中是由以下部分组成:输入的16 路模拟开关,ADC 内部电压参考源,ADC12 内核,ADC 时钟源部分,采集与保持/触发源部分,ADC 数据输出部分,ADC 控制寄存器等组成。 输入的16 路模拟开关 16 路模拟开关分别是由IC 外部的8 路模拟信号输入和内部4 路参考电源输入及1 路内部温度传感器源及AVCC-AVSS/2 电压源输入。外部8 路从A0-A7 输入,主要是外部测量时的模拟变量信号。内部4 路分别是Veref+ ADC 内部参考电源的输出正端,Vref-/Veref- ADC 内部参考电源负端(内部/外部)。 1 路 AVCC-AVSS/2 电压源和1 路内部温度传感器源。片内温度传感器可以用于测量芯片上的温度,可以在设计时做一些有用的控制;在实际应用时用得较多。而其他电源参考源输入可以用作ADC12 的校验之用,在设计时可作自身校准。 ADC 内部电压参考源 ADC 电压参考源是用于给ADC12 内核作为一个基准信号之用的,这是ADC 必不可少的一部分。在ADC12 模块中基准电压源可以通过软件来设置6 种不同的组合。AVCC(Vr+), Vref+,Veref+,AVSS(Vr-),Vref-/Veref-。 ADC12 内核 ADC12 的模块内核是共用的,通过前端的模拟开关来分别来完成采集输入。ADC12 是一个精度为12 位的ADC 内核,1 位非线性微分误差,1 位非线性积分误差。内核在转换时会参用到两个参考基准电压,一个是参考相对的最大输入最大值,当模拟开关输出的模拟变量大于或等于最大值时ADC 内核的输出数字量为满量程,也就是0xfff;另一个则是最小值,当模拟开关输出的模拟变量大小或等于最大值时ADC 内核的输出数字量为最低量程,也就是0x00。而这两个参考电压是可以通过软件来编程设置的。 ADC 时钟源部分 ADC12 的时钟源分有ADC12OSC, ACLK, MCLK, SMCLK。通过编程可以选择其中...

1、当您付费下载文档后,您只拥有了使用权限,并不意味着购买了版权,文档只能用于自身使用,不得用于其他商业用途(如 [转卖]进行直接盈利或[编辑后售卖]进行间接盈利)。
2、本站所有内容均由合作方或网友上传,本站不对文档的完整性、权威性及其观点立场正确性做任何保证或承诺!文档内容仅供研究参考,付费前请自行鉴别。
3、如文档内容存在违规,或者侵犯商业秘密、侵犯著作权等,请点击“违规举报”。

碎片内容

MSP430教程14:MSP430单片机ADC12模块

小辰5+ 关注
实名认证
内容提供者

出售各种资料和文档

确认删除?
VIP
微信客服
  • 扫码咨询
会员Q群
  • 会员专属群点击这里加入QQ群
客服邮箱
回到顶部