电脑桌面
添加小米粒文库到电脑桌面
安装后可以在桌面快捷访问

QC002预封底盖三片罐检验作业指导书VIP免费

QC002预封底盖三片罐检验作业指导书_第1页
1/6
QC002预封底盖三片罐检验作业指导书_第2页
2/6
QC002预封底盖三片罐检验作业指导书_第3页
3/6
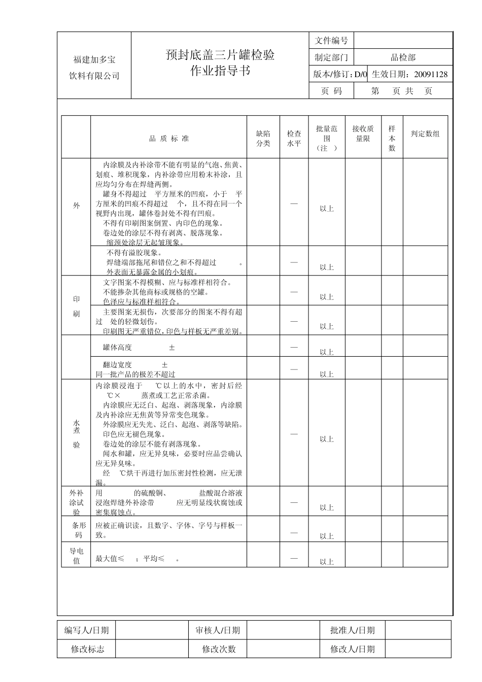
福建加多宝 饮料有限公司 预封底盖三片罐检验 作业指导书 文件编号 JDB/WI-QC002 制定部门 品检部 版本/修订:D /0 生效日期:20091128 页 码 第 1 页 共 7页 编写人/日期 审核人/日期 批准人/日期 修改标志 修改次数 修改人/日期 1 目的 规范预封底盖三片罐的检验操作,确保预封底盖三片罐质量得到有效控制。 2 适用范围 适用于王老吉凉茶产品使用的预封底盖三片罐空罐验收。 3 术语 3.1 锈罐:罐头容器表面脱锡产生锈蚀的现象。 3.2 棱角:罐身经成圆后在罐身筒上出现的明显影响外观的瓦楞状纵向折痕现象。 3.3 卷边不完全(滑口):封罐过程中,由于压头打滑或滚轮转动不良等原因造成局部卷边未完全压紧的现象。 3.4 跳封(跳过):由于焊缝处卷边较厚,滚轮经过焊缝而未能将卷边压紧的现象。 3.5 假封(假卷):折迭的盖钩紧压折迭的身钩,但未相互钩合的卷边。 3.6 大塌边:封罐时由于罐身翻边或罐盖边缘严重碰瘪,致使罐身罐盖没有相互钩合,在罐身下部有明显的罐身翻边露出现象。 3.7 锐边及快口:卷边顶部内侧形成的锋口叫锐边;锐边达到镀锡薄钢板断裂的程度叫快口。 3.8 牙齿:封罐不良,盖钩和身钩局部未迭接,在卷边下缘所形成的V形突出。 3.9 铁舌和垂唇:封罐不良,在卷边下缘明显露出的影响外观的舌状部分叫铁舌;在焊缝处超过卷边宽度 20%的铁舌叫垂唇。 3.10 卷边碎裂:封罐不良,卷边外层铁皮断裂的现象,一般发生在罐身接缝处。 3.11 双线:卷边下缘被封口滚轮轧出的二重线状明显损坏锡层的轧痕。 3.12 填料挤出(溢胶):罐外卷边下缘露出密封胶的现象。 3.13 压头印:封罐时,压头在底盖上形成一圈明显的压头印痕迹。 3.14 迭接长度:卷边内部盖钩与身钩重叠部分的长度。 3.15 迭接率(OL%):卷边内部身钩和盖钩重叠的程度,用百分率表示。 3.16 皱纹度:二重卷边解剖后,盖钩内侧周边上凹凸不平的皱曲程度。 3.17 紧密度(TR%):盖钩宽度减去皱纹的宽度占盖钩宽度的百分比。 3.18 接缝盖钩完整率(JR%):罐身接缝处,卷边盖钩形成的内垂唇造成盖钩有效宽度不足的现象,以卷边解体后有效盖钩占整个盖钩的比例来表示。 福建加多宝 饮料有限公司 预封底盖三片罐检验 作业指导书 文件编号 JDB/WI-QC002 制定部门 品检部 版本/修订:D /0 生效日期:20091128 页 码 第 2 页 共 7页 编写人/日期 审核人/日期 批准人/日期 修改标志...

1、当您付费下载文档后,您只拥有了使用权限,并不意味着购买了版权,文档只能用于自身使用,不得用于其他商业用途(如 [转卖]进行直接盈利或[编辑后售卖]进行间接盈利)。
2、本站所有内容均由合作方或网友上传,本站不对文档的完整性、权威性及其观点立场正确性做任何保证或承诺!文档内容仅供研究参考,付费前请自行鉴别。
3、如文档内容存在违规,或者侵犯商业秘密、侵犯著作权等,请点击“违规举报”。

碎片内容

QC002预封底盖三片罐检验作业指导书

您可能关注的文档

小辰+ 关注
实名认证
内容提供者

出售各种文档和资料

确认删除?
VIP
微信客服
  • 扫码咨询
会员Q群
  • 会员专属群点击这里加入QQ群
客服邮箱
回到顶部