电脑桌面
添加小米粒文库到电脑桌面
安装后可以在桌面快捷访问

statcom原理及控制方法VIP免费

statcom原理及控制方法_第1页
1/19
statcom原理及控制方法_第2页
2/19
statcom原理及控制方法_第3页
3/19
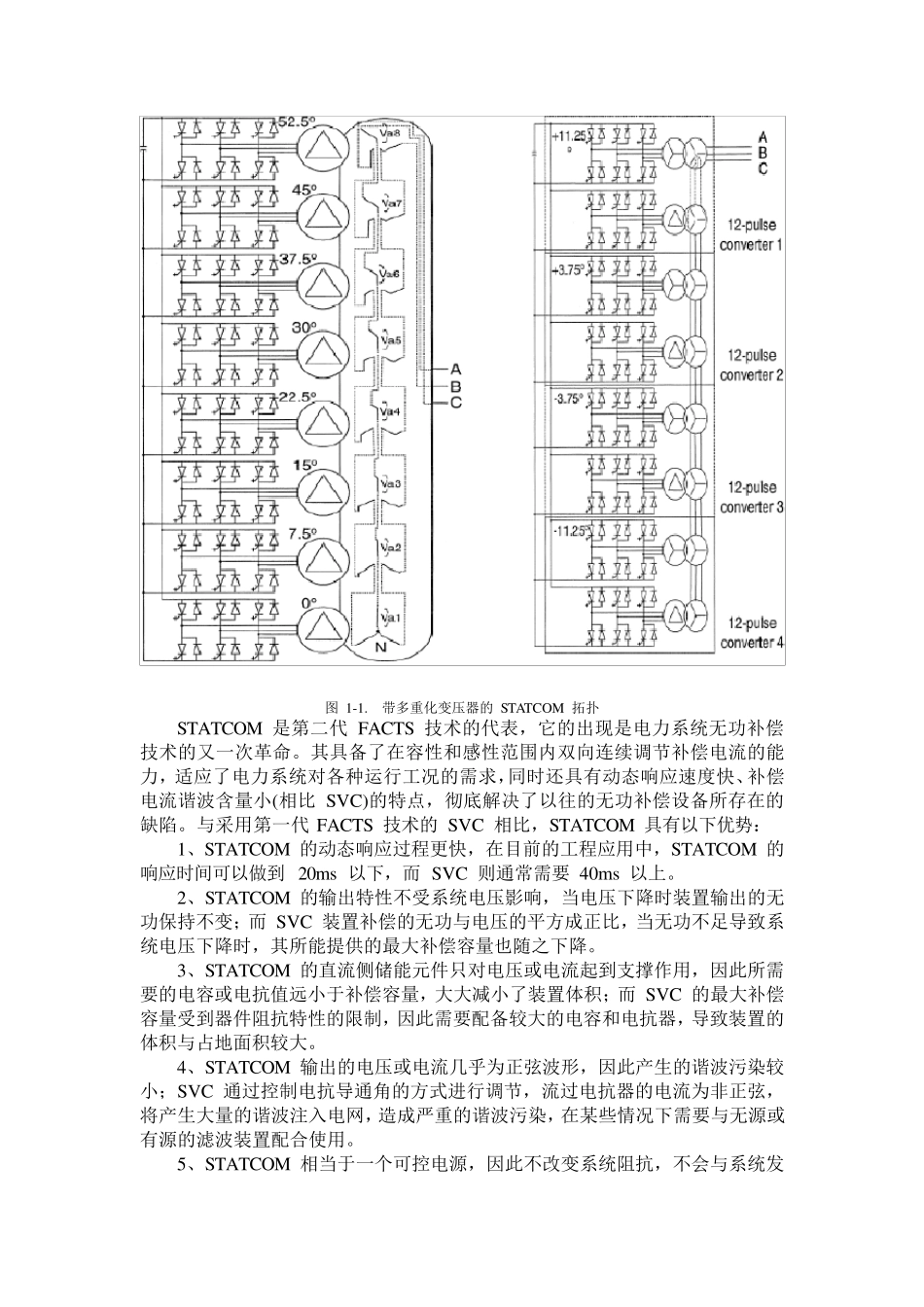
1 、前言 静止同步补偿器(Static Sy nchronou s Compensator, STATCOM),是目前最先进的无功补偿技术,近年来随着电力电子开关技术的进步而逐渐兴起。STATCOM的原理是利用全控型大功率电力电子器件构成可控的电压源或电流源, 使其输出电流超前或滞后系统电压 90 ,从而对系统所需的无功进行动态补偿。早期有文献称之为静止无功发生器(Static Var Generator, SVG) 。利用电力电子变流器进行无功补偿的可能性虽然早在 20 年前就已经为人们所认识,但限于当时电力电子器件的耐压和功率水平,无法制造出输电系统中具有实用价值的装置。直到近年来,尤其是高压大功率的门极可关断晶闸管 GTO 的出现,才极大的推动了 STATCOM 的开发和应用。STATCOM 是并联型 FACTS 设备,它同基于可控电抗器和投切电容器的传统静止无功补偿器 SVC 相比,性能上具有极大的优越 性,越来越得到广泛的重视,必将取代 SVC 成为新一代的无功电压控制设备。 目前,世界上已有多台投入运行的大容量 STATCOM 装置,如表 1-1 所示。由此可见,目前为止国际上只有美、日、德、中、英等少数几个国家掌握了 STATCOM 的应用开发技术。2006 年 2 月 28 日,由上海电力公司、清华大学、许继集团公司等单位共同研制的± 50Mv ar STATCOM 在上海黄渡分区西郊变电站并网试运行。 表 1-1 国内外已在输电系统投运的 STATCOM 装置(UPFC 并联部分为 STATCOM) 表 1-1 中除最后一项外,全部采用了变压器多重化的主电路方案,主电路拓扑为图 1-1。变压器多重化方式可成倍增加装置容量并降低输出谐波。然而,多重化变压器的引入带来了很多问题:首先,它的价格非常昂贵,约为成本的 1/3~1/4;其次,它使装置增加了 50%左右的损耗和 40%左右的占地面积;第三,变压器的铁磁非线性特性给控制器设计带来了很大的困难,同时也是引发装置故障的重要原因。 如果能研究一种新的电路拓扑克服由多重化变压器带来的诸多不便,那么将引起大容量 STATCOM 技术的一次大的飞跃。多电平变换器技术的引入正是这个关键技术的不二选择 图 1-1. 带多重化变压器的 STATCOM 拓扑 STATCOM 是第二代 FACTS 技术的代表,它的出现是电力系统无功补偿技术的又一次革命。其具备了在容性和感性范围内双向连续调节补偿电流的能力,适应了电力系统对各种运行工况的需求,同时还具有动态响应速度快、补偿电流谐波含量小(相比 SVC)的特点,彻底解决了...

1、当您付费下载文档后,您只拥有了使用权限,并不意味着购买了版权,文档只能用于自身使用,不得用于其他商业用途(如 [转卖]进行直接盈利或[编辑后售卖]进行间接盈利)。
2、本站所有内容均由合作方或网友上传,本站不对文档的完整性、权威性及其观点立场正确性做任何保证或承诺!文档内容仅供研究参考,付费前请自行鉴别。
3、如文档内容存在违规,或者侵犯商业秘密、侵犯著作权等,请点击“违规举报”。

碎片内容

statcom原理及控制方法

确认删除?
VIP
微信客服
  • 扫码咨询
会员Q群
  • 会员专属群点击这里加入QQ群
客服邮箱
回到顶部