电脑桌面
添加小米粒文库到电脑桌面
安装后可以在桌面快捷访问

SY42032007工艺管道检验批VIP专享VIP免费

SY42032007工艺管道检验批_第1页
1/17
SY42032007工艺管道检验批_第2页
2/17
SY42032007工艺管道检验批_第3页
3/17
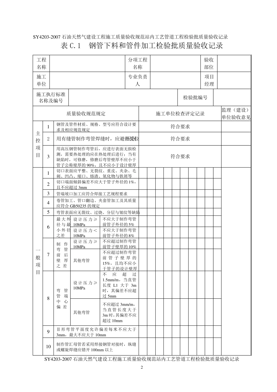
1 SY4203-2007 石油天然气建设工程施工质量验收规范站内工艺管道工程检验批质量验收记录表格 目 录 1、表C.1 钢管下料和管件加工检验批质量验收记录…………………………………………………2 2、表C.2 管道安装检验批质量验收记录………………………………………………………………4 3、表C.3 管道组对检验批质量验收记录………………………………………………………………6 4、表C.4 管道焊接检验批质量验收记录………………………………………………………………7 5、表C.5 管沟开挖检验批质量验收记录………………………………………………………………8 6、表C.6 管道下沟和管沟回填检验批质量验收记录…………………………………………………9 7、表C.7 管道吹扫、试压和干燥检验批质量验收记录………………………………………………10 8、表C.8 防腐检验批质量验收记录……………………………………………………………………11 9、表C.9 保温检验批质量验收记录……………………………………………………………………12 10、表B.1 站内工艺管道工程质量控制资料核查记录………………………………………………13 11、表A.1 检验工程质量使用的器具…………………………………………………………………14 2 SY4203-2007 石 油 天 然 气 建 设 工 程 施 工 质 量 验 收 规 范 站 内 工 艺 管 道 工 程 检 验 批 质 量 验 收 记 录 表 C.1 钢 管 下 料 和 管 件 加 工 检 验 批 质 量 验 收 记 录 工 程名 称 分 项 工 程名 称 验 收部 位 施 工单 位 专 业 负 责人 项 目经 理 施 工 执 行 标 准名 称 及 编 号 检 验 批 编 号 质 量 验 收 规 范 规 定 施 工 单 位 检 查 评 定 记 录 监 理 ( 建 设 )单 位 验 收 意 见 主控项目 1 钢 管 及 管 件 材 质 、 规 格 、 型 号 应 符 合 设 计 要求 及 相 应 规 范 规 定 符 合 要 求 2 用 有 缝 管 制 作 弯 管 焊 缝 时 , 应 避 开 受 拉(压 )区 符 合 要 求 3 用 高 压 钢 管 制 作 弯 管 后 , 应 进 行 表 面 无 损 检测 , 需 要 热 处 理 的 应 在 热 处 理 后 进 行 ; 当 有缺 陷 时 , 可 修 磨 , 修 磨 后 弯 ...

1、当您付费下载文档后,您只拥有了使用权限,并不意味着购买了版权,文档只能用于自身使用,不得用于其他商业用途(如 [转卖]进行直接盈利或[编辑后售卖]进行间接盈利)。
2、本站所有内容均由合作方或网友上传,本站不对文档的完整性、权威性及其观点立场正确性做任何保证或承诺!文档内容仅供研究参考,付费前请自行鉴别。
3、如文档内容存在违规,或者侵犯商业秘密、侵犯著作权等,请点击“违规举报”。

碎片内容

SY42032007工艺管道检验批

确认删除?
VIP
微信客服
  • 扫码咨询
会员Q群
  • 会员专属群点击这里加入QQ群
客服邮箱
回到顶部