电脑桌面
添加小米粒文库到电脑桌面
安装后可以在桌面快捷访问

SYNTEC车床操作手册VIP免费

SYNTEC车床操作手册_第1页
1/99
SYNTEC车床操作手册_第2页
2/99
SYNTEC车床操作手册_第3页
3/99
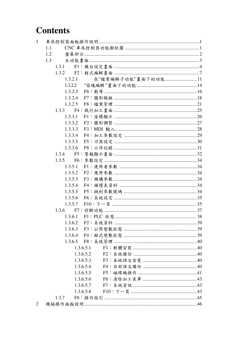
SYNTEC 車 床 控 制 器 操 作 手 冊 By : SYNTEC Date: 2012/08/07 Version: 8.9 -2- 版 本 更 新 記 錄 項 次 更 改 內 容 紀 錄 更 改 日 期 作 者 更 改 後 版 本 01 初 版 定 稿 2001/07/01 V8.0 02 2006/06/08 V8.1 03 修 正 畫 面 為 八 個 功 能 鍵 2007/06/05 賴 春 億 V8.2 04 新 增 SK3 按 鍵 圖 示 2008/03/11 戴 士 偉 V8.3 05 增 加 區 塊 編 輯 功 能 2009/07/30 戴 士 偉 V8.4 06 新 增 EZ 面 版 操 作 功 能 說 明 2011/03/31 王 保 仁 V8.5 07 新 增 Ftp Serv er 使 用 說 明 2011/04/11 王 保 仁 V8.6 08 修 改 錯 字 與 部 分 錯 誤 內 容 2012/01/02 許 維 中 V8.7 09 補 充 Ftp Serv er PC 端 使 用 說 明 2012/04/06 李 育 儒 V8.8 10 新 增 CE 放 射 狀 刀 盤 啟 用 路 徑 說 明 2012/08/07 洪 靖 哲 V8.9 Contents 1 車 床 控 制 器 面 板 操 作 說 明 .................................................................................... 1 1.1 CNC 車 床 控 制 器 功 能 樹 狀 圖 .............................................................. 1 1.2 螢 幕 部 分 ................................................................................................ 2 1.3 主 功 能 畫 面 ............................................................................................ 3 1.3.1 F1: 機 台 設 定 畫 面 ....................................................................... 4 1.3.2 F2: 程 式 編 輯 畫 面 ....................................................................... 7 1.3.2.1 在 “檔 案 編 輯 子 功 能 ”畫 面 下 的 功 能 .......................... 11 1.3.2.2 “區 塊 編 輯 ”畫 面 下 的 功 能 .................................................. 14 1.3.2.3 F6: 教 導 ............................................................................. 16 1.3.2.4 F7: 圖 形 模 擬 ...........................................................

1、当您付费下载文档后,您只拥有了使用权限,并不意味着购买了版权,文档只能用于自身使用,不得用于其他商业用途(如 [转卖]进行直接盈利或[编辑后售卖]进行间接盈利)。
2、本站所有内容均由合作方或网友上传,本站不对文档的完整性、权威性及其观点立场正确性做任何保证或承诺!文档内容仅供研究参考,付费前请自行鉴别。
3、如文档内容存在违规,或者侵犯商业秘密、侵犯著作权等,请点击“违规举报”。

碎片内容

SYNTEC车床操作手册

确认删除?
VIP
微信客服
  • 扫码咨询
会员Q群
  • 会员专属群点击这里加入QQ群
客服邮箱
回到顶部