电脑桌面
添加小米粒文库到电脑桌面
安装后可以在桌面快捷访问

UGNX4.0建模实例教程VIP免费

UGNX4.0建模实例教程_第1页
1/27
UGNX4.0建模实例教程_第2页
2/27
UGNX4.0建模实例教程_第3页
3/27
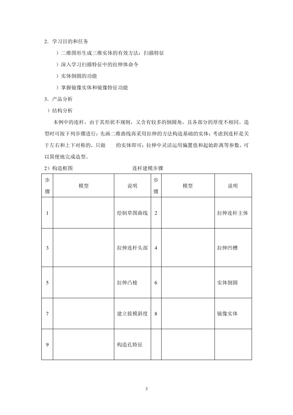
1 UG NX 4.0 建模实例 内部培训教材 2 专题一 实体建模 实例一 连杆造型设计 1.工作图 图 1 知识点:  拉伸特征  实体倒圆  镜像  阵列  抽壳  裁剪  拔模 3 2 .学习目的和任务 1)二维图形生成三维实体的有效方法:扫描特征 2)深入学习扫描特征中的拉伸体命令 3)实体倒圆的功能 4)掌握镜像实体和镜像特征功能 3 .产品分析 1)结构分析 本例中的连杆,由于其形状不规则,又含有较多的倒圆角,且各部分的厚度不相同。造型时可按下列步骤进行:先画二维曲线再采用拉伸的方法构造基础的实体;考虑到连杆是关于左右和上下对称的,只做 1/4的实体即可;拉伸中灵活运用偏置值和起始距离等参数,可以简便地完成造型。 2 )构造框图 连杆建模步骤 步骤 模型 说明 步骤 模型 说明 1 绘制草图曲线 2 拉伸连杆主体 3 拉伸连杆头部 4 拉伸凹槽 5 拉伸凸棱 6 实体倒圆 7 建立拔模斜度 8 镜像实体 9 构造孔特征 4 4 .操作步骤 1)绘制二维轮廓 采用草图图标,绘制下图所示二维轮廓图。 图2 2)拉伸连杆主体 图3 图4 单击拉伸命令,在选择意图对话框中选择“已连接曲线”,鼠标单击连杆主体曲线,在拉伸对话框中设置拉伸参数为:起始 0,结束 6.5,方式为创建。生成的拉伸实体如图3所示。 3)拉伸连杆头部 拉伸的方法和步骤与上面大致相同。在拉伸对话框中设置拉伸参数为:起始 0,结束 10,方式为求和。生成的拉伸实体如图4所示。 4)构造连杆的凹槽 拉伸的方法和步骤与上面大致相同。在拉伸对话框中设置拉伸参数为:起始 3,结束 6.5,方式为求差。生成的拉伸实体如图5所示。 5 图5 图6 5 )拉伸凸棱 单击拉伸命令,在选择意图对话框中选择“单个曲线”,鼠标单击草图曲线中R25的边,在拉伸对话框中设置拉伸参数如下图所示,注意偏置中结束值的正负。生成的拉伸实体如图6所示。 图7 采用同样的办法拉伸连杆头部的另外一个凸棱,在拉伸对话框中设置偏置参数为:起始0,结束 4。生成的拉伸实体如图8所示。 图8 图9 6 )实体倒圆 实体倒圆要按照从大到小的顺序。 6 选择图标,在对话框中将“默认半径”的值改为 40,并且在实体上选取要倒圆的边,单击“应用”按钮即可。 同样的办法,在对话框中将“默认半径”的值改为 25,在实体上选择相应的边。 将将“默认半径”的值改为 3.5,选择连杆头部凸棱的边(注意选择顺序),单击...

1、当您付费下载文档后,您只拥有了使用权限,并不意味着购买了版权,文档只能用于自身使用,不得用于其他商业用途(如 [转卖]进行直接盈利或[编辑后售卖]进行间接盈利)。
2、本站所有内容均由合作方或网友上传,本站不对文档的完整性、权威性及其观点立场正确性做任何保证或承诺!文档内容仅供研究参考,付费前请自行鉴别。
3、如文档内容存在违规,或者侵犯商业秘密、侵犯著作权等,请点击“违规举报”。

碎片内容

UGNX4.0建模实例教程

您可能关注的文档

确认删除?
VIP
微信客服
  • 扫码咨询
会员Q群
  • 会员专属群点击这里加入QQ群
客服邮箱
回到顶部