电脑桌面
添加小米粒文库到电脑桌面
安装后可以在桌面快捷访问

加油机应用IFSF协议翻译VIP免费

加油机应用IFSF协议翻译_第1页
1/48
加油机应用IFSF协议翻译_第2页
2/48
加油机应用IFSF协议翻译_第3页
3/48
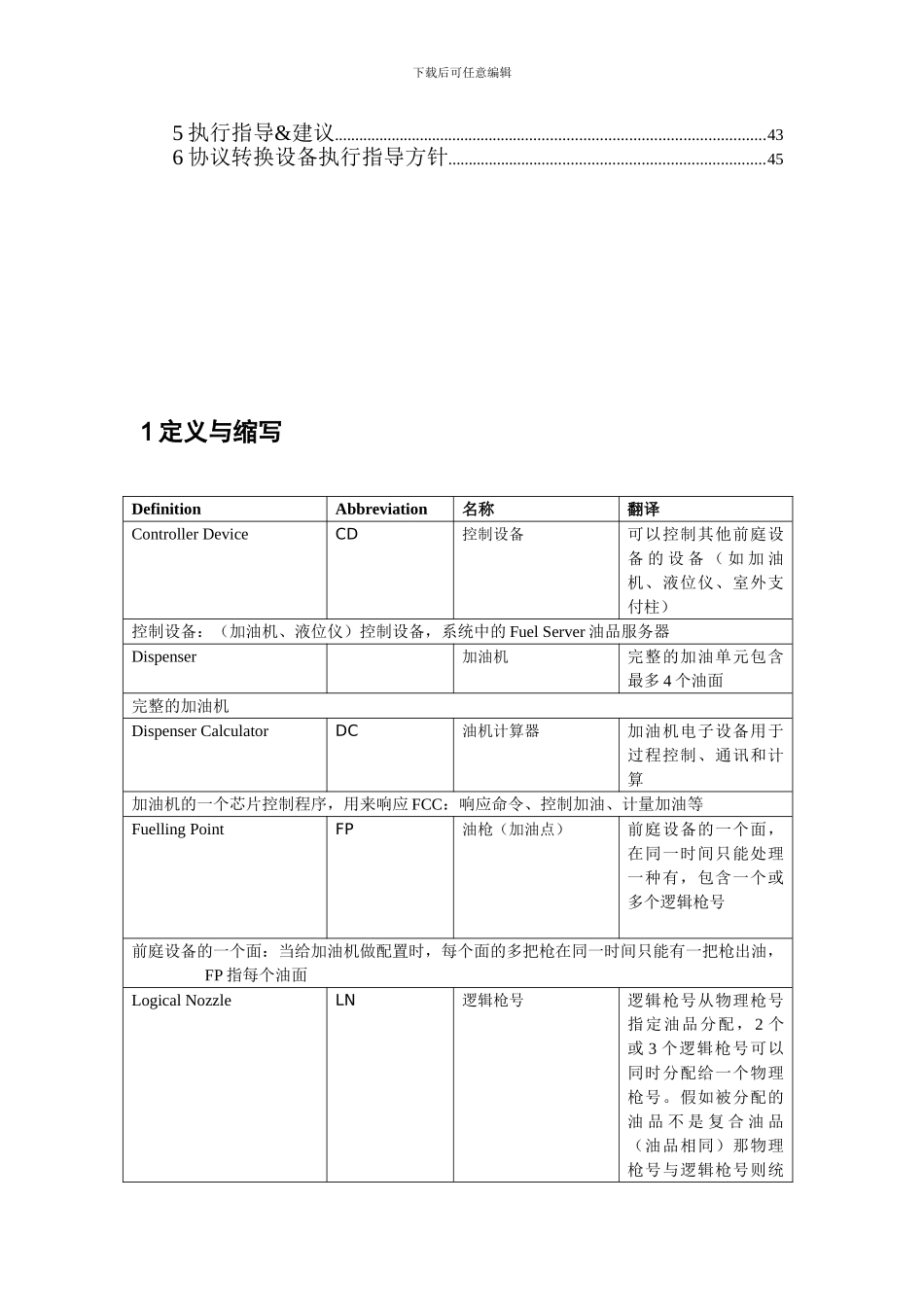
下载后可任意编辑国际前庭标准讨论前庭控制器协议标准加油机应用V2.31 2024-7目 录1 定义与缩写....................................................................................................................22 加油点工作模式.........................................................................................................42.1加油机状态图解...................................................................................................52 加油机九态及动作详细说明........................................................................................72.3 交易缓存状态图解...................................................................................................213.加油机数据库............................................................................................................224.独立加油机与复合油品油机图解..................................................................42下载后可任意编辑5 执行指导&建议.........................................................................................................436 协议转换设备执行指导方针.............................................................................451 定义与缩写 DefinitionAbbreviation名称翻译Controller DeviceCD控制设备可以控制其他前庭设备 的 设 备 ( 如 加 油机、液位仪、室外支付柱)控制设备:(加油机、液位仪)控制设备,系统中的 Fuel Server 油品服务器Dispenser加油机完整的加油单元包含最多 4 个油面完整的加油机Dispenser CalculatorDC油机计算器加油机电子设备用于过程控制、通讯和计算加油机的一个芯片控制程序,用来响应 FCC:响应命令、控制加油、计量加油等Fuelling PointFP油枪(加油点)前庭设备的一个面,在同一时间只能处理一种有,包含一个或多个逻辑枪号前庭设备的一个面:当给加油机做配置时,每个面的多把枪在同一时间只能有一把枪出油, FP 指每个油面Logical NozzleLN逻辑枪号逻辑枪号从物理枪号指定油品分配,2 个或 3 个逻辑枪号可以同时分配给一个物理枪号。假如被分配的油 品 不 是 复 合 油 品(油品相同)那物理枪号与逻辑枪号则统下载后可任意编辑一当一个面上多把枪时,假如...

1、当您付费下载文档后,您只拥有了使用权限,并不意味着购买了版权,文档只能用于自身使用,不得用于其他商业用途(如 [转卖]进行直接盈利或[编辑后售卖]进行间接盈利)。
2、本站所有内容均由合作方或网友上传,本站不对文档的完整性、权威性及其观点立场正确性做任何保证或承诺!文档内容仅供研究参考,付费前请自行鉴别。
3、如文档内容存在违规,或者侵犯商业秘密、侵犯著作权等,请点击“违规举报”。

碎片内容

加油机应用IFSF协议翻译

您可能关注的文档

人从众+ 关注
实名认证
内容提供者

欢迎光临小店,本店以公文和教育为主,希望符合您的需求。

确认删除?
VIP
微信客服
  • 扫码咨询
会员Q群
  • 会员专属群点击这里加入QQ群
客服邮箱
回到顶部