电脑桌面
添加小米粒文库到电脑桌面
安装后可以在桌面快捷访问

填料箱盖加工工序卡VIP免费

填料箱盖加工工序卡_第1页
1/17
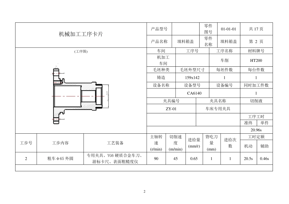
填料箱盖加工工序卡_第2页
2/17
填料箱盖加工工序卡_第3页
3/17
1 机械加工工序卡片 产品型号 零件 图号 01-01-01 共17 页 产品名称 填料箱盖 零件 名称 填料箱盖 第 1 页 (工序图) 车间 工序号 工序名称 材料牌号 机加工 车间 车削 HT200 毛坯种类 毛坯外型尺寸 每坯件数 每台件数 铸造 159x142 1 1 设备名称 设备型号 设备编号 同时加工件数 CA6140 1 夹具编号 夹具名称 切削液 ZY-01 车床专用夹具 工序工时 准终 单件 39.46s 工步号 工步内容 工艺装备 主轴转速 (r/min) 切削速度 (m/min) 进给量 (mm/r) 背吃刀量 (mm) 进给次数 工时定额 机动 辅助 1 粗车小端端面 专用夹具、YG6 硬质合金车刀、 表面粗糙度仪 90 45 0.5 1.25 1 22s 17.46s 2 机械加工工序卡片 产品型号 零件 图号 01-01-01 共17 页 产品名称 填料箱盖 零件 名称 填料箱盖 第 2 页 (工序图) 车间 工序号 工序名称 材料牌号 机加工 车间 车削 HT200 毛坯种类 毛坯外型尺寸 每坯件数 每台件数 铸造 159x142 1 1 设备名称 设备型号 设备编号 同时加工件数 CA6140 1 夹具编号 夹具名称 切削液 ZY-01 车床专用夹具 工序工时 准终 单件 20.96s 工步号 工步内容 工艺装备 主轴转速 (r/min) 切削速度 (m/min) 进给量 (mm/r) 背吃刀量 (mm) 进给次数 工时定额 机动 辅助 2 粗车φ65 外圆 专用夹具、YG6 硬质合金车刀、 游标卡尺、表面粗糙度仪 90 45 0.65 1 1 20.5s 0.46s 3 机械加工工序卡片 产品型号 零件 图号 01-01-01 共17 页 产品名称 填料箱盖 零件 名称 填料箱盖 第 3 页 (工序图) 车间 工序号 工序名称 材料牌号 机加工 车间 车削 HT200 毛坯种类 毛坯外型尺寸 每坯件数 每台件数 铸造 159x142 1 1 设备名称 设备型号 设备编号 同时加工件数 CA6140 1 夹具编号 夹具名称 切削液 ZY-01 车床专用夹具 工序工时 准终 单件 22.46s 工步号 工步内容 工艺装备 主轴转速 (r/min) 切削速度 (m/min) 进给量 (mm/r) 背吃刀量 (mm) 进给次数 工时定额 机动 辅助 3 粗车台阶面 专用夹具、YG6 硬质合金车刀、 游标卡尺、表面粗糙度仪 90 45 0.52 1 2 22s 0.46s 4 机械加工工序卡片 产品型号 零件 图号 01-01-01 共17 页 产品名称 填料箱盖 零件 名称 填料箱盖 第 4 页 (工序图) 车间 工序号 工...

1、当您付费下载文档后,您只拥有了使用权限,并不意味着购买了版权,文档只能用于自身使用,不得用于其他商业用途(如 [转卖]进行直接盈利或[编辑后售卖]进行间接盈利)。
2、本站所有内容均由合作方或网友上传,本站不对文档的完整性、权威性及其观点立场正确性做任何保证或承诺!文档内容仅供研究参考,付费前请自行鉴别。
3、如文档内容存在违规,或者侵犯商业秘密、侵犯著作权等,请点击“违规举报”。

碎片内容

填料箱盖加工工序卡

确认删除?
VIP
微信客服
  • 扫码咨询
会员Q群
  • 会员专属群点击这里加入QQ群
客服邮箱
回到顶部