电脑桌面
添加小米粒文库到电脑桌面
安装后可以在桌面快捷访问

安全技术规范强制性条文汇编20240130VIP免费

安全技术规范强制性条文汇编20240130_第1页
1/14
安全技术规范强制性条文汇编20240130_第2页
2/14
安全技术规范强制性条文汇编20240130_第3页
3/14
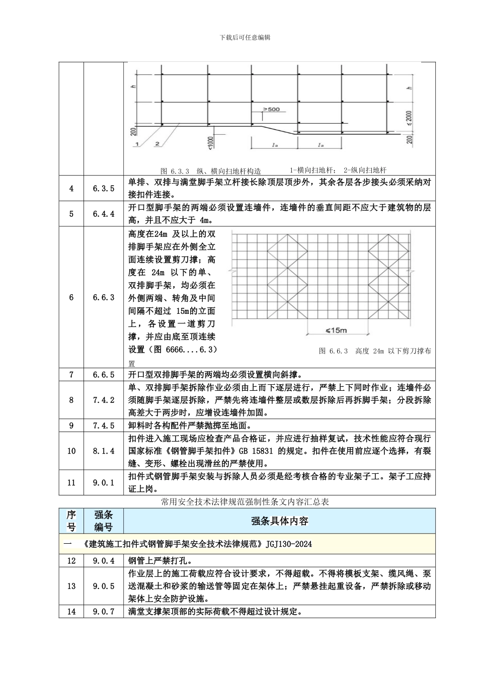
下载后可任意编辑常用安全技术法律规范强制性条文内容汇总1.《建筑施工扣件式钢管脚手架安全技术法律规范》JGJ130-20242.《建筑施工模板安全技术法律规范》JGJ162-20243.《建筑机械使用安全技术规程》JGJ33-20244. 《建筑施工安全检查标准》JGJ59-20245. 《建筑施工塔式起重机安装、使用、拆卸安全技术规程》JGJ196-20246. 《建筑施工升降机安装、使用拆卸安全技术规程》JGJ215-20247. 《建筑施工起重吊装工程安全技术规程》JGJ276-20248. 《起重设备安装工程施工及验收法律规范》GB50278-20249. 《建筑施工升降设备设施检验标准》JGJ305-202410. 《建筑工程施工现场消防安全技术法律规范》GB50720-202411. 《建筑施工工具式脚手架安全技术法律规范》JGJ202-202412. 《建筑深基坑工程施工安全技术法律规范》JGJ311-202413. 《建筑基坑支护技术规程》JGJ120-202414. 《建筑塔式起重机安全监控系统应用技术规程》JGJ332-202415. 《建设工程施工现场供用电安全法律规范》GB50194-202416. 《施工现场临时用电安全技术法律规范》JGJ46-202417. 《建筑施工现场环境与卫生标准》JGJ146-2024常用安全技术法律规范强制性条文内容汇总表序号强条编号强条具体内容一 《建筑施工扣件式钢管脚手架安全技术法律规范》JGJ130-202413.4.3可搞托撑受压承载力设计值不应小于 40KN 支托板厚不应小于 5mm。26.2.3主节点处必须设置一根横向水平杆,用直角扣件扣接且严禁拆除。36.3.3脚手架立杆基础不在同一高度上时必须将高处的纵向扫地杆向低处延长两跨与与立杆固定,高低差不应大于 1m。靠边坡上方的立杆轴线到边坡的距离不应小于 500mm(图 6.3.3)。下载后可任意编辑 图 6.3.3 纵、横向扫地杆构造 1-横向扫地杆; 2-纵向扫地杆46.3.5单排、双排与满堂脚手架立杆接长除顶层顶步外,其余各层各步接头必须采纳对接扣件连接。56.4.4开口型脚手架的两端必须设置连墙件,连墙件的垂直间距不应大于建筑物的层高,并且不应大于 4m。66.6.3高度在24m 及以上的双排脚手架应在外侧全立面连续设置剪刀撑;高度在 24m 以下的单、双排脚手架,均必须在外侧两端、转角及中间间隔不超过 15m的立面上 , 各 设 置 一 道 剪 刀撑,并应由底至顶连续设置(图 6666....6.3) 图 6.6.3 高度 24m 以下剪刀撑布置76.6.5开口型双排脚手架的两端均必须设置横向斜撑。87.4.2单、双排脚手架拆除作业必须由上而下逐层进行,严禁上下同时作业;连墙...

1、当您付费下载文档后,您只拥有了使用权限,并不意味着购买了版权,文档只能用于自身使用,不得用于其他商业用途(如 [转卖]进行直接盈利或[编辑后售卖]进行间接盈利)。
2、本站所有内容均由合作方或网友上传,本站不对文档的完整性、权威性及其观点立场正确性做任何保证或承诺!文档内容仅供研究参考,付费前请自行鉴别。
3、如文档内容存在违规,或者侵犯商业秘密、侵犯著作权等,请点击“违规举报”。

碎片内容

安全技术规范强制性条文汇编20240130

确认删除?
VIP
微信客服
  • 扫码咨询
会员Q群
  • 会员专属群点击这里加入QQ群
客服邮箱
回到顶部