电脑桌面
添加小米粒文库到电脑桌面
安装后可以在桌面快捷访问

政道路绿化工程施工组织设计VIP免费

政道路绿化工程施工组织设计_第1页
1/16
政道路绿化工程施工组织设计_第2页
2/16
政道路绿化工程施工组织设计_第3页
3/16
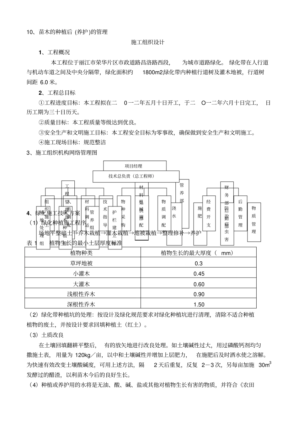
丽江市荣华片区市政道路昌洛路西段绿化工程施工组织设计个旧市建筑安装公司路桥分公司2012 年 4 月 10 日目录1、工程概况2、工程总目标3、施工组织机构网络管理图4、绿化施工技术方案5、工期进度计划和劳动力安排6、工程质量及采取的相应措施7、安全文明施工管理措施8、其它技术及经济措施9、协调管理措施10、苗木的种植后 (养护 )的管理施工组织设计1、工程概况本工程位于丽江市荣华片区市政道路昌洛路西段,为城市道路绿化。 绿化带在人行道与机动车道之间及中央分隔带,绿化面积约1800m2,绿化带内种植行道树及灌木地被,行道树间距 6.0 米。2、工程总目标①工程进度目标:本工程拟在二0 一二年五月十日开工,于二O一二年六月十日完工, 日历工期为三十日历天。②质量目标:本工程质量等级达到优良。③安全生产和文明施工目标:本工程安全目标为零事故,确保做到安全生产和文明施工。④施工现场目标:规范整洁3、施工组织机构网络管理图4、绿化施工技术方案(1)绿化种植施工程序场地平整碎土→乔木栽植→灌木栽植→地被栽植→整理修补→养护表 1 植物生长的最小土层厚度标准植物种类植物生长的最大厚度( mm)草坪地被0.3 小灌木0.45 大灌木0.60 浅根性乔木0.90 深根性乔木1.50 (2)绿化带种植坑的处理:按设计及绿化规范要求对绿化种植坑进行清理,清除不适合种植植物的废土,并按设计要求回填种植土(红土)。(3)土质改良在土壤回填翻耕平整后, 有的放矢地进行改良处理。如土壤碱性过大,用过磷酸钙剂均匀撒施土表, 用量为 120kg/亩,以中和土壤碱性并增加上层肥力,在施肥后及时洒水使之溶解。为快速有效改变土壤酸碱度,可用上述方法,隔2 天后重复,反复 2-3 次,另每亩加施 30m3发酵过的醋渣,以利苗木今后的良好生长。(4)种植或养护用的水将是无油、酸、碱、盐或其他对植物生长有害的物质,并符合《农田工程管理部材料采供部管养部财务部后勤部项目经理技术总负责(总工程师)组织施工人员调配机械调配场地处理组苗木种植组浇水施肥防治病虫害物质管理经费开支后勤管理物质调配物种采购材料调运技术指导管养组护栏建立组灌溉水质标准》( GB5084-1992)的要求。(5)肥料将优先选用经过沤制的农家肥和腐植土,混合肥料由10%的有机肥、 20%的化肥、70%的表土均匀拌和而成。上述肥料施用之前将请监理工程师实地查验,合格的才施用。(6)苗木与栽植的原则方案。⑴我们将在种植前5 天,向监理工...

1、当您付费下载文档后,您只拥有了使用权限,并不意味着购买了版权,文档只能用于自身使用,不得用于其他商业用途(如 [转卖]进行直接盈利或[编辑后售卖]进行间接盈利)。
2、本站所有内容均由合作方或网友上传,本站不对文档的完整性、权威性及其观点立场正确性做任何保证或承诺!文档内容仅供研究参考,付费前请自行鉴别。
3、如文档内容存在违规,或者侵犯商业秘密、侵犯著作权等,请点击“违规举报”。

碎片内容

政道路绿化工程施工组织设计

确认删除?
VIP
微信客服
  • 扫码咨询
会员Q群
  • 会员专属群点击这里加入QQ群
客服邮箱
回到顶部