电脑桌面
添加小米粒文库到电脑桌面
安装后可以在桌面快捷访问

常减压装置控制系统VIP免费

常减压装置控制系统_第1页
1/7
常减压装置控制系统_第2页
2/7
常减压装置控制系统_第3页
3/7
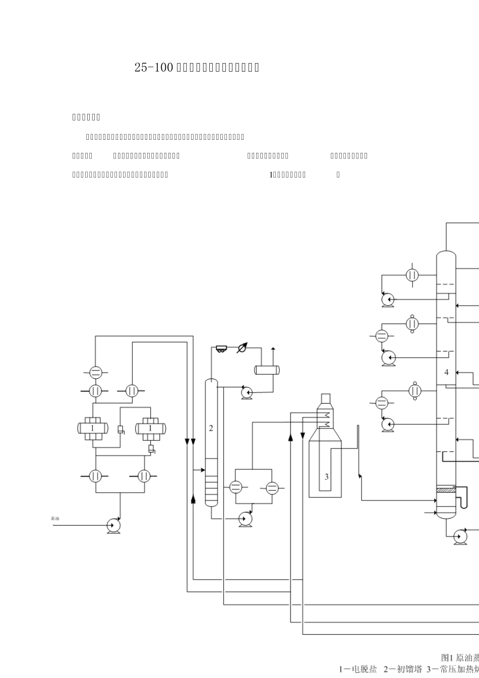
25-100 万吨常减压装置控制系统简介 一、工艺综述 炼油常减压装置是原油加工的第一道工序。原油经过蒸馏分离成多种油品和下游加工装置的原料。常减压装置控制系统及操作的水平,对炼油厂的产品质量、收率以及对原油的有效利用都有很大影响。常减压装置的工艺流程,见图1 (以燃料型为例)。 按过程可分: 1 、 电脱盐: 原油中所含盐类,在加工过程中会沉积在工艺管道、加热炉炉管和换热器的管壁上而形成盐垢,致使传热困难,燃料消耗增加。盐类的存在还会造成腐蚀,可导致腐蚀穿孔,漏油而造成火灾,也还会污染二次加工中的催化剂,使催化剂寿命缩短。流程见图2 电脱盐就是在原油中注入一定量含氯低的新鲜水或常压塔塔顶冷凝水,经充分混合溶解残留在原油中的盐类。同时稀释原有油水,形成新的乳化液,然后在破乳剂的作用下沉淀分离出,达到脱盐的目的。 2 、 原油蒸馏 A、 我国原油蒸馏装置一般在常压分馏塔前设置初馏塔或闪蒸塔。在于将原油换热升温过程中已经气化的轻质油及时蒸出,使其不再进入常压加热炉。以降低加热炉的换热负荷和原油换热系统的操作压力降。从而节省装置能耗和操作费用。初馏塔顶产品轻汽油馏分作催化重整原料。 B、 常压塔设置3~4 个侧线,生产汽油、溶剂油、煤油、航空煤油、轻柴油、重柴油等产品或调和组分。 C、 减压塔侧线出催化裂化或加氢裂化原料,产品较简单,分馏精度要求不高。 D、 减压塔一般按“湿式”或“干式”操作(即减压塔段和减压炉管不注或少注蒸汽)操作 3、 分馏塔 分馏塔是原油蒸馏过程中的核心设备。工艺条件主要有分馏塔的温度、压力即回流比等。塔的闪蒸压力由塔顶压力和闪蒸段以上塔板总压降决定。常压塔压力由塔顶冷凝系统的压确定。减压塔顶压力主要由抽空器的能力决定。不论常压塔还是减压塔,其闪蒸压力的降低,均意味着在相同气化率下炉出口温度可降低,从而降低燃料消耗。闪蒸段以上部分压力降低,各侧线馏分之间的相对挥发度增大,有利于侧线馏分的分离。一般优化控制都是围绕常压塔作文章的。 4、 加热炉 一级 脱 盐 罐H 1二 级 脱 盐 罐H 1△ P 1含 盐 污 水△ P 1换热器破 乳 剂新 鲜 水原油图 2 原油脱 盐 水 的典 型 工 艺 流 程对原油蒸馏的加热炉,要求在规定的气化率下,炉管内的最高油料温度应低于油料开始裂解的温度。(特别是减压加热炉)一般从设备角度采取气化段炉管扩张的措施,使炉管内最高油温不超过400℃。...

1、当您付费下载文档后,您只拥有了使用权限,并不意味着购买了版权,文档只能用于自身使用,不得用于其他商业用途(如 [转卖]进行直接盈利或[编辑后售卖]进行间接盈利)。
2、本站所有内容均由合作方或网友上传,本站不对文档的完整性、权威性及其观点立场正确性做任何保证或承诺!文档内容仅供研究参考,付费前请自行鉴别。
3、如文档内容存在违规,或者侵犯商业秘密、侵犯著作权等,请点击“违规举报”。

碎片内容

常减压装置控制系统

小辰+ 关注
实名认证
内容提供者

出售各种文档和资料

确认删除?
VIP
微信客服
  • 扫码咨询
会员Q群
  • 会员专属群点击这里加入QQ群
客服邮箱
回到顶部