电脑桌面
添加小米粒文库到电脑桌面
安装后可以在桌面快捷访问

常用阀门使用规范VIP免费

常用阀门使用规范_第1页
1/21
常用阀门使用规范_第2页
2/21
常用阀门使用规范_第3页
3/21
常 用 阀 门 使 用 规 范 - 1 - 前 言 阀 门 是 用 来 开 启 、 关 闭 和 控 制 设 备 和 管 道 中 介 质 流 动 的 机 械 装 置 , 在 生 产 过 程 中 , 或 开 停车 时 , 操 作 人 员 必 须 按 工 艺 条 件 , 对 管 路 中 的 流 体 进 行 适 当 调 节 , 以 控 制 其 压 力 和 流 量 , 并 使流 体 进 入 管 路 或 切 断 流 体 流 动 或 改 变 流 动 方 向 , 在 遇 到 超 压 状 态 时 , 还 可 以 用 它 排 泄 压 力 , 确保 生 产 安 全 。 其 基 本 功 能 是 接 通 或 切 断 管 路 介 质 的 流 通 , 改 变 介 质 的 流 通 , 改 变 介 质 的 流 动 方向 , 调 节 介 质 的 压 力 和 流 量 , 保 护 管 路 的 设 备 的 正 常 运 行 。 工 业 用 的 阀 门 的 大 量 应 用 是 在 瓦 特发 明 蒸 汽 机 之 后 , 近 二 三 十 年 来 , 由 于 石 油 、 化 工 、 电 站 、 冶 金 、 船 舶 、 核 能 、 宇航等方 面的需要,对 阀 门 提出更高的 要求,促使 人 们研究和 生 产 高参数的 阀 门 , 其 工 作 温度从超 低温-269℃到 高温1200℃, 甚至高达3430℃, 工 作 压 力 从超 真空1.33x10-8Mpa(1x10-1 ㎜ Hg)到 超 高压1460MPa, 阀 门 通 径从1mm 到 600mm, 甚至达到 9750mm, 阀 门 的 材料从铸铁, 碳素钢发 展到 钛及钛合金 , 高强度耐腐蚀钢等, 阀 门 的 驱动 方 式从手动 发 展到 电 动 、 气动 、 液动 、 程 控 、 数控 、遥控 等。 随着现代工 业 的 不断 发 展, 阀 门 需求量 不断 增长, 一个现代化 的 石 油 化 工 装 置 就需要上万只各式各样的 阀 门 , 阀 门 使 用 量 大 。 开 闭 频繁, 但往往由 于 制 造、 使 用 选型、 维修不当 , 发 生跑、 冒、 滴、 漏现象, 由 此引起火焰、 爆炸、 中 毒、 烫伤事故, 或 者造成产 品质 量 低劣, 能 耗提高, 设 备 腐蚀, 物耗提高, 环境污染, 甚至造成停 产 等事故, 已屡见不鲜, 因此人 们希望获得高质 量 的 阀 门 , 同时 也要求提高阀 门 的 ...

1、当您付费下载文档后,您只拥有了使用权限,并不意味着购买了版权,文档只能用于自身使用,不得用于其他商业用途(如 [转卖]进行直接盈利或[编辑后售卖]进行间接盈利)。
2、本站所有内容均由合作方或网友上传,本站不对文档的完整性、权威性及其观点立场正确性做任何保证或承诺!文档内容仅供研究参考,付费前请自行鉴别。
3、如文档内容存在违规,或者侵犯商业秘密、侵犯著作权等,请点击“违规举报”。

碎片内容

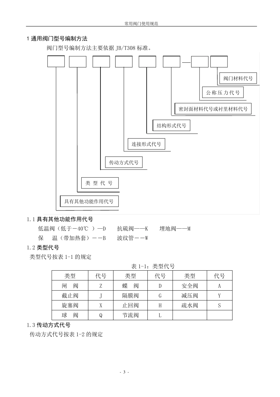
常用阀门使用规范

确认删除?
VIP
微信客服
  • 扫码咨询
会员Q群
  • 会员专属群点击这里加入QQ群
客服邮箱
回到顶部