电脑桌面
添加小米粒文库到电脑桌面
安装后可以在桌面快捷访问

常用防爆开关电气原理图及故障处理VIP免费

常用防爆开关电气原理图及故障处理_第1页
1/19
常用防爆开关电气原理图及故障处理_第2页
2/19
常用防爆开关电气原理图及故障处理_第3页
3/19
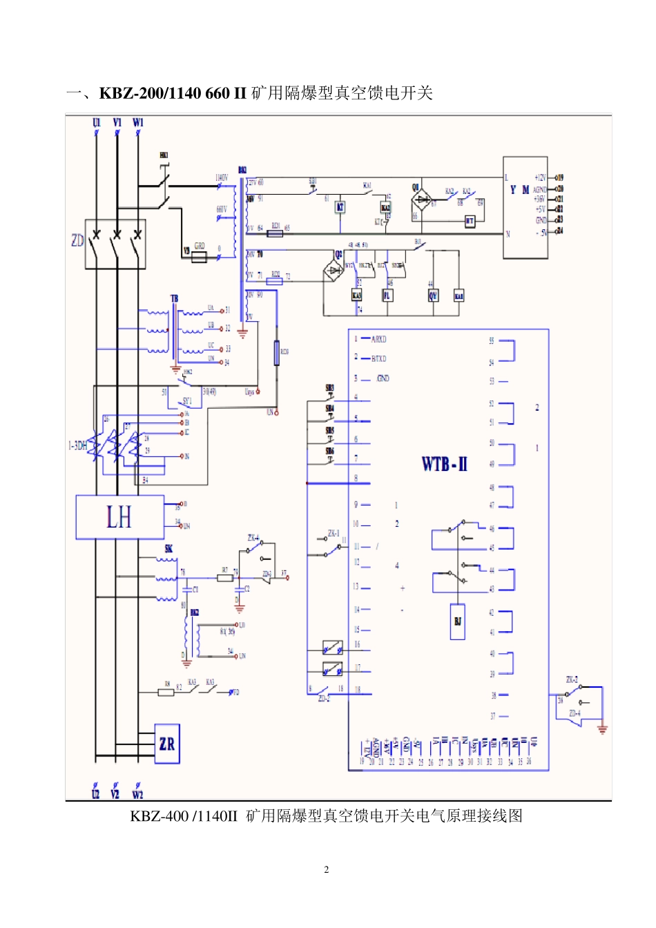
综掘工作面 防爆开关电气原理图及常见故障处理 1 目录 一、KBZ-200/1140 660 II 矿用隔爆型真空馈电开关........................................................................................ 2 二、KBZ-400 /1140II 矿用隔爆型真空馈电开关 .............................................................................................. 3 三、KBZ─500/1140II KBZ─630/1140II 矿用隔爆型真空馈电开关 ............................................................ 5 四、QBZ─30、60/660(380)N 矿用隔爆型可逆真空电磁起动器 ............................................................... 6 五、QBZ2─30、60 矿用隔爆型真空电磁起动器 ............................................................................................ 9 六、QBZ2─80、120、200 矿用隔爆型真空电磁起动器 ............................................................................... 1 0 七、QBZ(BQD)─80、120、200/1140(660)D 矿用隔爆型真空电磁起动器....................................... 1 3 八、QJZ-200.300.400/1140(660)Ⅱ矿用隔爆兼本质安全型真空电磁起动器 .......................................... 1 4 九、QJR 系列矿用隔爆兼本质安全型交流真空软起动器 ............................................................................. 1 6 十、ZBZ-4(2.0)M 矿用隔爆型照明信号综合保护装置 ............................................................................. 1 8 2 一、KBZ-200/1140 660 II 矿用隔爆型真空馈电开关 和你 KBZ-400 /1140II 矿用隔爆型真空馈电开关电气原理接线图 3 二、KBZ-400 /1140II 矿用隔爆型真空馈电开关 故障分析与排除 4 KBZ-400 /1140II 矿用隔爆型真空馈电开关电气原理图 5 三、KBZ─500/1140II KBZ─630/1140II 矿用隔爆型真空馈电开关 KBZ─500/1140II KBZ─630/1140II 矿用隔爆型真空馈电开关电气原理图 6 四、QBZ─30、60/660(380)N 矿用隔爆型可逆真空电磁起动器 7 QBZ─30、60/660(380)N 矿用隔爆型可逆真空电磁起动器电气原理图 8 QBZ─30、60/660(380)N 矿用隔爆型可逆真空电磁起动器接线图 9 五、QBZ2─30、60 矿用隔爆型真空电磁起动器 QBZ2─30...

1、当您付费下载文档后,您只拥有了使用权限,并不意味着购买了版权,文档只能用于自身使用,不得用于其他商业用途(如 [转卖]进行直接盈利或[编辑后售卖]进行间接盈利)。
2、本站所有内容均由合作方或网友上传,本站不对文档的完整性、权威性及其观点立场正确性做任何保证或承诺!文档内容仅供研究参考,付费前请自行鉴别。
3、如文档内容存在违规,或者侵犯商业秘密、侵犯著作权等,请点击“违规举报”。

碎片内容

常用防爆开关电气原理图及故障处理

您可能关注的文档

确认删除?
VIP
微信客服
  • 扫码咨询
会员Q群
  • 会员专属群点击这里加入QQ群
客服邮箱
回到顶部