电脑桌面
添加小米粒文库到电脑桌面
安装后可以在桌面快捷访问

干粉压片机课程设计VIP免费

干粉压片机课程设计_第1页
1/23
干粉压片机课程设计_第2页
2/23
干粉压片机课程设计_第3页
3/23
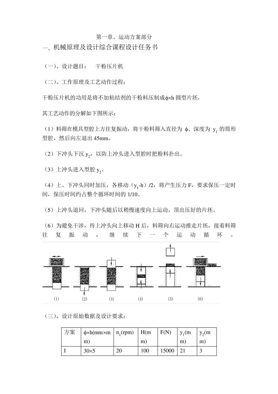
机械原理及设计综合课程设计说明书 设计题目:干粉压片机 目 录 第一章、运动方案部分 一、机械原理及设计综合课程设计任务书 (一)、设计题目—————————————————————4 (二)、工作原理及工艺动作过程——————————————4 (三)、设计原始数据及设计要求——————————————4 (四)、设计方案提示———————————————————5 (五)、设计的主要任务——————————————————6 二、干粉压片机运动方案设计 (一)、设计题目分析 1、总功能分析————————————————————6 2、总功能分解————————————————————7 3、功能元求解————————————————————7 4、进行执行机构选型—————————————————7 5、三构件的具体方案设计———————————————8 (二)、机械运动方案的确定 ————————————————10 (三)、干粉压片机运动循环图的设计 ————————————10 (四)、执行机构的尺寸计算 1、上冲头机构设计——————————————————12 2、凸轮的设计————————————————————13 3、料筛凸轮轮廓的确定————————————————16 (五)、运动简图及运动线图 1、运动简图 —————————————————————17 2、运动线图 ①用解析法对上冲头进行分析————————————18 ②C 语言编程———————————————————18 ③编程数据输出——————————————————20 ④作出运动线图——————————————————24 第三章、参考资料部分 ———————————————————————60 第一章、运动方案部分 一、机械原理及设计综合课程设计任务书 (一)、设计题目: 干粉压片机 (二)、工作原理及工艺动作过程: 干粉压片机的功用是将不加粘结剂的干粉料压制成h 圆型片坯, 其工艺动作的分解如下图所示: (1)料筛在模具型腔上方往复振动,将干粉料筛入直径为 、深度为 y 1 的筒形型腔,然后向左退出 45mm。 (2)下冲头下沉 y 2,以防上冲头进入型腔时把粉料扑出。 (3)上冲头进入型腔 y 2。 (4)上、下冲头同时加压,各移动(y 1-h)/2,将产生压力 F,要求保压一定时间,保压时间约占整个循环时间的 1/10。...

1、当您付费下载文档后,您只拥有了使用权限,并不意味着购买了版权,文档只能用于自身使用,不得用于其他商业用途(如 [转卖]进行直接盈利或[编辑后售卖]进行间接盈利)。
2、本站所有内容均由合作方或网友上传,本站不对文档的完整性、权威性及其观点立场正确性做任何保证或承诺!文档内容仅供研究参考,付费前请自行鉴别。
3、如文档内容存在违规,或者侵犯商业秘密、侵犯著作权等,请点击“违规举报”。

碎片内容

干粉压片机课程设计

确认删除?
VIP
微信客服
  • 扫码咨询
会员Q群
  • 会员专属群点击这里加入QQ群
客服邮箱
回到顶部