电脑桌面
添加小米粒文库到电脑桌面
安装后可以在桌面快捷访问

新版《江苏省建设工程验收资料》分部分项检验批划分文档VIP免费

新版《江苏省建设工程验收资料》分部分项检验批划分文档_第1页
1/22
新版《江苏省建设工程验收资料》分部分项检验批划分文档_第2页
2/22
新版《江苏省建设工程验收资料》分部分项检验批划分文档_第3页
3/22
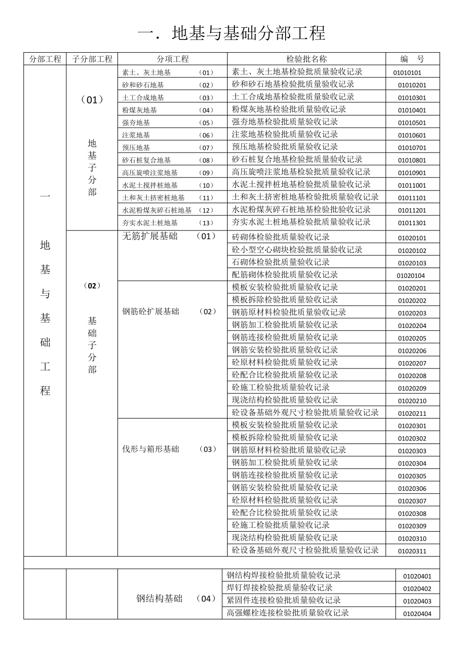
<江苏省建设工程验收资料>15版 分 部 子 分 部 分 项 检 验 批 划 分 <江苏省建设工程验收资料>15版分部/子分部/分项/检验批划分 一.地基与基础分部工程 分部工程 子分部工程 分项工程 检验批名称 编 号 一 地 基 与 基 础 工 程 (01) 地 基 子 分 部 素土、灰土地基 (01) 素土、灰土地基检验批质量验收记录 01010101 砂和砂石地基 (02) 砂和砂石地基检验批质量验收记录 01010201 土工合成地基 (03) 土工合成地基检验批质量验收记录 01010301 粉煤灰地基 (04) 粉煤灰地基检验批质量验收记录 01010401 强夯地基 (05) 强夯地基检验批质量验收记录 01010501 注浆地基 (06) 注浆地基检验批质量验收记录 01010601 预压地基 (07) 预压地基检验批质量验收记录 01010701 砂石桩复合地基 (08) 砂石桩复合地基检验批质量验收记录 01010801 高压旋喷注浆地基 (09) 高压旋喷注浆地基检验批质量验收记录 01010901 水泥土搅拌桩地基 (10) 水泥土搅拌桩地基检验批质量验收记录 01011001 土和灰土挤密桩地基 (11) 土和灰土挤密桩地基检验批质量验收记录 01011101 水泥粉煤灰碎石桩地基 (12) 水泥粉煤灰碎石桩地基检验批验收记录 01011201 夯实水泥土桩地基 (13) 夯实水泥土桩地基检验批质量验收记录 01011301 (02) 基 础 子 分 部 无筋扩展基础 (01) 砖砌体检验批质量验收记录 01020101 砼小型空心砌块检验批质量验收记录 01020102 石砌体检验批质量验收记录 01020103 配筋砌体检验批质量验收记录 01020104 钢筋砼扩展基础 (02) 模板安装检验批质量验收记录 01020201 模板拆除检验批质量验收记录 01020202 钢筋原材料检验批质量验收记录 01020203 钢筋加工检验批质量验收记录 01020204 钢筋连接检验批质量验收记录 01020205 钢筋安装检验批质量验收记录 01020206 砼原材料检验批质量验收记录 01020207 砼配合比检验批质量验收记录 01020208 砼施工检验批质量验收记录 01020209 现浇结构检验批质量验收记录 01020210 砼设备基础外观尺寸检验批质量验收记录 01020211 伐形与箱形基础 (03) 模板安装检验批质量验收记录 01020301 模板拆除检验批质量验收记录 01020302 钢筋原材料检验批质量验收记录 01020303 钢筋加工检验批质量验收记录 01020304 钢筋连接检验批质量验收记录 0102...

1、当您付费下载文档后,您只拥有了使用权限,并不意味着购买了版权,文档只能用于自身使用,不得用于其他商业用途(如 [转卖]进行直接盈利或[编辑后售卖]进行间接盈利)。
2、本站所有内容均由合作方或网友上传,本站不对文档的完整性、权威性及其观点立场正确性做任何保证或承诺!文档内容仅供研究参考,付费前请自行鉴别。
3、如文档内容存在违规,或者侵犯商业秘密、侵犯著作权等,请点击“违规举报”。

碎片内容

新版《江苏省建设工程验收资料》分部分项检验批划分文档

您可能关注的文档

小辰+ 关注
实名认证
内容提供者

出售各种文档和资料

相关文档

确认删除?
VIP
微信客服
  • 扫码咨询
会员Q群
  • 会员专属群点击这里加入QQ群
客服邮箱
回到顶部