电脑桌面
添加小米粒文库到电脑桌面
安装后可以在桌面快捷访问

数控加工工艺课程设计任务书VIP免费

数控加工工艺课程设计任务书_第1页
1/19
数控加工工艺课程设计任务书_第2页
2/19
数控加工工艺课程设计任务书_第3页
3/19
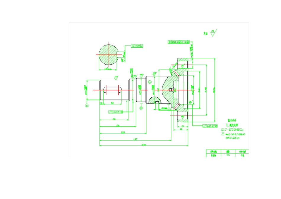
数控加工工艺课程设计任务书1. 设计题目零件制造工艺设计2. 设计任务图示零件为设计指导书附录 (典型零件图精选) 中第页输出轴零件,此零件材料为 45 钢,为中批量生产类型,进行机械加工工艺设计,完成以下任务:(1)对零件进行工艺分析,拟定工艺方案,绘制零件工作图一张。(2)确定毛坯种类及制造方法,绘制毛坯图一张。(3)拟定零件的机械加工工艺过程,选择各工序加工设备及工艺装备(刀具、夹具、量具、辅具) ,确定工序的切削用量及工序尺寸。编制机械加工工艺规程卡片(工艺过程卡、工序卡片和刀具卡)一套。工序卡片不得少于 5 份,数控工序少于 5 份的用普通加工工序卡补足5 份。(4)设计轴类零件的需手工编制数控车削程序并仿真。(5)撰写设计说明书 1 份。(计算机排版打印)3. 设计要求(1)零件图标尽量采用1:1 比例,画上标准标题栏,原图如有错误或缺线改正。(2)设计说明书要有手写稿(草稿)和电子稿(抽号打印)。(3)视图表达、零件材料、加工规范等一律采用新标准。(4)必须以科学务实和诚信负责的态度对待自己所做的技术决定、数据和计算结果,培养良好的工作作风。(5)全部资料完成后打包上交。二、输出轴工艺分析2.1 输出轴的作用输出轴主要应用在动力输出装置中,是输出动力的主要零件之一。 其主要作用是传递转矩,使主轴获得旋转的动力, 其工作中要承受较大的冲击载荷和扭矩。因此,该零件需具有足够的耐磨性和抗扭强度。2.2 输出轴的结构特点、工艺,表面技术要求分析从图示零件分析, 该输出轴结构简单, 属于阶梯轴类零件。 主要由有 φ 55、φ 60、φ 65、φ 75、φ 176 的外圆柱面、 φ 50、φ 80、φ 104的内圆柱表面和10 个 φ 20的孔和一个 16 的键槽组成。为了保证输出轴旋转是的速度,表面粗糙度有较高的要求 , 外圆的粗糙度要求都为Ra1.25um, 内圆的粗糙度为Ra2.5um,其余为Ra20um。形位精度也比较高, 为了外圆和外面零件的配合后受力均匀,φ 55,φ 60的外圆的径向跳动量小于0.04mm,φ 80 的跳动量小于 0.04mm,φ 20 孔的轴线的跳动量小于0.05mm,为了保证键槽和键的配合,键槽对φ 55 外圆的对称度为0.08mm。由于输出轴在工作中要承受较大的冲击载荷和扭矩,为了增强耐磨性和抗扭强度,要对输出轴进行调质处理,硬度为250HBS。三、确定毛胚3.1 选择毛胚材料毛胚的种类有很多,如1、型材 2、锻造 3、铸造,由于该输出轴要承受较大的冲击...

1、当您付费下载文档后,您只拥有了使用权限,并不意味着购买了版权,文档只能用于自身使用,不得用于其他商业用途(如 [转卖]进行直接盈利或[编辑后售卖]进行间接盈利)。
2、本站所有内容均由合作方或网友上传,本站不对文档的完整性、权威性及其观点立场正确性做任何保证或承诺!文档内容仅供研究参考,付费前请自行鉴别。
3、如文档内容存在违规,或者侵犯商业秘密、侵犯著作权等,请点击“违规举报”。

碎片内容

数控加工工艺课程设计任务书

您可能关注的文档

确认删除?
VIP
微信客服
  • 扫码咨询
会员Q群
  • 会员专属群点击这里加入QQ群
客服邮箱
回到顶部