电脑桌面
添加小米粒文库到电脑桌面
安装后可以在桌面快捷访问

数控直流电源的设计与实现VIP免费

数控直流电源的设计与实现_第1页
1/6
数控直流电源的设计与实现_第2页
2/6
数控直流电源的设计与实现_第3页
3/6
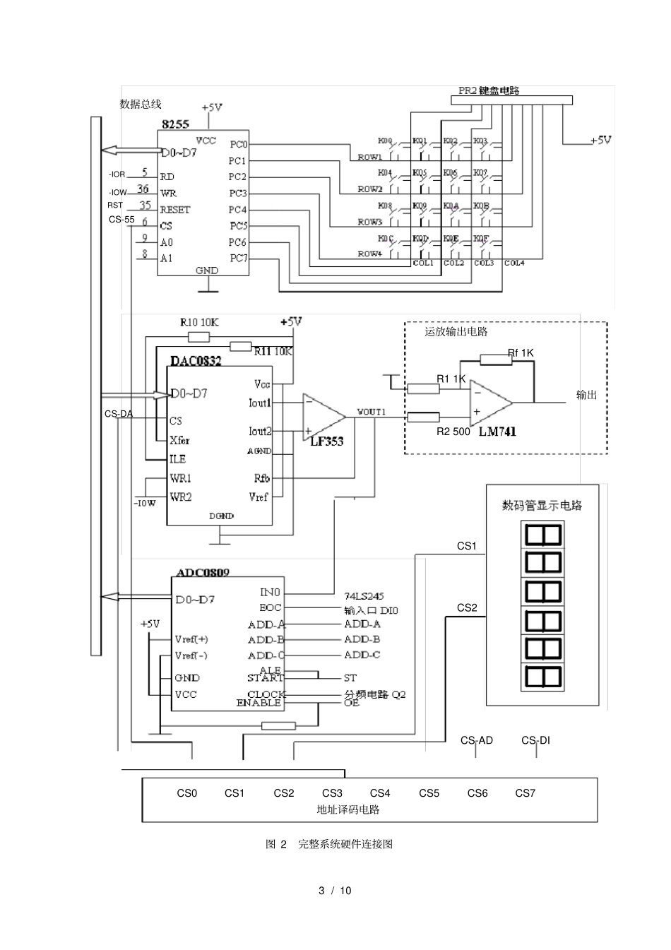
1 / 10 数控直流电源的设计与实现一、实验目的1.了解数控技术和电源技术。2.熟悉微机原理及其接口技术。3.运用微机系统实现一个数控直流电源。二、实验内容与要求基于 80x86 实验箱平台设计并制作数控直流电源。要求由键盘预置输入直流电压在0~+ 9.9V之间的任意一个值,数控直流电源输出,且输出电压与给定值偏差不大于0.1V 。主要技术指标:(1)输出电压:范围0~+ 9.9V ,纹波不大于10mV,电压值由数码管显示;(2)具有“ +”、“ - ”步进调整的功能,步进0.1V ;(3)用自动扫描代替人工按键,实现输出电压变化(步进0.1V 不变)。三、实验报告要求1.设计目的和内容2.总体设计3.硬件设计:原理图(接线图)及简要说明4.软件设计框图及程序清单5.设计结果和体会(包括遇到的问题及解决的方法)四、总体设计采用 8086 处理机构成该系统的核心——数控模块,与基本接口实验板相连,通过软件编译实现设计各种功能的实现,输出部分也不再采用传统的调整管方式,而是在 D/A 转换后,经过稳定的功率放大电路得到。由于使用了微处理器,整个系统可编程实现,系统的灵活性大大增加。系统设计框图如图1 所示。2 / 10 图 1 方案三系统设计框图为实现数控直流电源的各项功能,系统分为三个组成部分:键盘 / 显示电路, 数控模块,稳压输出电路。下面介绍系统各部分的基本功能:(1)键盘 / 显示电路: 该电路的显示部分又可分为电压预制值显示电路和电压实际输出值显示电路。 系统利用可编程并行接口8255 单元电路构成实验板上4*4 小键盘的接口和LED数码管电路的接口,从而识别键码同时显示电压预置值;在得到实际输出值后,实验板上提供了模数转换ADC0809单元电路,转化成数字量后传递给LED数码管就可以显示实际输出值。(2)数控模块: 该部分主要由8086 微处理器和数模转换DAC0832单元电路组成。 其中通过编写汇编语言程序控制8086 微处理器快速完成各功能所需的复杂运算,然后数模转换电路 DAC0832可将运算所得的数字量转换为模拟量。(3)稳压输出电路:由于通过模数转换电路输出的电压值大小有限制,通过使用运算放大器作前缀的功率放大电路,即可满足系统所需电压,又可大大减小纹波电压。功率放大电路通过外扩电路实现。五、硬件电路设计本课题的设计可通过实验平台上的一些功能模块电路组成,由于各模块电路内部已经连接,用户在使用时只要设计模块间电路的连接,因此,硬件电路的设...

1、当您付费下载文档后,您只拥有了使用权限,并不意味着购买了版权,文档只能用于自身使用,不得用于其他商业用途(如 [转卖]进行直接盈利或[编辑后售卖]进行间接盈利)。
2、本站所有内容均由合作方或网友上传,本站不对文档的完整性、权威性及其观点立场正确性做任何保证或承诺!文档内容仅供研究参考,付费前请自行鉴别。
3、如文档内容存在违规,或者侵犯商业秘密、侵犯著作权等,请点击“违规举报”。

碎片内容

数控直流电源的设计与实现

确认删除?
VIP
微信客服
  • 扫码咨询
会员Q群
  • 会员专属群点击这里加入QQ群
客服邮箱
回到顶部