电脑桌面
添加小米粒文库到电脑桌面
安装后可以在桌面快捷访问

2024年7月--5期--施工月报VIP专享VIP免费

2024年7月--5期--施工月报_第1页
1/3
2024年7月--5期--施工月报_第2页
2/3
2024年7月--5期--施工月报_第3页
3/3
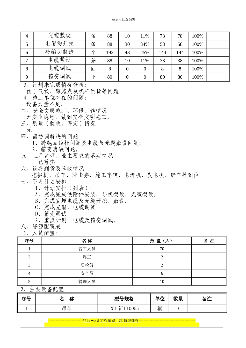
下载后可任意编辑 新疆哈密烟敦第一风电场新疆哈密烟敦第一风电场 35kv35kv 集电线路安装工程集电线路安装工程施工月报施工月报第第 55 期(总第期(总第 55 期)期)20242024 年年 77 月月 2121 日~日~20242024 年年 88 月月 1515 日日甘肃华茂建设集团有限公司烟敦工程项目部(盖章)批准: 审查: 编制: 一、进度计划 1 、 说 明 : 本 月 主 要 完 成 1# 、 2# 、 7# 、 8# 线 的 导 线 及 地 线 的 放 线 、3#、4#、5#、6#线立杆工作,完成 2#线的电缆沟开挖,完成 80 台箱变实验工作。 2、计划完成对比表序号项 目 名 称单 位总工程量累计完成量完成总量百分比本月计划工 程 量本月完成工程 量完成月计划百分比备注1铁附件安装基42530070%125125100%2导线架设基42530070%125125100%3光缆架设基4254110%384384100%----------------------------精品 word 文档 值得下载 值得拥有---------------------------------------------------------------------------------------------------------------------------------------------------------------------------下载后可任意编辑4光缆敷设条881011%7878100%5电缆沟开挖条883034%5858100%6冷缩头制造个1924825%144144100%7电缆敷设条881011%3838100%8电缆调试回80088100%9箱变调试个80008080100%3、计划未完成情况分析: 由于气候、跨越点及线杆供货等问题 4、施工单位存在的问题: 设备力量不足。二、安全文明施工、环保工作情况 无安全隐患,做到安全文明施工。三、质量(验收、评定)情况 无四、需协调解决的问题1、跨越点线杆问题及电缆与光缆敷设问题;2、箱变消缺问题。五、上月监理、业主要求的落实情况 已落实六、设备到货及验收情况 挖掘机、吊车、冲击夯、施工车辆、电焊机、发电机、铲车等到位七、下月计划安排 1、计划安排(列表): A、完成完成铁附件安装、导线架设、光缆架设。 B、完成直埋电缆及光缆开挖、敷设。 C、完成光缆、电缆调试 D、箱变调试 2、重点计划:电缆及箱变调试。八、资源配置表1、人员配置:序号名 称数 量(人)备 注1普工人员702焊工23质检员24安全员65管理人员102、主要设备配置:序号名 称型号规格单位数量备注1吊车25T 新 L10055辆3----------------------------精品 word 文档 值得下载 值得拥有----------------------------------------------------------...

1、当您付费下载文档后,您只拥有了使用权限,并不意味着购买了版权,文档只能用于自身使用,不得用于其他商业用途(如 [转卖]进行直接盈利或[编辑后售卖]进行间接盈利)。
2、本站所有内容均由合作方或网友上传,本站不对文档的完整性、权威性及其观点立场正确性做任何保证或承诺!文档内容仅供研究参考,付费前请自行鉴别。
3、如文档内容存在违规,或者侵犯商业秘密、侵犯著作权等,请点击“违规举报”。

碎片内容

2024年7月--5期--施工月报

确认删除?
VIP
微信客服
  • 扫码咨询
会员Q群
  • 会员专属群点击这里加入QQ群
客服邮箱
回到顶部