电脑桌面
添加小米粒文库到电脑桌面
安装后可以在桌面快捷访问

2030THC加藤钻机钻孔灌注桩施工工法VIP专享VIP免费

2030THC加藤钻机钻孔灌注桩施工工法_第1页
1/7
2030THC加藤钻机钻孔灌注桩施工工法_第2页
2/7
2030THC加藤钻机钻孔灌注桩施工工法_第3页
3/7
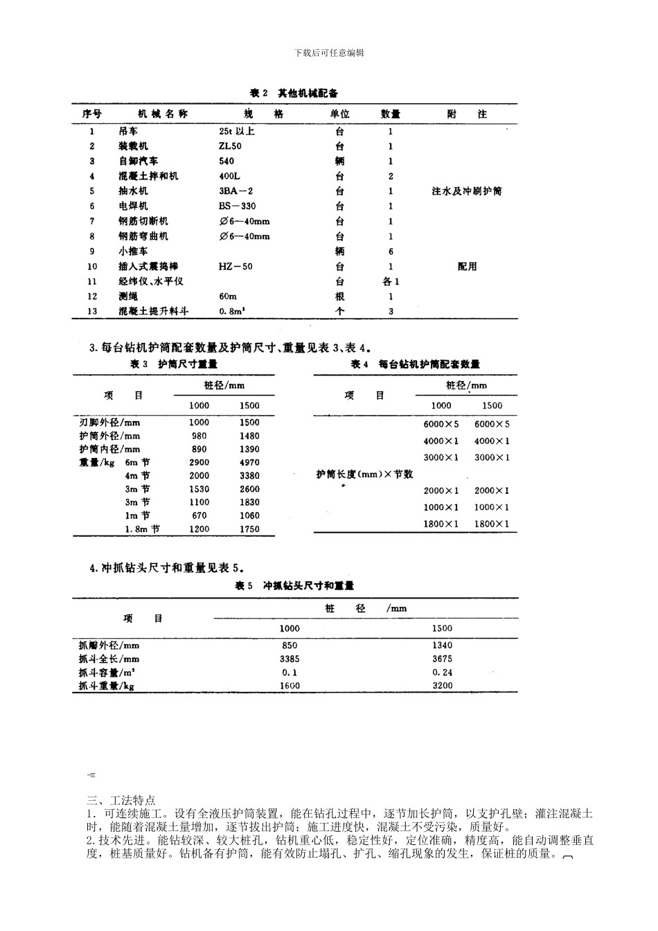
下载后可任意编辑30THC 加藤钻机钻孔灌注桩施工工法(TLEJGF-92-16)铁道部第十二工程局一、概述30THC 加藤钻机是一种新型的液压驱动履带式钻孔桩施工机械,可在各种不同的土层、砂夹卵石层中进行钻孔作业,特别在淤泥、粉砂等软弱土层中更为适用。经过多年实践,逐步形成了 30THC 加藤钻机钻孔灌注桩施工工法。利用本工法,可以缩短工期,降低造价,保证工程质量和安全,综合效益明显。它适用于桥梁墩台、高层建筑物钻孔灌注的基础施工。二、机械设备1.30THC 加藤钻机主要技术性能见表 1。2.其他机械配备见表 2。 表 1 30THC 加藤钻机主要技术性能 表 2 其他机械配备下载后可任意编辑 三、工法特点1.可连续施工。设有全液压护筒装置,能在钻孔过程中,逐节加长护筒,以支护孔壁;灌注混凝土时,能随着混凝土量增加,逐节拔出护筒;施工进度快,混凝土不受污染,质量好。2.技术先进。能钻较深、较大桩孔,钻机重心低,稳定性好,定位准确,精度高,能自动调整垂直度,桩基质量好。钻机备有护筒,能有效防止塌孔、扩孔、缩孔现象的发生,保证桩的质量。下载后可任意编辑3.施工简便。在施工场地范围内,机械能自行,用压力支腿能快速校准水平和桩位。转移施工场地时,可用拖车载运。钻机和钻架组装拆卸方便。4.施工经济。该机操作系统结构简单,易于操作,且冲击钻头与冲抓钻头能配合使用,成孔快,利于提高作业效率。5.作业安全。卷扬机提升结构装有棘轮式锁紧装置,能保证作业安全。6.钻机使用有一定局限性。钻机主机重达 35t,自重较大,在水中或软土地带钻孔时,需特设重型脚手或加固地基。因搬运不方便,在山区桥梁施工中使用有一定局限性。四、工艺原理使用 30THC 加藤钻机进行钻孔成桩施工,是在护筒内用冲抓钻头直接取土,在遇到坚硬岩石或漂石时,先用冲击钻头冲击岩石,击碎后用冲抓钻头出碴。护筒下沉是通过护筒自重、机械压力及机械减小摩阻力措施来实现的,成孔后进行安装钢筋笼、导管、灌注混凝土等作业。随着混凝土灌注高度的增加,应逐节拔出导管及护筒,待混凝土灌注至设计标高后,全部拔出护筒(导管),该桩即告完成,机械转移到新的桩位施工。五、施工准备采纳 30THC 加藤钻机施工,由于成孔速度快有较强连续性的特点,为防止停机待料,必须充分做好各项准备工作。1.技术准备:编制实施性施工组装计划,其内容包括:施工工艺与主要技术措施,过渡安排与安全质量保证措施,劳...

1、当您付费下载文档后,您只拥有了使用权限,并不意味着购买了版权,文档只能用于自身使用,不得用于其他商业用途(如 [转卖]进行直接盈利或[编辑后售卖]进行间接盈利)。
2、本站所有内容均由合作方或网友上传,本站不对文档的完整性、权威性及其观点立场正确性做任何保证或承诺!文档内容仅供研究参考,付费前请自行鉴别。
3、如文档内容存在违规,或者侵犯商业秘密、侵犯著作权等,请点击“违规举报”。

碎片内容

2030THC加藤钻机钻孔灌注桩施工工法

确认删除?
VIP
微信客服
  • 扫码咨询
会员Q群
  • 会员专属群点击这里加入QQ群
客服邮箱
回到顶部