电脑桌面
添加小米粒文库到电脑桌面
安装后可以在桌面快捷访问

级配砂砾(砾石)基层VIP专享VIP免费

级配砂砾(砾石)基层_第1页
1/8
级配砂砾(砾石)基层_第2页
2/8
级配砂砾(砾石)基层_第3页
3/8
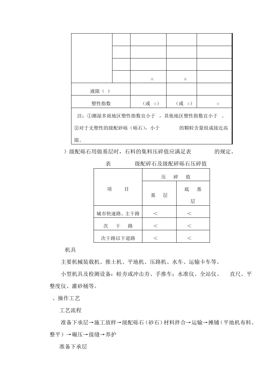
级配砂砾(砾石)基层 1、 引用文件 《城镇道路工程施工与质量验收规范 》CJJ 1—2008 2、施工准备 2.1作业条件 级配碎石(碎砾石)的下承层通过各项指标验收,其表面平整、坚实,压实度、平整度、纵断高程、中线偏差、宽度、横坡度、边坡等各项指标必须符合有关规定。 运输、摊铺、碾压等设备及施工人员已就位;拌合击摊铺设备已调试运转良好。 施工现场运输道路畅通。 2.2材料及机具 2.2.1材料 1)级配砾石做次干路及其以下道路基层时,砾石的最大粒径不应超过 37.5mm;用做底基层时,砾石的最大粒径不应超过 53mm。 2)天然砂砾应质地坚硬,含泥量不应大于砂质量(颗粒小于 5mm)的 10%,砾石颗粒中细长及扁平颗粒的含量应不超过20%。 3)级配砂砾及级配砾石的颗粒组成及技术指标应满足表1.2.1-1的规定。同时级配曲线宜为圆滑曲线。 表 1.2.1-1级配碎石及级配碎砾石的颗粒范围及技术指标 项 目 通过质量百分率(%) 基 层 底基层③ 砾 石 砾 石 砂 砾 筛孔尺寸(mm) 53 100 100 37.5 100 90~100 80~100 31.5 90~100 81~94 19.0 73~88 63~81 9.5 49~69 45~66 40~100 4.75 29~54 27~51 25~85 2.36 17~37 16~35 0.6 8~20 8~20 8~45 0.075 0~7② 0~7② 0~15 液限(%) <28 <28 <28 塑性指数 <6(或9①) <6(或9①) < 9① 注:①潮湿多雨地区塑性指数宜小于6,其他地区塑性指数宜小于9。 ②对于无塑性的级配砂砾(砾石),小于0.075mm的颗粒含量组成接近高限。 4)级配砾石用做基层时,石料的集料压碎值应满足表1.2.1-2的规定。 表1.2.1-2 级配碎石及级配碎砾石压碎值 项 目 压 碎 值 基 层 底 基 层 城市快速路、主干路 <26% <30% 次 干 路 <30% <35% 次干路以下道路 <35% <40% 2.2.2机具 主要机械装载机、推土机、平地机、压路机、水车、运输卡车等。 小型机具及检测设备:蛙夯或冲击夯、手推车;水准仪、全站仪、3m直尺、平整度仪、灌砂桶等。 3、操作工艺 3.1工艺流程 准备下承层→施工放样→级配砾石(砂石)材料拌合→运输→摊铺(平地机布料、整平)→碾压→接缝→养护 3.2准备下承层 下承层应平整、坚实,具有路拱。新建下承层应通过验收,达到本规程规定;对于老路面,应检查其材料是否符合底基层材料的技术要求,如不符合要求,应翻松老路面并采用必要的处理措施。下承层不宜作成槽式路面。 3.3施工放样 在下承...

1、当您付费下载文档后,您只拥有了使用权限,并不意味着购买了版权,文档只能用于自身使用,不得用于其他商业用途(如 [转卖]进行直接盈利或[编辑后售卖]进行间接盈利)。
2、本站所有内容均由合作方或网友上传,本站不对文档的完整性、权威性及其观点立场正确性做任何保证或承诺!文档内容仅供研究参考,付费前请自行鉴别。
3、如文档内容存在违规,或者侵犯商业秘密、侵犯著作权等,请点击“违规举报”。

碎片内容

级配砂砾(砾石)基层

小辰9+ 关注
实名认证
内容提供者

出售各种资料和文档

确认删除?
VIP
微信客服
  • 扫码咨询
会员Q群
  • 会员专属群点击这里加入QQ群
客服邮箱
回到顶部