电脑桌面
添加小米粒文库到电脑桌面
安装后可以在桌面快捷访问

线路砍青作业指导书VIP专享VIP免费

线路砍青作业指导书_第1页
1/7
线路砍青作业指导书_第2页
2/7
线路砍青作业指导书_第3页
3/7
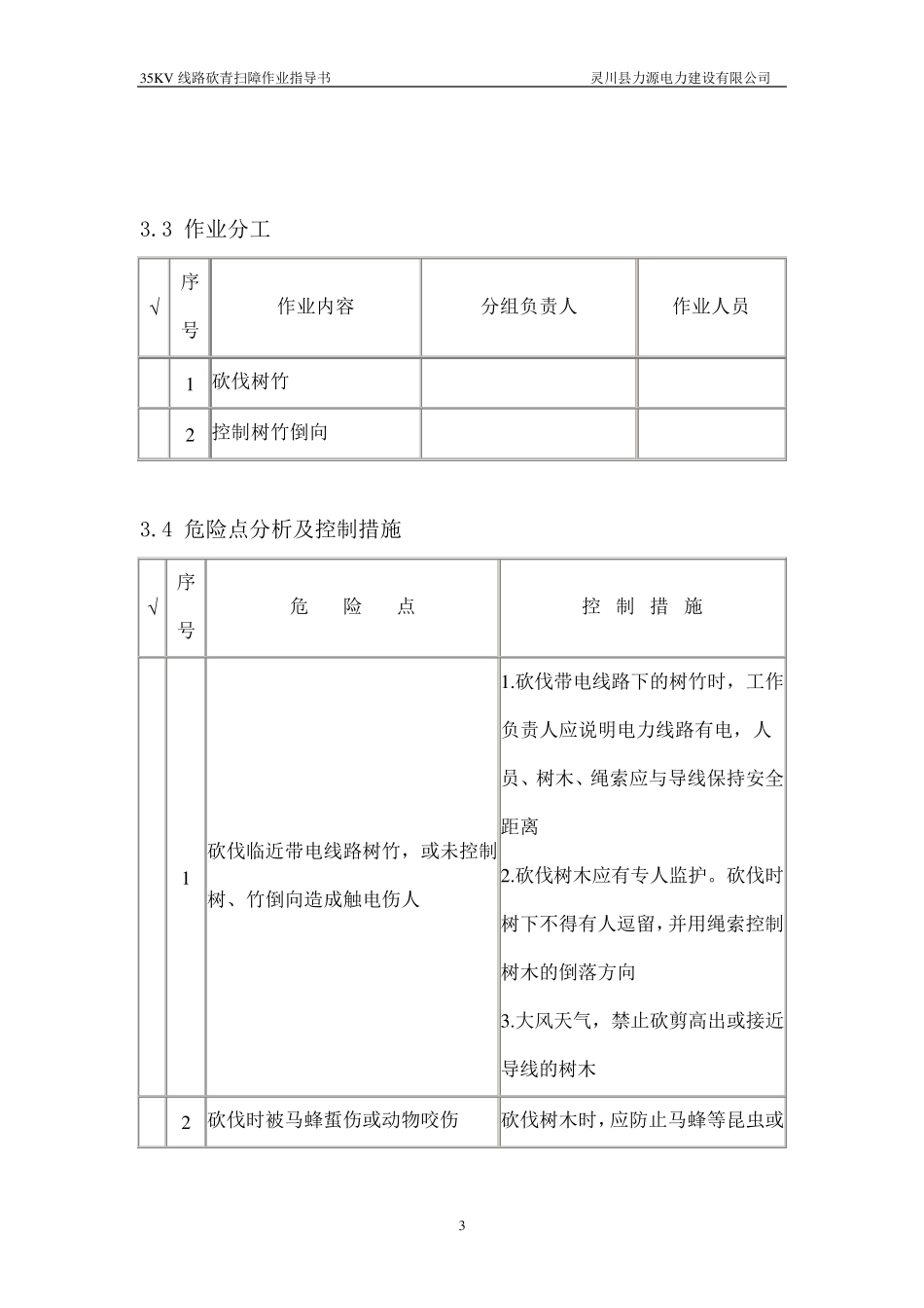
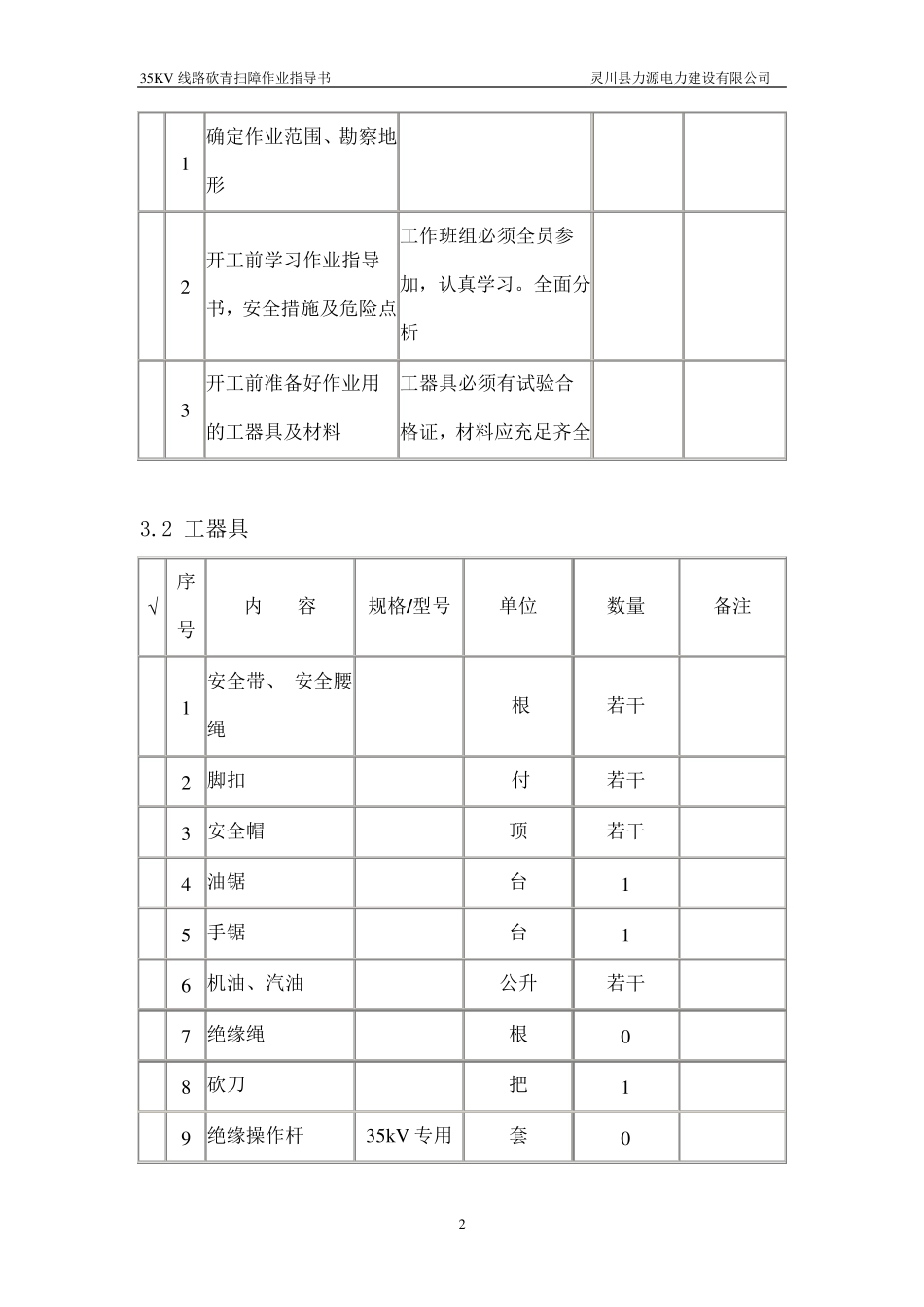
35K V 线路砍青扫障作业指导书 灵川县力源电力建设有限公司 1 编 号: 35kV 线路砍青扫障作业指导书 编写: 年 月 日 审核: 年 月 日 批准: 年 月 日 工作负责人: 作业日期 年 月 日 时至 年 月 日 时 1 范围 本指导书适用于灵川县力源电力建设有限公司35kV 线路树竹砍伐工作。 2 引用文件 2.1 中国南方电网公司《电力安全工作规程》(电力线路部分) 2.2《电力设施保护条例及实施细则》 1998 年国务院发布 2.3 SD292-88《架空配电线路及设备运行规程》 3 工作前准备 3.1 准备工作安排 √ 序号 内 容 标 准 责任人 备 注 35KV 线路砍青扫障作业指导书 灵川县力源电力建设有限公司 2 1 确定作业范围、勘察地形 2 开工前学习作业指导书,安全措施及危险点 工作班组必须全员参加,认真学习。全面分析 3 开工前准备好作业用的工器具及材料 工器具必须有试验合格证,材料应充足齐全 3.2 工器具 √ 序号 内 容 规格/型号 单位 数量 备注 1 安全带、 安全腰绳 根 若干 2 脚扣 付 若干 3 安全帽 顶 若干 4 油锯 台 1 5 手锯 台 1 6 机油、汽油 公升 若干 7 绝缘绳 根 0 8 砍刀 把 1 9 绝缘操作杆 35kV 专用 套 0 35K V 线路砍青扫障作业指导书 灵川县力源电力建设有限公司 3 3.3 作业分工 √ 序号 作业内容 分组负责人 作业人员 1 砍伐树竹 2 控制树竹倒向 3.4 危险点分析及控制措施 √ 序号 危 险 点 控 制 措 施 1 砍伐临近带电线路树竹,或未控制树、竹倒向造成触电伤人 1.砍伐带电线路下的树竹时,工作负责人应说明电力线路有电,人员、树木、绳索应与导线保持安全距离 2.砍伐树木应有专人监护。砍伐时树下不得有人逗留,并用绳索控制树木的倒落方向 3.大风天气,禁止砍剪高出或接近导线的树木 2 砍伐时被马蜂蜇伤或动物咬伤 砍伐树木时,应防止马蜂等昆虫或35K V 线路砍青扫障作业指导书 灵川县力源电力建设有限公司 4 动物伤人 3 上树砍伐未使用安全带、安全绳造成高空坠落 必须使用安全带、安全绳 4 攀抓脆弱、枯枝、已锯过或砍过的未断树木造成高空坠落 上树时不应攀抓脆弱、枯枝、已锯过或砍过的未断树木,并使用安全带 5 工器具使用造成伤人 使用油锯和电锯的作业时,应由熟悉机械性能和操作方法的人员操作,并检查能锯到范围有无金属物件,以防金属物体飞出伤人 ...

1、当您付费下载文档后,您只拥有了使用权限,并不意味着购买了版权,文档只能用于自身使用,不得用于其他商业用途(如 [转卖]进行直接盈利或[编辑后售卖]进行间接盈利)。
2、本站所有内容均由合作方或网友上传,本站不对文档的完整性、权威性及其观点立场正确性做任何保证或承诺!文档内容仅供研究参考,付费前请自行鉴别。
3、如文档内容存在违规,或者侵犯商业秘密、侵犯著作权等,请点击“违规举报”。

碎片内容

线路砍青作业指导书

确认删除?
VIP
微信客服
  • 扫码咨询
会员Q群
  • 会员专属群点击这里加入QQ群
客服邮箱
回到顶部