电脑桌面
添加小米粒文库到电脑桌面
安装后可以在桌面快捷访问

细格栅间总方案VIP免费

细格栅间总方案_第1页
1/77
细格栅间总方案_第2页
2/77
细格栅间总方案_第3页
3/77
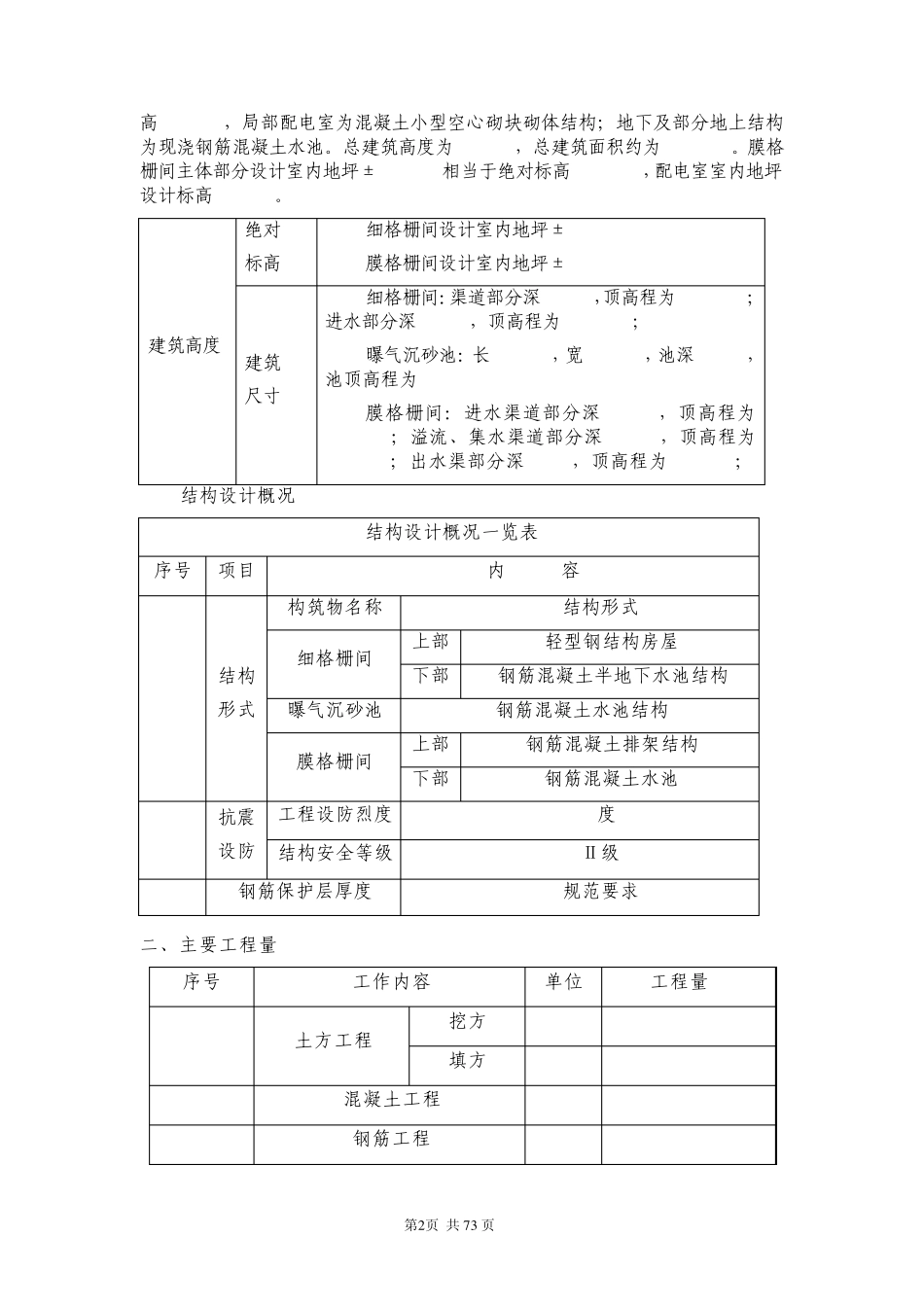
第1 页 共7 3 页 清河污水处理厂二期及再生水利用工程 细格栅间、曝气沉砂池及膜格栅间 施工专项方案 第一章 编制依据 一、北京市市政工程设计研究总院提供的《北京市清河再生水厂二期及再生水利用工程建筑、结构施工图细格栅间、曝气沉砂池、膜格栅间建筑、结构设计施工图设计》(2007J295-SS00PS0318JG) 二、施工组织设计; 三、国家相关质量及施工验收规范等有关文件,主要如下: 地下工程防水技术规范(GB50108-2001) 给水排水构筑物施工及验收规范(GB50141-2008) 混凝土结构工程施工质量验收规范 (GB50204-2002) 建筑桩基技术规范(JGJ94-94) 土工试验方法标准(GB/T50123-1999) 建筑施工扣件式脚手架安全技术规范 (JGJ130-2001) 钢管脚手扣件(GB15831) 特种作业人员安全技术考核管理规定 (GB5036) 城市污水处理厂工程质量验收规范 (GB50334-2002) 钢筋焊接及验收技术规程(JGJ18-2003) 钢筋机械连接通用技术规程(JGJ107-2003) 混凝土泵送施工技术规程(JGJ/T10-95) 混凝土结构工程施工质量验收规范 (GB50204-2002) 混凝土抗压强度回弹法测试规程(JGJ/T23-2001) 一、工程概况 北京市清河再生水厂二期及再生水利用工程细格栅间、曝气沉砂池、膜格栅间。 (1)细格栅间:主体部分为现浇钢筋混凝土半地下水池结构,水池上部为轻型钢结构房屋,地上1层,层高12.32m,局部层高5.78m。总建筑高度为12.670m,总建筑面积约为132.6m2.细格栅间设计室内地坪±0.000m相当于绝对标高40.650m。 (2)曝气沉砂池:现浇钢筋混凝土水池结构 (3)膜格栅间:地上主体部分为现浇钢筋混凝土排架结构,地上1层,层 第2 页 共7 3 页 高15.90m,局部配电室为混凝土小型空心砌块砌体结构;地下及部分地上结构为现浇钢筋混凝土水池。总建筑高度为16.10m,总建筑面积约为844.1m2。膜格栅间主体部分设计室内地坪± 0.000m相当于绝对标高40.400m,配电室室内地坪设计标高0.020m。 建筑高度 绝对 标高 细格栅间设计室内地坪± 0.000m=40.650m 膜格栅间设计室内地坪± 0.000m=40.400m 建筑 尺寸 细格栅间:渠道部分深 2.05m,顶高程为47.190m;进水部分深 9.45m,顶高程为47.450m; 曝气沉砂池:长 28.95m,宽 19.30m,池深 4.37m,池顶高程为46.640m; 膜格栅间:进水渠道部分深 2.05m,顶高程为46.050m;溢流、集水渠道部分深 9.45m,顶高程为44.000m;出水渠部分深6.60m,顶高程为44.000m; 结构设计概况 结...

1、当您付费下载文档后,您只拥有了使用权限,并不意味着购买了版权,文档只能用于自身使用,不得用于其他商业用途(如 [转卖]进行直接盈利或[编辑后售卖]进行间接盈利)。
2、本站所有内容均由合作方或网友上传,本站不对文档的完整性、权威性及其观点立场正确性做任何保证或承诺!文档内容仅供研究参考,付费前请自行鉴别。
3、如文档内容存在违规,或者侵犯商业秘密、侵犯著作权等,请点击“违规举报”。

碎片内容

细格栅间总方案

确认删除?
VIP
微信客服
  • 扫码咨询
会员Q群
  • 会员专属群点击这里加入QQ群
客服邮箱
回到顶部