电脑桌面
添加小米粒文库到电脑桌面
安装后可以在桌面快捷访问

细纱机维修质量检查要求VIP专享VIP免费

细纱机维修质量检查要求_第1页
1/17
细纱机维修质量检查要求_第2页
2/17
细纱机维修质量检查要求_第3页
3/17
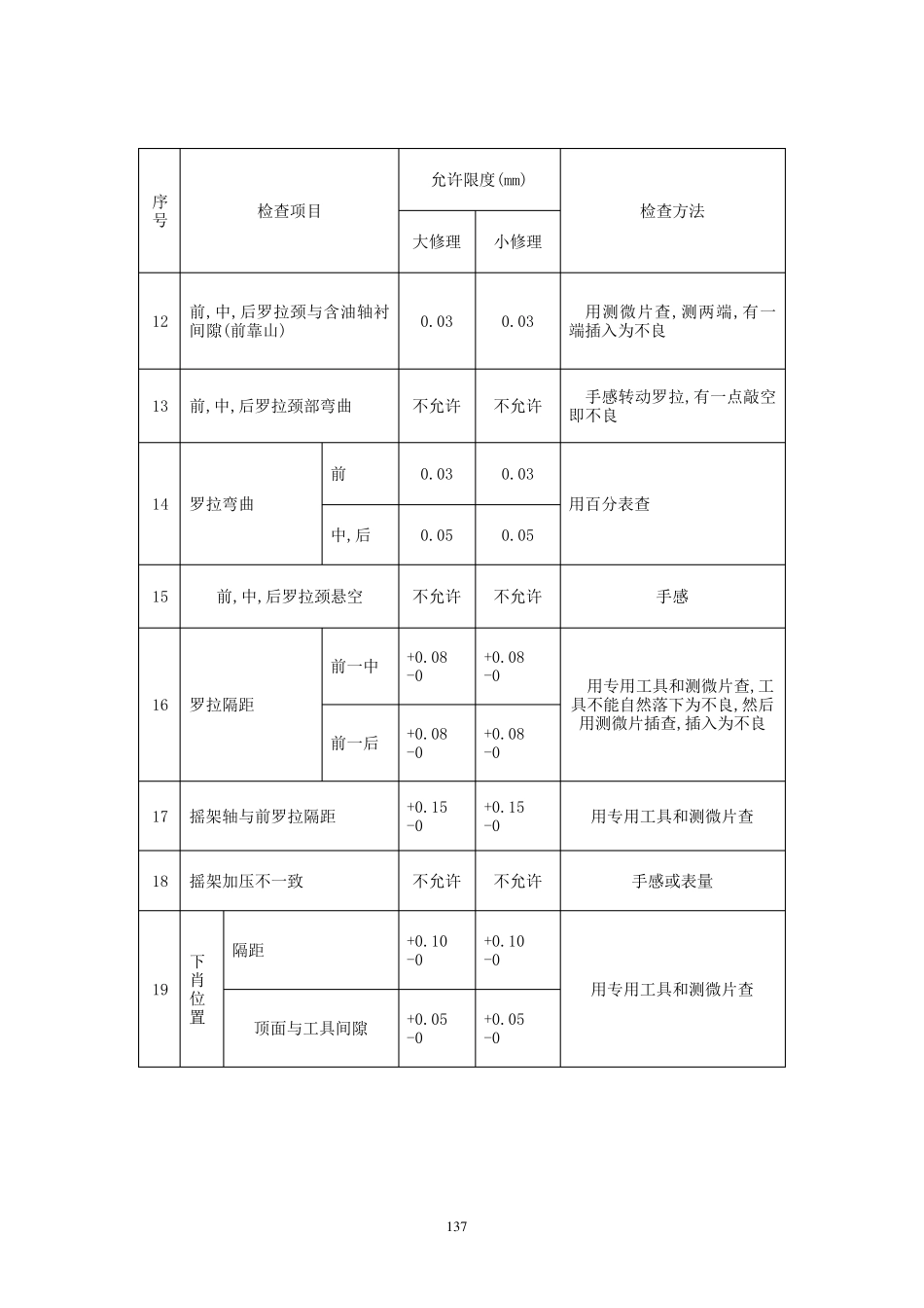
1 3 6 细纱机维修质量检查标准 文件编号:HM/SB 025 细纱机大小修理质量检查标准 序号 检查项目 允许限度(mm) 检查方法 大修理 小修理 1 中心线 1 —— 用中心线工具查看 2 车面水平 横跨 0.04/600 —— 用长直尺查看 斜跨 0.05/1400 —— 用长直尺查看 3 车头撞板垂直度 0.06/150 —— 用框式水平尺检查 4 车面短水平 0.04/100 —— 用水平尺检查 5 龙筋顶面短水平 0.05/75 —— 用水平尺检查 6 车面龙筋高,低相差 +0.05 —— 用专用工具,测微片查 7 龙筋进出(车脚)左右两侧相差 0.40 —— 用梯形定规查 8 车面龙筋顶面,前侧接合情况 0.06 —— 用测微片检查,有一点插不进既为合格,手模平齐 9 车尾底板水平 0.03/150 —— 用水平尺检查 10 车头,尾前罗拉进出 ±0.50 —— 用进出吊线工具查,以车头为准 11 前罗拉沟槽前侧面与边线间隙 +0.10 -0 +0.10 -0 用定规查,碰线不允许,脱空时用0.10mm 测微片插入查脱空不允许 1 3 7 序号 检查项目 允许限度(mm) 检查方法 大修理 小修理 12 前,中,后罗拉颈与含油轴衬间隙(前靠山) 0.03 0.03 用测微片查,测两端,有一端插入为不良 13 前,中,后罗拉颈部弯曲 不允许 不允许 手感转动罗拉,有一点敲空即不良 14 罗拉弯曲 前 0.03 0.03 用百分表查 中,后 0.05 0.05 15 前,中,后罗拉颈悬空 不允许 不允许 手感 16 罗拉隔距 前一中 +0.08 -0 +0.08 -0 用专用工具和测微片查,工具不能自然落下为不良,然后用测微片插查,插入为不良 前一后 +0.08 -0 +0.08 -0 17 摇架轴与前罗拉隔距 +0.15 -0 +0.15 -0 用专用工具和测微片查 18 摇架加压不一致 不允许 不允许 手感或表量 19 下肖位置 隔距 +0.10 -0 +0.10 -0 用专用工具和测微片查 顶面与工具间隙 +0.05 -0 +0.05 -0 1 3 8 序号 检查项目 允许限度(mm) 检查方法 大修理 小修理 20 摇架左右位置偏斜 不允许 不允许 目视觉 21 下皮圈张力簧失效 不允许 不允许 手感 22 下皮圈跑偏 ±1 ±1 目视 23 导纱喇叭口中心与罗拉沟槽中心相差 ±0.8 ±0.8 用专用工具查 24 导纱动程不符规定,动程与皮辊边空小于 2.5mm 不允许 不允许 目视,尺量 25 上绒辊回转不良,脱空 不允许 不允许 目视,手感 26 齿轮咬合间隙和规定相差 ±1/10 齿高 ±1/10 齿高 目视 27 ...

1、当您付费下载文档后,您只拥有了使用权限,并不意味着购买了版权,文档只能用于自身使用,不得用于其他商业用途(如 [转卖]进行直接盈利或[编辑后售卖]进行间接盈利)。
2、本站所有内容均由合作方或网友上传,本站不对文档的完整性、权威性及其观点立场正确性做任何保证或承诺!文档内容仅供研究参考,付费前请自行鉴别。
3、如文档内容存在违规,或者侵犯商业秘密、侵犯著作权等,请点击“违规举报”。

碎片内容

细纱机维修质量检查要求

确认删除?
VIP
微信客服
  • 扫码咨询
会员Q群
  • 会员专属群点击这里加入QQ群
客服邮箱
回到顶部