电脑桌面
添加小米粒文库到电脑桌面
安装后可以在桌面快捷访问

结构化布线和标准VIP免费

结构化布线和标准_第1页
1/17
结构化布线和标准_第2页
2/17
结构化布线和标准_第3页
3/17
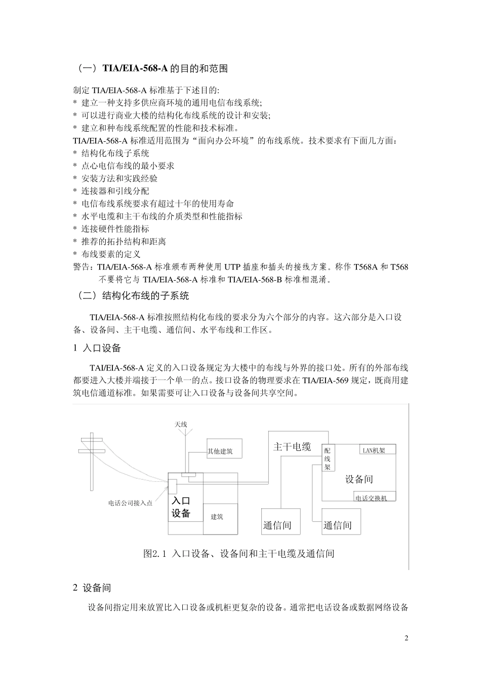
1 谈结构化布线和标准 * ANSI/EIA-568-A 商业建筑电信布线标准 * TIA 电信体系公报 * ISO/IEC 11801 客户房屋通用布线标准 * ANIXTER 电缆性能等级项目 * IBM 布线系统 一 结构化布线的概念 1.定义 结构化布线系统是一个能够支持任何用户选择的话音、数据、图形图像应用的电信布线系统。系统应能支持话音、图形、图像、数据多媒体、安全监控、传感等各种信息的传输,支持 UTP、光纤、STP、同轴电缆等各种传输载体,支持多用户多类型产品的应用,支持高速网络的应用. 2.特点 结构化布线系统具有以下特点: 1)实用性:能支持多种数据通信、多媒体技术及信息管理系统等,能够适应现代和未来技术的发展; 2)灵活性:任意信息点能够连接不同类型的设备,如微机、打印机、终端、服务器、监视器等; 3)开放性:能够支持任何厂家的任意网络产品,支持任意网络结构,如总线形、星形、环型等; 4)模块化:所有的接插件都是积木式的标准件,方便使用、管理和扩充; 5)扩展性:实施后的结构化布线系统是可扩充的,以便将来有更大需求时,很容易将设备安装接入; 6)经济性:一次性投资,长期受益,维护费用低,使整体投资达到最少。 二 ANSI/EIA-568-A 商业建筑电信布线标准 1991 年TIA 和 EIA 颁布了商业建筑电信布线标准第一版。随后几年,EIA 发布了一系列电信系统公报包括更高级的布线规则(TSB-36),连接硬件(TSB),跳接电缆(TSB-40A,模块化插座(TSB-53)等。这次结果与1995 年发布,称之为TIA/EIA-568-A。1999 年秋,发布了该标准的一个增补版,称为TIA/EIA-568-A.5。2000 年发布一个整个标准的增补版,它归并所有的变更之处和许多影响‘A’标准的 TIATSB。这一标准称为TIA/EIA-568-B。 2 (一) T IA/EIA-568-A 的目的和范围 制定TIA/EIA-568-A 标准基于下述目的: * 建立一种支持多供应商环境的通用电信布线系统; * 可以进行商业大楼的结构化布线系统的设计和安装; * 建立和种布线系统配置的性能和技术标准。 TIA/EIA-568-A 标准适用范围为“面向办公环境”的布线系统。技术要求有下面几方面: * 结构化布线子系统 * 点心电信布线的最小要求 * 安装方法和实践经验 * 连接器和引线分配 * 电信布线系统要求有超过十年的使用寿命 * 水平电缆和主干布线的介质类型和性能指标 * 连接硬件性能指标 * 推荐的拓扑结构和距离 * 布线要素的定义 警告:TIA/EIA-568-A 标准颁布两种使用UTP 插座和插头的接...

1、当您付费下载文档后,您只拥有了使用权限,并不意味着购买了版权,文档只能用于自身使用,不得用于其他商业用途(如 [转卖]进行直接盈利或[编辑后售卖]进行间接盈利)。
2、本站所有内容均由合作方或网友上传,本站不对文档的完整性、权威性及其观点立场正确性做任何保证或承诺!文档内容仅供研究参考,付费前请自行鉴别。
3、如文档内容存在违规,或者侵犯商业秘密、侵犯著作权等,请点击“违规举报”。

碎片内容

结构化布线和标准

您可能关注的文档

确认删除?
VIP
微信客服
  • 扫码咨询
会员Q群
  • 会员专属群点击这里加入QQ群
客服邮箱
回到顶部