电脑桌面
添加小米粒文库到电脑桌面
安装后可以在桌面快捷访问

常用金属材料的主要性能指标及涵义VIP免费

常用金属材料的主要性能指标及涵义_第1页
1/7
常用金属材料的主要性能指标及涵义_第2页
2/7
常用金属材料的主要性能指标及涵义_第3页
3/7
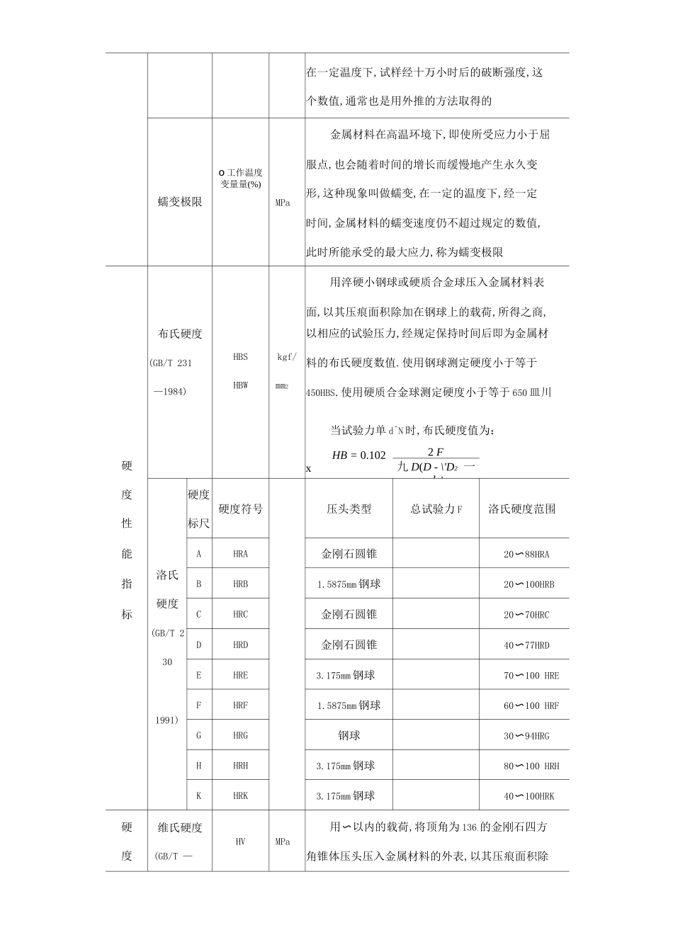
金属材料的主要性能指标包括物理性能指标、材料力学性能指标、热力学性能指标和电性能指标.如表所示.金属材料的主要性能指标及涵义一览表性能指标涵义说明类别名称符号单位物理性能指标密度Ykg/m3密度是金属材料的特性之一,它表示某种金属 材料单位体积的质量,不同金属材料的密度是不相 同的.在机械制造业上,通常利用“密度〞来计算 零件毛坯的质量〔习惯上称为质量〕.金属材料的 密度也直接关系到由它所制成的零件或构件的质 量或紧凑程度,这点对于要求减轻机件自重的航空 和宇航工业制件具有特别重要的意义g/cm3弹性指标弹性模量EMPa金属材料在弹性范围内,外力和变形成比例地 增长,即应力与应变成正比例关系时〔符合虎克定 律〕,这个比例系数就称为弹性模量.根据应力, 应变的性质通常又分为:弹性模量〔£〕和切变模 量〔G〕,弹性模量的大小,相当于引起物体单位切变模量GMPa变形时所需应力之大小,所以,它在工程技术上是 衡量材料刚度的指标,弹性模量愈大,刚度也愈大, 亦即在一定应力作用,发生的弹性变形愈小.任 何机器零件,在使用过程中,大都处于弹性状态, 对于要求弹性变形较小的零件,必须选用弹性模量 大的材料比例极限0p(Rp)MPa指伸长与负荷成正比地增加,保持直线关系,当开始偏离直线时的应力称比例极限,但此位置很难精确测定,通常把能引起材料试样产生剩余变形 量为试样原长的%或%、%、%时的应力,规定为比例 极限弹性极限0eMPa这是表示金属材料最大弹性的指标,即在弹性 变形阶段,试样不产生塑性变形时所能承受的最大 应力,它和 0 P一样也很难精确测定,一般多不进行 测定,而以规定的 0 P数值代替之强度性能指标强度极限0MPa指金属材料受外力作用,在断裂前,单位面积上所能承受的最大载荷抗拉强度0 b(Rm)MPa指外力是拉力时的强度极限,它是衡量金属材料强度的主要性能指标抗弯强度0bb或0wMPa指外力是弯曲力时的强度极限抗压强度0be或0yMPa指外力是压力时的强度极限,压缩试验主要适用于低塑性材料,如铸铁等抗剪强度TMPa指外力是剪切力时的强度极限抗扭强度TbMPa指外力是扭转力时的强度极限屈服点0sMPa金属材料受载荷时,当载荷不再增加,但金属 材料本身的变形,却继续增加,这种现象叫做屈服, 产生屈服现象时的应力,叫屈服点屈服强度0MPa金属材料发生屈服现象时,为便于测量,通常 按其产生永久剩余变形量等于试样原长%时的应力 作为“屈服强度〞,或称“条件屈服极限〞持久强度工作温度时间 hMPa指金属材料在一定的高...

1、当您付费下载文档后,您只拥有了使用权限,并不意味着购买了版权,文档只能用于自身使用,不得用于其他商业用途(如 [转卖]进行直接盈利或[编辑后售卖]进行间接盈利)。
2、本站所有内容均由合作方或网友上传,本站不对文档的完整性、权威性及其观点立场正确性做任何保证或承诺!文档内容仅供研究参考,付费前请自行鉴别。
3、如文档内容存在违规,或者侵犯商业秘密、侵犯著作权等,请点击“违规举报”。

碎片内容

常用金属材料的主要性能指标及涵义

您可能关注的文档

确认删除?
VIP
微信客服
  • 扫码咨询
会员Q群
  • 会员专属群点击这里加入QQ群
客服邮箱
回到顶部