电脑桌面
添加小米粒文库到电脑桌面
安装后可以在桌面快捷访问

6..11-设备支架安装工程检验批质量验收记录1个批次过VIP专享VIP免费

6..11-设备支架安装工程检验批质量验收记录1个批次过_第1页
1/2
6..11-设备支架安装工程检验批质量验收记录1个批次过_第2页
2/2
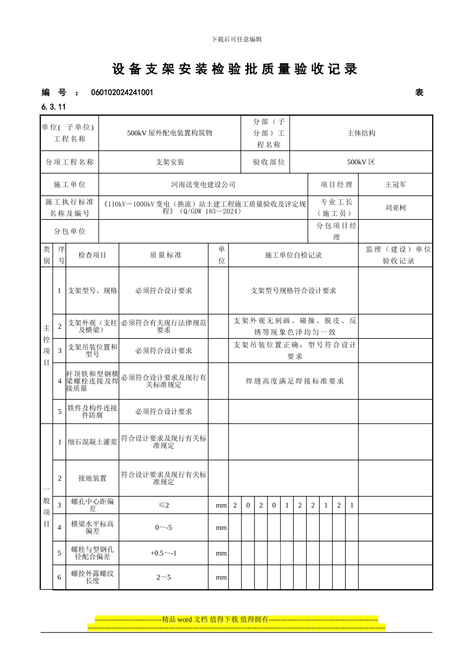
下载后可任意编辑设 备 支 架 安 装 检 验 批 质 量 验 收 记 录编号:060102024241001 表6.3.11单 位 (子 单 位 )工 程 名 称500kV 屋外配电装置构筑物分 部 ( 子分 部 ) 工程 名 称主体结构分 项 工 程 名 称支架安装验 收 部 位500kV 区施 工 单 位河南送变电建设公司项 目 经 理王冠军施 工 执 行 标 准名 称 及 编 号《110kV-1000kV 变电(换流)站土建工程施工质量验收及评定规程》(Q/GDW 183—2024)专 业 工 长( 施 工 员 )刘亚柯分 包 单 位分 包 项 目 经理类别序号检查项目质 量 标 准单位施工单位自检记录监 理 ( 建 设 ) 单 位验 收 记 录主控项目1支架型号、规格必须符合设计要求支架型号规格符合设计要求2支架外观(支柱及横梁)必须符合有关现行法律规范要求支 架 外 观 无 刻 画 、 碰 撞 、 脱 皮 、 反锈 等 现 象 色 泽 均 匀 一 致3支架吊装位置和型号必须符合设计要求支 架 吊 装 位 置 正 确 , 型 号 符 合 设 计要 求4杆顶铁和型钢横梁螺栓连接及焊接质量必须符合设计要求及现行有关标准规定焊 缝 高 度 满 足 焊 接 标 准 要 求5铁件及构件连接件防腐必须符合设计要求一般项目1细石混凝土灌浆 符合设计要求及现行有关标准规定2接地装置符合设计要求及现行有关标准规定3螺孔中心距偏差≤2mm20201221214横梁水平标高偏差0~-5mm5螺栓与型钢孔径配合偏差+0.5~-1mm6螺拴外露螺纹长度2~5mm----------------------------精品 word 文档 值得下载 值得拥有---------------------------------------------------------------------------------------------------------------------------------------------------------------------------下载后可任意编辑设 备 支 架 安 装 检 验 批 质 量 验 收 记 录编号:060102024241001 表6.3.11(续表)类别序号检查项目质 量 标 准单位施工单位自检记录监 理 ( 建 设 ) 单 位验 收 记 录一般项目7柱中心线对定位轴线位移≤10mm53 7343223 28上下柱接口中心线位移≤3mm9垂直偏差支 架 杆 高度 不 大 于5m≤5mm23 3221213 2支 架 杆高 度 大于 5m≤1/1000 支架杆高度,且≤10mmmm10 杆顶标高偏差±5mm23 2232232 311 杆顶板平整度偏差≤5mm23 2334332 2施 工 单 位检 查 结 果 自 检 合 格 。班 组 长 : 项 目 专 业 质 量检 查 员 :项目专业技术负责人: 年 月 日监 理 (建 设 )单 位 验 收 结 论专 业 监 理 工 程 师 :(建 设 单 位 项 目 专 业 技 术 负 责 人 ) 年 月 日----------------------------精品 word 文档 值得下载 值得拥有---------------------------------------------------------------------------------------------------------------------------------------------------------------------------

1、当您付费下载文档后,您只拥有了使用权限,并不意味着购买了版权,文档只能用于自身使用,不得用于其他商业用途(如 [转卖]进行直接盈利或[编辑后售卖]进行间接盈利)。
2、本站所有内容均由合作方或网友上传,本站不对文档的完整性、权威性及其观点立场正确性做任何保证或承诺!文档内容仅供研究参考,付费前请自行鉴别。
3、如文档内容存在违规,或者侵犯商业秘密、侵犯著作权等,请点击“违规举报”。

碎片内容

6..11-设备支架安装工程检验批质量验收记录1个批次过

确认删除?
VIP
微信客服
  • 扫码咨询
会员Q群
  • 会员专属群点击这里加入QQ群
客服邮箱
回到顶部