电脑桌面
添加小米粒文库到电脑桌面
安装后可以在桌面快捷访问

6.3.7-设备基础混凝土工程检验批质量验收记录VIP专享VIP免费

6.3.7-设备基础混凝土工程检验批质量验收记录_第1页
1/2
6.3.7-设备基础混凝土工程检验批质量验收记录_第2页
2/2
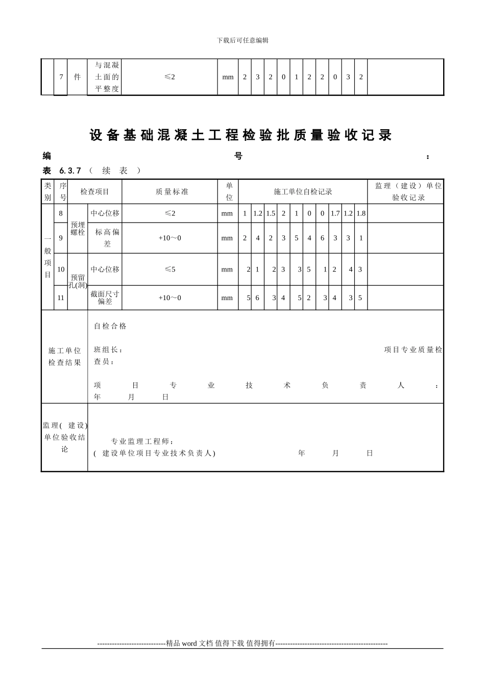
下载后可任意编辑设 备 基 础 混 凝 土 工 程 检 验 批 质 量 验 收 记 录编号:020001030303009 表6.3.7单 位 (子 单 位 )工 程 名 称库尔楚 35kV 变电站增容改造工程 35kV 屋外配电装置构筑物(端子箱基础)分 部 ( 子 分部 ) 工 程 名称设 备 基 础 分 部分 项 工 程 名 称混凝土分项验 收 部 位端子箱基础施 工 单 位新疆巴电建设安装有限责任公司项 目 经 理张建施 工 执 行 标 准名 称 及 编 号《110kV-1000kV 变电(换流)站土建工程施工质量验收及评定规程》(Q/GDW 183—2024)专 业 工 长( 施 工 员 )何星分 包 单 位/分 包 项 目 经 理/类别序号检查项目质 量 标 准单位施工单位自检记录监 理 ( 建 设 ) 单 位验 收 记 录主控项目1外观质量不应有严重缺陷;对已经出现的严重缺陷,应由施工单位提出技术处理方案,并经监理(建设)、设计单位认可后进行处理,对经处理的部位,应重新检查验收无缺陷2尺寸偏差不应有影响结构性能和设备安装的尺寸偏差;对超过尺寸允许偏差且影响结构性能和安装、使用功能的部位,应由施工单位提出技术处理方案,并经监理(建设)、设计单位认可后进行处理。对经处理的部位,应重新检查验收不 影 响 结 构 性 能 和 设 备 安 装 的 尺寸 偏 差3接地装置接地装置应符合设计要求及现行有关标准规定接 地 装 置 符 合 GB 50169—2024规定一般项目1外观质量不宜有一般缺陷。对已经出现的一般缺陷,应由施工单位按技术处理方案进行处理,并重新检查验收无 缺 陷2轴线位移≤10mm58475421363支承面及杯口底标高偏差0~-10mm/////////4平面外形尺寸偏差±15mm35624672255上表面平整度≤5mm12203122326预埋中心位移≤5mm2001324322----------------------------精品 word 文档 值得下载 值得拥有----------------------------------------------下载后可任意编辑件7与 混 凝土 面 的平 整 度≤2mm2320122032设 备 基 础 混 凝 土 工 程 检 验 批 质 量 验 收 记 录编号: 表6.3.7 (续表)类别序号检查项目质 量 标 准单位施工单位自检记录监 理 ( 建 设 ) 单 位验 收 记 录一般项目8预埋螺栓中心位移≤2mm11.2 1.521001.7 1.2 1.89标 高 偏差+10~0mm242354633110预留孔(洞)中心位移≤5mm2 12 33 51 24 311截面尺寸偏差+10~0mm5 63 45 23 43 5施 工 单 位检 查 结 果 自 检 合 格班 组 长 : 项 目 专 业 质 量 检查 员 :项目专业技术负责人: 年 月 日监 理 (建 设 )单 位 验 收 结论专 业 监 理 工 程 师 :(建 设 单 位 项 目 专 业 技 术 负 责 人 ) 年 月 日----------------------------精品 word 文档 值得下载 值得拥有----------------------------------------------

1、当您付费下载文档后,您只拥有了使用权限,并不意味着购买了版权,文档只能用于自身使用,不得用于其他商业用途(如 [转卖]进行直接盈利或[编辑后售卖]进行间接盈利)。
2、本站所有内容均由合作方或网友上传,本站不对文档的完整性、权威性及其观点立场正确性做任何保证或承诺!文档内容仅供研究参考,付费前请自行鉴别。
3、如文档内容存在违规,或者侵犯商业秘密、侵犯著作权等,请点击“违规举报”。

碎片内容

6.3.7-设备基础混凝土工程检验批质量验收记录

确认删除?
VIP
微信客服
  • 扫码咨询
会员Q群
  • 会员专属群点击这里加入QQ群
客服邮箱
回到顶部