电脑桌面
添加小米粒文库到电脑桌面
安装后可以在桌面快捷访问

7.10.1施工组织设计VIP专享VIP免费

7.10.1施工组织设计_第1页
1/20
7.10.1施工组织设计_第2页
2/20
7.10.1施工组织设计_第3页
3/20
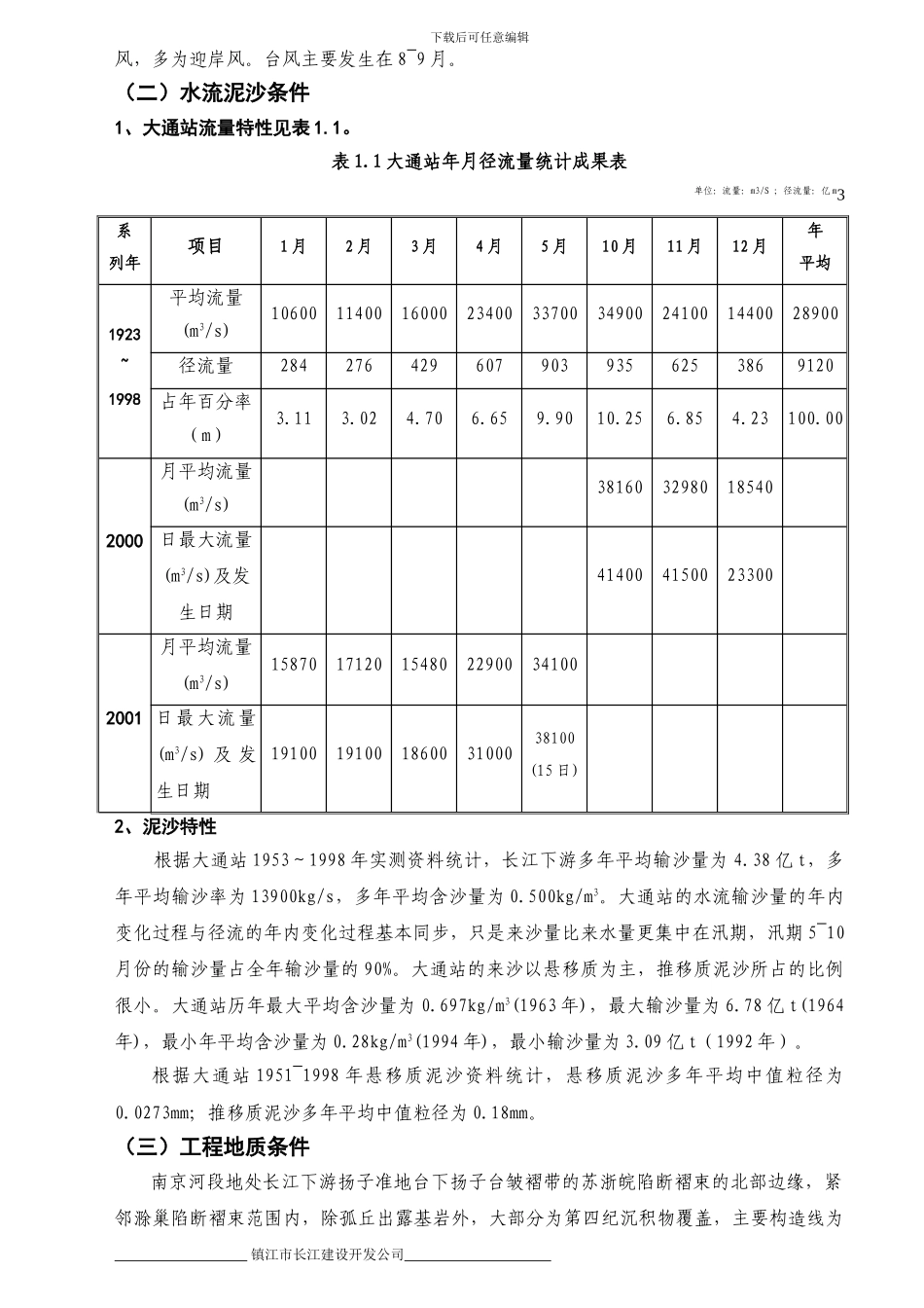
下载后可任意编辑第一章 工程总概况一、工程概述(一)工程简况:项目名称:长江南京河段二期河道整治工程 2024 年度工程 十一标 栖龙弯道(局部)护岸工程 (合同编号:CJEQSG—11/04)招标单位:南京长江河道工程建设处工程地点:南京市长江段龙潭附近工程质量等级要求:优良工期要求:开工日期——2024 年 9 月 25 日,完工日期——2024 年 4 月 15 日。总工期:203 天(二)本标段工程范围和数量:本标段工程作为长江南京河段二期整治工程的一部分,具体工程内容有: 1、工程项目:本标段主要工程项目为水上抛石。2、工程主要施工内容和数量:(1) 堤防防护工程 水上抛石:243480.00 m3(三)工程特点长江南京河段二期河道整治工程 2024 年度工程 十一标 栖龙弯道(局部)护岸工程位于江苏省境内南京市长江段龙潭附近。该工程型式为护岸,其主要特点是:1、陆上运输条件和水上运输条件均较好,但考虑到水上运输费用较低,机械设备、工程物资能水运则水运,在不影响工程进度和质量的情况下,尽量减少工程开支。2、施工受水位,水流流速影响较大,要抢抓时间,争抢工程进度。3、该工程水上作业多,施工区域又靠近主航道,来往船只较多,危险性较大。所有参加本次施工的人员必须注意安全,法律规范操作。二.施工条件(一)水文气象条件1. 水文条件 镇江市长江建设开发公司 下载后可任意编辑南京河段处于长江下游潮区界(大通)与潮流界(江阴)之间,受潮波上溯的影响,有水位壅高现象,但无上溯水流,吸流向始终指向下游,流速分布仍遵循无潮河流单向水流的规律。长江大通以下未设水文站,大通—南京区间流域汇水面积仅占大通水文站控制流域汇水面积的 2.4%,且区间内最大的入汇支流只有巢湖、青戈江和水阳江,三支流 9 年平均流量之和为 325m3/s,最大年平均流量之和为 751 m3/s,分别只占大通站相应流量的 1.1%和 1.7%,因此,只能引用大通水文站资料代表南京河段水沙牲。大通站汛期 5~10 月份,月径流量占全年流量的 71%左右,输沙量占全年输沙量的90%左右,说明年内汛期河道输沙较水更为集中。据 1923~1997 年的不连续系列资料统计,大通站多年平均流量为 28900 m3/s,最大流量为 92600 m3/s(1954 年 8 月 1 日),最小流量为 4620 m3/s。1998 年最大流量为 82300 m3/s,仅次于 1954 年,为大通站实测到的最大流量值。大通站历年年最大流量排序前四位中,第二至四位均出现在 9...

1、当您付费下载文档后,您只拥有了使用权限,并不意味着购买了版权,文档只能用于自身使用,不得用于其他商业用途(如 [转卖]进行直接盈利或[编辑后售卖]进行间接盈利)。
2、本站所有内容均由合作方或网友上传,本站不对文档的完整性、权威性及其观点立场正确性做任何保证或承诺!文档内容仅供研究参考,付费前请自行鉴别。
3、如文档内容存在违规,或者侵犯商业秘密、侵犯著作权等,请点击“违规举报”。

碎片内容

7.10.1施工组织设计

确认删除?
VIP
微信客服
  • 扫码咨询
会员Q群
  • 会员专属群点击这里加入QQ群
客服邮箱
回到顶部