电脑桌面
添加小米粒文库到电脑桌面
安装后可以在桌面快捷访问

A003;施工用电安全监理检查表VIP免费

A003;施工用电安全监理检查表_第1页
1/2
A003;施工用电安全监理检查表_第2页
2/2
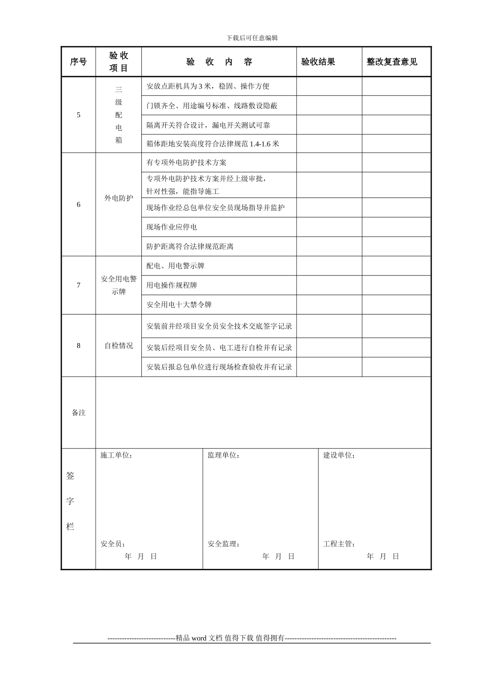
下载后可任意编辑附表三; 施 工 用 电 安 全 监 理 检 查 表 工程名称施工单位验收项目三级配电装置, TN-S 接零保护系统自检情况日 期验收小组甲方项目安全员电工监理序号验 收项 目验 收 内 容验收结果整改复查意见1临 电方 案有临电组织设计并经上级审批,针对性强,能指导施工有临电安装技术交底记录,并有签字记录。安装人员具有合格有效的电工特行证件2一级配电箱(柜)总电缆,采纳三相五线制配电,采纳 TN-S 保护接零系统箱内设电压表、电流表、电度表有配齐全,防弧罩、隔电板,线路不漏铜线隔离、漏电参数符合设计、法律规范要求各回路编号字迹清楚、实际相符所配开关、线路符合,粘贴配电系统图所配线路按设计法律规范埋设,人、车行通道符合要求有防雨、防晒、软硬防护棚(房),地面高 200mm,采纳绝缘板,外设排水沟箱、柜门、防护门齐全,钥匙专人看管箱、柜门有“非电工禁止操作”警示牌防护门、(房)有“安全用电十大禁令牌”3照明配电是从一级总隔离开关引出设专用照明配电总箱办公区、生活区、现场照明独立配置照明开关箱照明箱内采纳隔离开关,漏电开关符合要求4二级箱(柜)采纳三相五线制配电,三级箱保护零线接入零地排所配线路按设计法律规范埋设,人、车行通道符合要求配电开关、线路合格,并粘贴配电系统图各回路编号字迹清楚、实际相符有防雨、防晒、软硬防护棚(房),地面高 200mm,采纳绝缘板,外设排水沟箱、柜门、防护门齐全,钥匙专人看管箱、柜门有“非电工禁止操作”警示牌防护门、(房)有“安全用电十大禁令牌”----------------------------精品 word 文档 值得下载 值得拥有----------------------------------------------下载后可任意编辑序号验 收 项 目验 收 内 容验收结果整改复查意见5三级配电箱安放点距机具为 3 米,稳固、操作方便门锁齐全、用途编号标准、线路敷设隐蔽隔离开关符合设计,漏电开关测试可靠箱体距地安装高度符合法律规范 1.4-1.6 米6外电防护有专项外电防护技术方案专项外电防护技术方案并经上级审批,针对性强,能指导施工现场作业经总包单位安全员现场指导并监护现场作业应停电防护距离符合法律规范距离7安全用电警示牌配电、用电警示牌用电操作规程牌安全用电十大禁令牌8自检情况安装前并经项目安全员安全技术交底签字记录安装后经项目安全员、电工进行自检并有记录安装后报总包单位进行现场检查验收并有记录备注签字栏施工单位;安...

1、当您付费下载文档后,您只拥有了使用权限,并不意味着购买了版权,文档只能用于自身使用,不得用于其他商业用途(如 [转卖]进行直接盈利或[编辑后售卖]进行间接盈利)。
2、本站所有内容均由合作方或网友上传,本站不对文档的完整性、权威性及其观点立场正确性做任何保证或承诺!文档内容仅供研究参考,付费前请自行鉴别。
3、如文档内容存在违规,或者侵犯商业秘密、侵犯著作权等,请点击“违规举报”。

碎片内容

A003;施工用电安全监理检查表

您可能关注的文档

确认删除?
VIP
微信客服
  • 扫码咨询
会员Q群
  • 会员专属群点击这里加入QQ群
客服邮箱
回到顶部