电脑桌面
添加小米粒文库到电脑桌面
安装后可以在桌面快捷访问

DLT5168—2002-110kV-500kV-架空电力线路工程施工质量及评定规程VIP专享VIP免费

DLT5168—2002-110kV-500kV-架空电力线路工程施工质量及评定规程_第1页
1/60
DLT5168—2002-110kV-500kV-架空电力线路工程施工质量及评定规程_第2页
2/60
DLT5168—2002-110kV-500kV-架空电力线路工程施工质量及评定规程_第3页
3/60
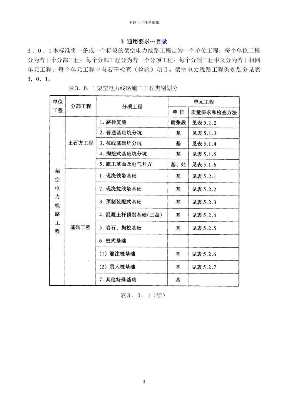
下载后可任意编辑110kV~500kV 架空电力线路工程施工质量及评定规程DL/T5168—2024目录1 范围2 法律规范性引用文件3 通用要求4 质量检验评定范围5 质量检验评定标准及检查方法6 原材料及器材检验附录 A 路径复测、基础分坑及开挖检查记录表 附录 B 线路工程施工质量检查及评级记录表 附录 C 线路工程施工质量评级统计表 1下载后可任意编辑1 范 围… 目录 1.0.1 本标准系架空电力线路工程施工质量检验及评定标准,包括土石方工程、基础工程、杆塔工程、架线工程、接地工程、线路防护设施与原材料及器材检验等方面,规定了质量检验评定标准及检查方法。1.0.2 本标准适用于 110kV~500kV 沟通和直流架空电力线路新建工程的施工质量检验及等级评定,对其他电压等级无专业标准的工程亦可参照执行。2 法律规范性引用文件… 目录 下列文件中的条款通过本标准的引用而成为本标准的条款。凡是注日期的引用文件,其随后所有的修改单(不包括勘误的内容)或修订版均不适用于本标准,然而,鼓舞根据本标准达成协议的各方讨论是否可使用这些文件的最新版本。凡是不注日期的引用文件,其最新版本适用于本标准。 GB 772 高压绝缘子瓷件技术条件 GB/T775.2 绝缘子试验方法第 2 部分:电气试验方法 GB/T 775.3 绝缘子试验方法第 3 部分:机械试验方法 GB 1001 盘形悬式绝缘子技术条件 GB/T1179 圆线同心绞架空导线 GB 2314 电力金具通用技术条件 GB/ T2315-2000 电力金具标称破坏载荷系列及连接型式尺寸 GB/T 2317.4 电力金具验收规则,标志与包装 GB 50205 钢结构工程施工质量验收法律规范 GBJ 233-1990 110 - 500kV 架空电力线路施工及验收法律规范 DL/T683-1999 电力金具产品型号命名方法 DL/T696-1999 软母线固定金具 JGJ 4-1980 工业与民用建筑灌注桩基础设计与施工规程 JGJ 53-1992 普通混凝土用碎石或卵石质量标准及检验方法2下载后可任意编辑3 通用要求… 目录 3 .0 .1 本标准将一条或一个标段的架空电力线路工程定为一个单位工程;每个单位工程分为若干个分部工程;每个分部工程分为若干个分项工程;每个分项工程中又分为若干相同单元工程;每个单元工程中有若干检查(检验)项目。架空电力线路工程类别划分见表3.0.1。表 3.0.1 架空电力线路施工工程类别划分表 3 .0 .1(续)3下载后可任意编辑3.0.2 检查(检验)项目分类原因: 检查(检验)项目分为...

1、当您付费下载文档后,您只拥有了使用权限,并不意味着购买了版权,文档只能用于自身使用,不得用于其他商业用途(如 [转卖]进行直接盈利或[编辑后售卖]进行间接盈利)。
2、本站所有内容均由合作方或网友上传,本站不对文档的完整性、权威性及其观点立场正确性做任何保证或承诺!文档内容仅供研究参考,付费前请自行鉴别。
3、如文档内容存在违规,或者侵犯商业秘密、侵犯著作权等,请点击“违规举报”。

碎片内容

DLT5168—2002-110kV-500kV-架空电力线路工程施工质量及评定规程

确认删除?
VIP
微信客服
  • 扫码咨询
会员Q群
  • 会员专属群点击这里加入QQ群
客服邮箱
回到顶部