电脑桌面
添加小米粒文库到电脑桌面
安装后可以在桌面快捷访问

京沈客专施工组织设计VIP专享VIP免费

京沈客专施工组织设计_第1页
1/195
京沈客专施工组织设计_第2页
2/195
京沈客专施工组织设计_第3页
3/195
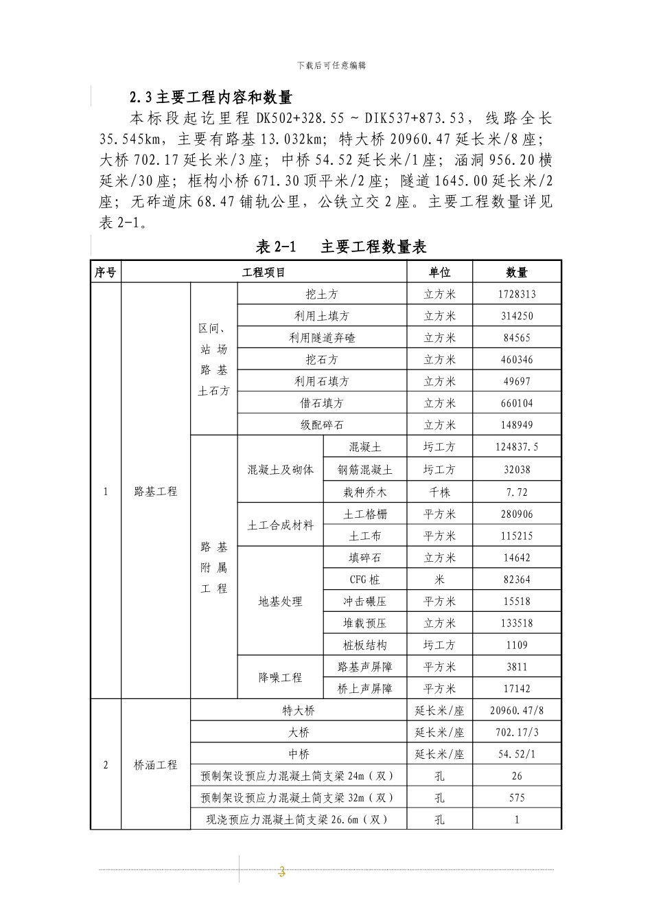
1下载后可任意编辑实施性施工组织设计1.编制依据、编制范围及设计概况1.1 编制依据⑴ 新建北京至沈阳铁路客运专线辽宁段站前工程招标文件及招标补遗、指导性施工组织设计、工程量清单等。⑵ 新建北京至沈阳铁路客运专线辽宁段站前工程 8 标投标文件、中标通知书、施工合同、已到施工图纸、本标段各方协议及设计交底。⑶ 国家、地方有关方针政策和国家、铁路总公司有关法律规范、规程及验标等。⑷ 现场踏勘了解的情况。⑸ 我单位经认证中心认证的质量管理体系、职业健康安全管理体系、环境管理体系。⑹ 我单位施工能力及类似工程施工工法、科技成果和经验;国内外相关铁路的施工工艺及科研成果;我单位为完成本标段工程拟投入的管理人员、专业技术人员、机械设备等资源。1.2 编制范围新建铁路北京至沈阳客运专线辽宁段 TJ-8 标段起讫里程DK502+328.55~DIK537+873.53,正线全长 35.545km。其中路基工程13.032km;特大桥 20960.47 延长米/8 座;大桥 702.17 延长米/3 座;中桥 54.52 延长米/1 座;涵洞 956.20 横延米/30 座;框构小桥671.30 顶平米/2 座;隧道 1645.00 延长米/2 座;无砟道床 68.47 铺轨公里,公铁立交 2 座;其他运营设施;站场工程;DK492+267.50~DK605+320.95 段三电迁改工程;相关的大型临时设施和汽车运输便道、材料厂、制(存)箱梁场、混凝土集中拌和站、级配碎石集中拌和站等;标段内站前站后接口工程。1.3 设计概况⑴2024 年 10 月 31 日国家发改委批复了项目建议书(发改基础[2024]2766 号)。⑵2024 年 12 月 24 日国家发改委批复可研(发改基础[2024] 2612 号)。可研批复京沈客专辽宁段正线静态投资 442.7 亿元,沈阳枢纽正线静态投资 9.3 亿元,沈阳枢纽相关工程静态投资 22.4 亿元,项目建设总工期为 5 年。⑶2024 年 4 月 29 日铁路总公司以《中国铁路总公司关于新建北京至沈阳铁路客运专线河北、辽宁段站前工程初步设计的批复》21下载后可任意编辑(铁总办函〔2024〕477 号)批复初步设计,总工期 5 年,辽宁段站前工程初步设计总概算 454.08 亿元,其中静态投资 391.59 亿元。2.工程概况2.1 线路概况新建北京至沈阳铁路客运专线,线路自北京铁路枢纽星火站引出,经北京市顺义区、怀柔区、密云县和河北省承德市、辽宁省朝阳市、阜新市等,沿既有沈山铁路引入沈阳站。京沈客专辽宁段 TJ-8 标段起讫里程 DK502+328.55~DIK537+873.53,线路...

1、当您付费下载文档后,您只拥有了使用权限,并不意味着购买了版权,文档只能用于自身使用,不得用于其他商业用途(如 [转卖]进行直接盈利或[编辑后售卖]进行间接盈利)。
2、本站所有内容均由合作方或网友上传,本站不对文档的完整性、权威性及其观点立场正确性做任何保证或承诺!文档内容仅供研究参考,付费前请自行鉴别。
3、如文档内容存在违规,或者侵犯商业秘密、侵犯著作权等,请点击“违规举报”。

碎片内容

京沈客专施工组织设计

确认删除?
VIP
微信客服
  • 扫码咨询
会员Q群
  • 会员专属群点击这里加入QQ群
客服邮箱
回到顶部