电脑桌面
添加小米粒文库到电脑桌面
安装后可以在桌面快捷访问

大工14秋《土木工程实验(一)》实验报告VIP免费

大工14秋《土木工程实验(一)》实验报告_第1页
1/8
大工14秋《土木工程实验(一)》实验报告_第2页
2/8
大工14秋《土木工程实验(一)》实验报告_第3页
3/8
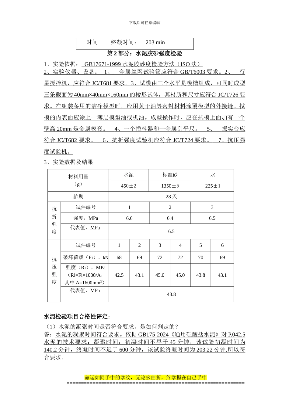
下载后可任意编辑姓 名: 卞春平 报名编号:C0802501101411303000271学习中心:奥鹏远程教育南京学习中心(直属) [27]VIP 层 次: 高起专 专 业: 建筑工程技术 实验一:水泥实验一、实验目的:学习水泥性质的检验方法,熟悉水泥的主要技术性质,检验水泥是否合格。二、实验内容:第 1 部分:水泥标准稠度用水量、凝聚时间测定实验仪器、设备:( 1 ) 水泥净浆搅拌机 (符合 JC/T729 要求);( 2 )标准法 维 卡仪 及水泥净浆试模;( 3 )代用法维卡仪(符合 JT/T727 要求);( 4 )雷氏 夹;( 5 )雷氏夹膨胀测定仪;( 6 )沸煮箱;( 7 )量水器(取小刻度 0.1ml 精 度 1% );( 8 )天平(最大称量不小于 1000g , 分度值 不大于 1g )。 1、水泥标准稠度用水量(1)实验原理: 水泥净浆对标准试杆的沉入具有一定的阻力,通过试验含有不同水量的水泥净浆对试杆阻力的不同,可确定水泥净浆达到标准稠度时所需要的水(2)实验数据及结果不变水量法用水量 W(mL)142.5mL试锥沉入值 S(mm)35标稠用水量 P(%)P= 33.4—0.185SP= 33.4—0.185×35=26.9252、水泥凝聚时间测定(1)实验原理:答:1 . 水泥凝聚:水泥和水以后,发生一系列物理与化学变化 , 随着水泥水化反应的进行,水泥浆体逐渐失去流动性、可塑性,进而凝固称具有一定强度的硬化体,这一过程成为水泥的凝聚。水泥凝聚时间,在工程应用上需要测定其标准稠度净浆的初凝时间和终凝时间。 2. 凝聚反常:有两种不正 常的凝聚现象,即假凝(粘凝)和瞬凝(急凝)。 ① 假凝特征:水泥和水后的 几分钟内就发生凝固,且没有明显的温度上升现象; ② 瞬凝特征:水泥和水后 浆体很快凝聚成为一种很粗糙、和易性差的混合物,并在大量的放热情况下和凝固 。 (2)实验数据及结果凝聚初凝时间: 140 min命运如同手中的掌纹,无论多曲折,终掌握在自己手中==============================================================下载后可任意编辑时间终凝时间: 203 min第 2 部分:水泥胶砂强度检验1、实验依据: GB17671-1999 水泥胶砂度检验方法( ISO 法) 2 、实验仪器、设备: 1 、 金属丝网试验筛应符合 GB/T6003 要求。 2 、 行 星搅拌机,应符合 JC/T681 要求。 3 、试模由三个水平是模槽组成,可同时成型 三条截面为 40mm×40mm×160mm 的棱形试体,其材质和尺寸应符合 JC/T72...

1、当您付费下载文档后,您只拥有了使用权限,并不意味着购买了版权,文档只能用于自身使用,不得用于其他商业用途(如 [转卖]进行直接盈利或[编辑后售卖]进行间接盈利)。
2、本站所有内容均由合作方或网友上传,本站不对文档的完整性、权威性及其观点立场正确性做任何保证或承诺!文档内容仅供研究参考,付费前请自行鉴别。
3、如文档内容存在违规,或者侵犯商业秘密、侵犯著作权等,请点击“违规举报”。

碎片内容

大工14秋《土木工程实验(一)》实验报告

一二三四传媒+ 关注
实名认证
内容提供者

大量资料供您选择,没有合适的可以联系小二。

确认删除?
VIP
微信客服
  • 扫码咨询
会员Q群
  • 会员专属群点击这里加入QQ群
客服邮箱
回到顶部