电脑桌面
添加小米粒文库到电脑桌面
安装后可以在桌面快捷访问

建筑施工用电检查标准VIP免费

建筑施工用电检查标准_第1页
1/9
建筑施工用电检查标准_第2页
2/9
建筑施工用电检查标准_第3页
3/9
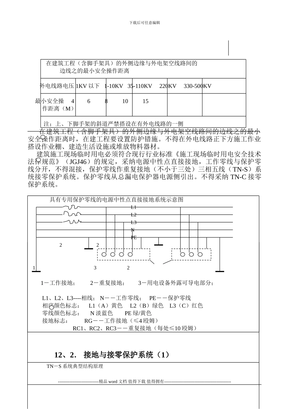
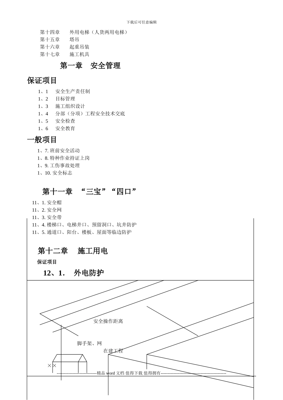
下载后可任意编辑本页为作品封面,下载后可以自由编辑删除,欢迎下载!!! 精 品文档1【精品 word 文档、可以自由编辑!】 建筑施工《安全检查标准》JGJ59-99 图解 2024、5 月 目录第一章安全管理 第二章文明施工 第三章落地式外脚手架 第四章悬挑式脚手架 第五章门型脚手架 第六章挂脚手架 第七章吊篮脚手架 第八章附着式升降脚手架 第九章基坑支护 第十章模板工程 第十一章 “三宝”“四口” 第十二章 施工用电 第十三章 物料提升机(龙门架、井字架)----------------------------精品 word 文档 值得下载 值得拥有----------------------------------------------下载后可任意编辑第十四章 外用电梯(人货两用电梯)第十五章 塔吊 第十六章 起重吊装 第十七章 施工机具 第一章 安全管理 保证项目1、1安全生产责任制 1、2目标管理 1、3施工组织设计 1、4分部(分项)工程安全技术交底 1、5安全检查 1、6安全教育 一般项目 1、7. 班前安全活动 1、8. 特种作业持证上岗 1、9. 工伤事故处理 1、10. 安全标志 第十一章 “三宝”“四口” 11、1. 安全帽 11、2. 安全网 11、3. 安全带 11、4. 楼梯口、电梯井口、预留洞口、坑井防护 11、5. 通道口、阳台、楼板、屋面等临边防护 第十二章 施工用电 保证项目 12、1. 外电防护 安全操作距离 脚手架、网 在建工程 ×× ----------------------------精品 word 文档 值得下载 值得拥有----------------------------------------------下载后可任意编辑 在建筑工程(含脚手架具)的外侧边缘与外电架空线路间的边线之的最小安全操作距离 外电线路电压 1KV 以下 1-10KV 35-110KV 220KV 330-500KV 最小安全操 4 6 8 10 15 作距离(M) 注;上、下脚手架的斜道严禁搭设在有外电线路的一侧 在建筑工程(含脚手架具)的外侧边缘与外电架空线路间的边线之的最小安全操作距离时,在建工程要设置防护错施。不得在外电线路正下方施工作业搭设作业棚、建造生活设施或堆放物料器材。 建筑施工现场临时用电必须符合现行行业标准《施工现场临时用电安全技术法律规范》(JGJ46)的规定,采纳电源中性点直接接地,工作零线与保护零线分开,不得混接,保护零线作重复接地(不小于三处)三相五线(TN-S)系统接零保护系统。保护零线从总漏电保护器电源侧引出。不得采纳 TN-C 接零保护系统。 具有专用保护零线的电源中性...

1、当您付费下载文档后,您只拥有了使用权限,并不意味着购买了版权,文档只能用于自身使用,不得用于其他商业用途(如 [转卖]进行直接盈利或[编辑后售卖]进行间接盈利)。
2、本站所有内容均由合作方或网友上传,本站不对文档的完整性、权威性及其观点立场正确性做任何保证或承诺!文档内容仅供研究参考,付费前请自行鉴别。
3、如文档内容存在违规,或者侵犯商业秘密、侵犯著作权等,请点击“违规举报”。

碎片内容

建筑施工用电检查标准

您可能关注的文档

确认删除?
VIP
微信客服
  • 扫码咨询
会员Q群
  • 会员专属群点击这里加入QQ群
客服邮箱
回到顶部