电脑桌面
添加小米粒文库到电脑桌面
安装后可以在桌面快捷访问

思遵11标桥梁施工安全专项方案VIP专享VIP免费

思遵11标桥梁施工安全专项方案_第1页
1/14
思遵11标桥梁施工安全专项方案_第2页
2/14
思遵11标桥梁施工安全专项方案_第3页
3/14
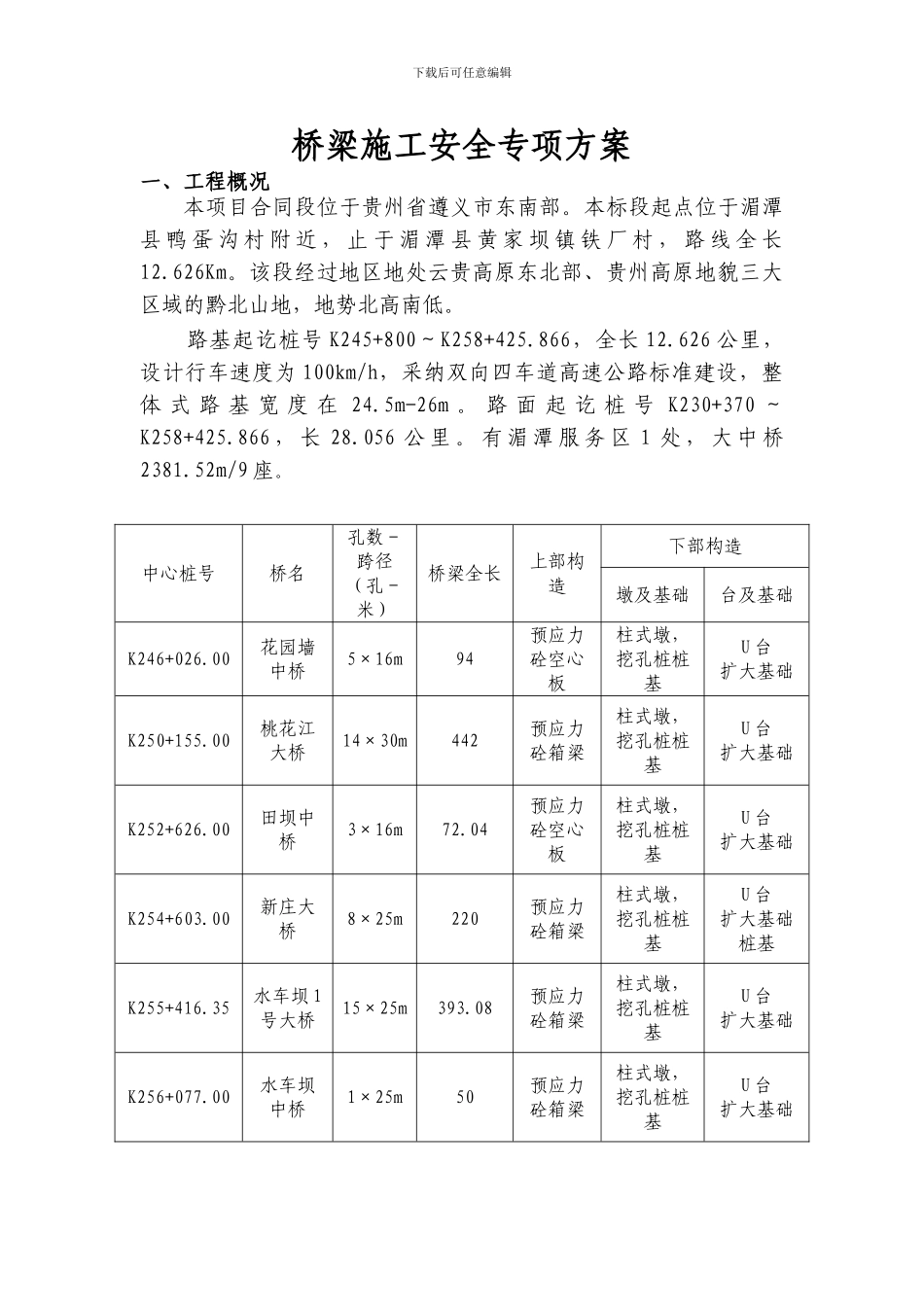
下载后可任意编辑杭州至瑞丽高速公路思南至遵义段桥梁施工安全专项方案 审批: 杨东鹏 审核: 李雨 芃 编制: 于广亮 路桥集团国际建设股份有限公司思南至遵义高速公路 SZTJ-11 合同段贵 州 公 路 建 设 项 目杭州至瑞丽国家高速公路贵州境思南至遵义段下载后可任意编辑安全专项方案申报批复单承包单位:路桥集团国际建设股份有限公司 合同号:SZTJ-11监理单位:重庆育才工程咨询监理有限公司 编 号:致(监理工程师): 现报上 桥梁施工 安全专项方案,预案详细说明,请予审查和批准。附件:安全专项方案。 承包人: 年 月 日[ ]审定[ ]转报[ ] 同意 附言:[ ] 修改后再报[ ] 不同意 专业监理工程师: 年 月 日[ ]审定[ ]转报[ ] 同意 附言:[ ] 修改后再报[ ] 不同意 高级监理工程师: 年 月 日总监办意见: 签 名: 年 月 日下载后可任意编辑桥梁施工安全专项方案一、工程概况本项目合同段位于贵州省遵义市东南部。本标段起点位于湄潭县 鸭 蛋 沟 村 附 近 , 止 于 湄 潭 县 黄 家 坝 镇 铁 厂 村 , 路 线 全 长12.626Km。该段经过地区地处云贵高原东北部、贵州高原地貌三大区域的黔北山地,地势北高南低。路基起讫桩号 K245+800~K258+425.866,全长 12.626 公里,设计行车速度为 100km/h,采纳双向四车道高速公路标准建设,整体 式 路 基 宽 度 在 24.5m-26m 。 路 面 起 讫 桩 号 K230+370 ~K258+425.866 , 长 28.056 公 里 。 有 湄 潭 服 务 区 1 处 , 大 中 桥2381.52m/9 座。 中心桩号桥名孔数-跨径(孔-米)桥梁全长上部构造下部构造墩及基础台及基础K246+026.00花园墙中桥5×16m94预应力砼空心板柱式墩,挖孔桩桩基U 台扩大基础K250+155.00桃花江大桥14×30m442预应力砼箱梁柱式墩,挖孔桩桩基U 台扩大基础K252+626.00田坝中桥3×16m72.04预应力砼空心板柱式墩,挖孔桩桩基U 台扩大基础K254+603.00新庄大桥8×25m220预应力砼箱梁柱式墩,挖孔桩桩基U 台扩大基础桩基K255+416.35水车坝 1号大桥15×25m393.08预应力砼箱梁柱式墩,挖孔桩桩基U 台扩大基础K256+077.00水车坝中桥1×25m50预应力砼箱梁柱式墩,挖孔桩桩基U 台扩大基础下载后可任意编辑K256+324.00水车坝 2号大桥5×25m142预应力砼箱梁柱式墩,挖孔桩桩基U 台扩大基础K257+895.00铁厂大桥29×30m886预应力砼箱梁柱式墩、薄壁墩...

1、当您付费下载文档后,您只拥有了使用权限,并不意味着购买了版权,文档只能用于自身使用,不得用于其他商业用途(如 [转卖]进行直接盈利或[编辑后售卖]进行间接盈利)。
2、本站所有内容均由合作方或网友上传,本站不对文档的完整性、权威性及其观点立场正确性做任何保证或承诺!文档内容仅供研究参考,付费前请自行鉴别。
3、如文档内容存在违规,或者侵犯商业秘密、侵犯著作权等,请点击“违规举报”。

碎片内容

思遵11标桥梁施工安全专项方案

确认删除?
VIP
微信客服
  • 扫码咨询
会员Q群
  • 会员专属群点击这里加入QQ群
客服邮箱
回到顶部