电脑桌面
添加小米粒文库到电脑桌面
安装后可以在桌面快捷访问

通用GM泛亚PATAC车身密封防腐设计VIP免费

通用GM泛亚PATAC车身密封防腐设计_第1页
1/14
通用GM泛亚PATAC车身密封防腐设计_第2页
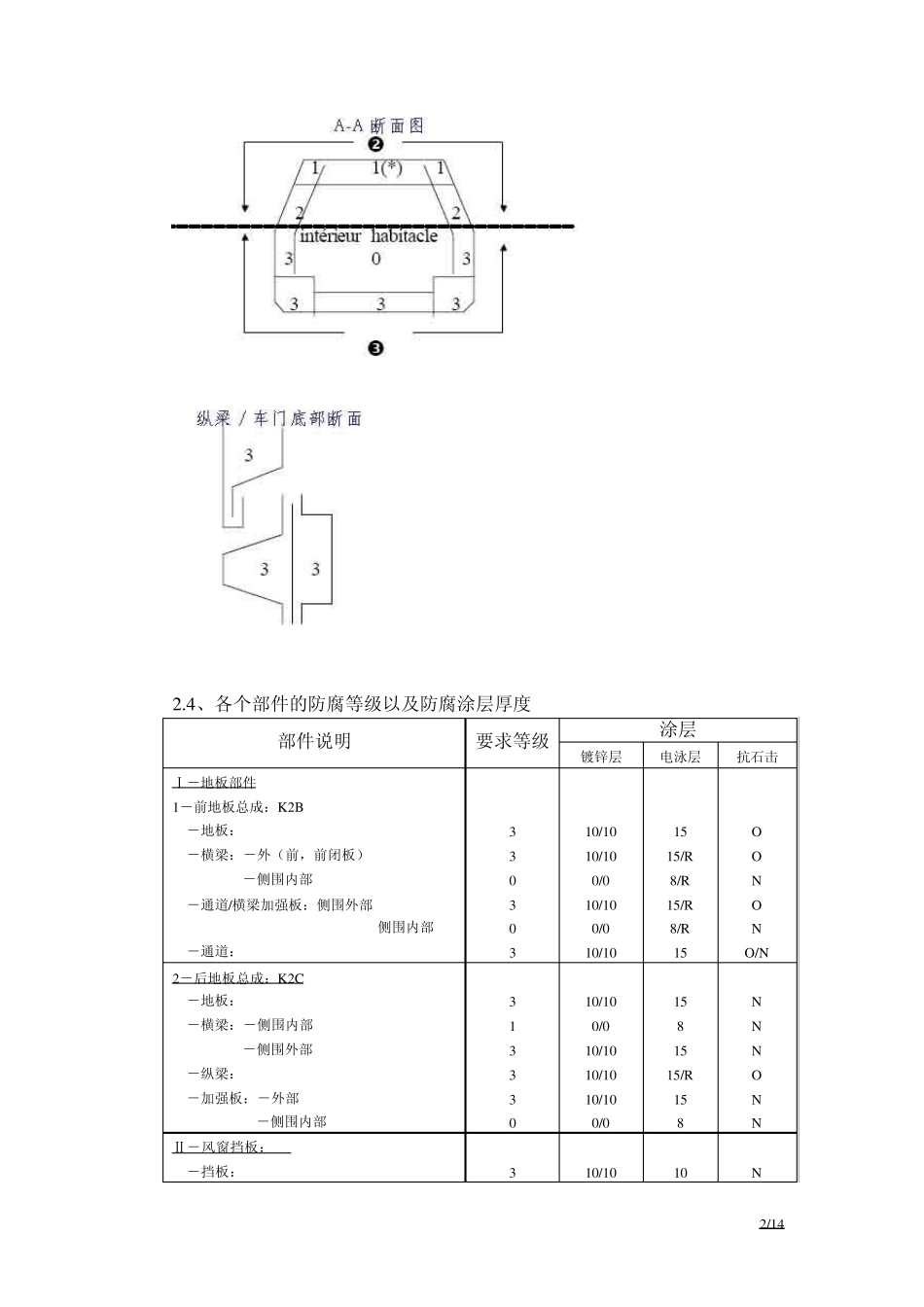
2/14
通用GM泛亚PATAC车身密封防腐设计_第3页
3/14
1/14 通用 GM 泛亚 PATAC 车身密封防腐设计 车身防腐性能是决定车身使用寿命的重要指标。由于车身在行驶中经常受到高速石子的撞击,还经历潮湿和酸碱环境,要使整车满足设计任务书的要求,必须要分析车身各个部件在使用中的腐蚀风险,从结构设计和材料选择开始,确保防腐材料在整车(白车身)零部件上的可实施性。 一.PSA 的防腐目标  保证零件 16 年的安全运行(售后 15 年+1 年商品化前的整车库存) 判断的标准:60 个 CAV 循环  保证 13 年无穿孔(售后 12 年+1 年商品化前的整车库存),按照国标 QC/T 484—1999,车身耐腐蚀性要求是 8 无穿孔年。 判断的标准:60 个 CAV 循环  客户可见的零件 6 年无红锈腐蚀现象(售后 5 年+1 年商品化前的整车库存) 判断的标准:30 个 CAV 循环 二.车身防腐区域划分 2.1、通常将车身分为 4 个级别 -0 级:没有要求区域 -1 级:腐蚀较弱区域 -2 级:一般要求区域 -3 级:强腐蚀要求区域 2.2、对于外观腐蚀风险划分为 3 个等级 -A 级:弱风险区 -B 级:一般风险区 -C 级:强风险区 2.3、车身腐蚀等级图示 2/14 2.4、各个部件的防腐等级以及防腐涂层厚度 部件说明 要求等级 涂层 镀锌层 电泳层 抗石击 Ⅰ-地板部件 1-前地板总成:K2B -地板: -横梁:-外(前,前闭板) -侧围内部 -通道/横梁加强板:侧围外部 侧围内部 -通道: 3 3 0 3 0 3 10/10 10/10 0/0 10/10 0/0 10/10 15 15/R 8/R 15/R 8/R 15 O O N O N O/N 2-后地板总成:K2C -地板: -横梁:-侧围内部 -侧围外部 -纵梁: -加强板:-外部 -侧围内部 3 1 3 3 3 0 10/10 0/0 10/10 10/10 10/10 0/0 15 8 15 15/R 15 8 N N N O N N Ⅱ-风窗挡板:K3A -挡板: 3 10/10 10 N 3/14 -风窗: -加强板:-侧围内部 -侧围外部 3 0 3 10/10 0/0 10/10 10 8 10 N N N Ⅲ-前翼子板里板:K3B -里板: -轮罩: -纵梁: -支架: 3 3 3 3 10/10 10/10 10/10 10/10 10 15 15 15 N O O O Ⅳ-前翼子板:K3C -翼子板: 3&C 8/8 20 N Ⅴ-前脸 -前脸: -横梁: -梁: -隔板: 3 3 2 3 10/10 10/10 10/10 10/10 15 15/R 15 15 N N N N Ⅵ-车身侧围:K4A,K4B,K4F,K4G -侧围:-上部 -中部...

1、当您付费下载文档后,您只拥有了使用权限,并不意味着购买了版权,文档只能用于自身使用,不得用于其他商业用途(如 [转卖]进行直接盈利或[编辑后售卖]进行间接盈利)。
2、本站所有内容均由合作方或网友上传,本站不对文档的完整性、权威性及其观点立场正确性做任何保证或承诺!文档内容仅供研究参考,付费前请自行鉴别。
3、如文档内容存在违规,或者侵犯商业秘密、侵犯著作权等,请点击“违规举报”。

碎片内容

通用GM泛亚PATAC车身密封防腐设计

小辰3+ 关注
实名认证
内容提供者

出售各种资料和文档

确认删除?
VIP
微信客服
  • 扫码咨询
会员Q群
  • 会员专属群点击这里加入QQ群
客服邮箱
回到顶部