电脑桌面
添加小米粒文库到电脑桌面
安装后可以在桌面快捷访问

道路桥梁交通工程课程设计30m预应力钢筋混凝土简支T型梁设计VIP免费

道路桥梁交通工程课程设计30m预应力钢筋混凝土简支T型梁设计_第1页
1/22
道路桥梁交通工程课程设计30m预应力钢筋混凝土简支T型梁设计_第2页
2/22
道路桥梁交通工程课程设计30m预应力钢筋混凝土简支T型梁设计_第3页
3/22
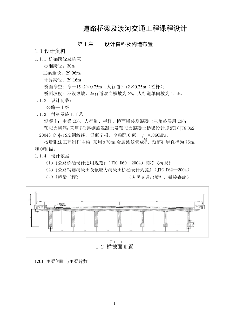
1 道路桥梁及渡河交通工程课程设计 第 1 章 设计资料及构造布置 1.1 设计资料 1.1.1 桥梁跨径及桥宽 标准跨径:30m; 主梁全长:29.96m ; 计算跨径:29.16m ; 桥面净空:净—15+2×0.75m (人行道)+2×0.25m (栏杆); 桥面坡度:不设纵坡,车行道双向横坡为 2%,人行道单向坡为 1.5%。 1.1.2 设计荷载: 公路—Ⅰ级 1.1.3 材料及施工工艺 混凝土:主梁C50,人行道、栏杆、桥面铺装及混凝土三角垫层用 C30; 预应力钢筋:采用《公路钢筋混凝土及预应力混凝土桥梁设计规范》(JTG D62—2004)的2.15s钢绞线,每束 7 根,全梁配 6 束,pkf=1860MPa。 按后张法工艺制作主梁,采用 70mm 金属波纹管成孔,预留孔道直径为 75mm和 OVM 锚。 1.1.4 设计依据 (1)《公路桥涵设计通用规范》(JTG D60—2004)简称《桥规》 (2)《公路钢筋混凝土及预应力混凝土桥涵设计规范》(JTG D62—2004) (3)《桥梁工程》 (人民交通出版社,姚铃森编) 图 1.1.1 1.2 横截面布置 1 .2 .1 主梁间距与主梁片数 2 主梁间距通常应随着梁高与跨径的增加而加宽为经济,由此可提高主梁截面效率指标值,采用主梁间距2.3m,考虑人行道可以适当挑出,考虑设计资料给定的桥面净宽选用7 片主梁,其横截面布置形式图1.2.1。 图1 .2 .1 1 .2 .2 主梁尺寸拟定 1.2.2.1 主梁高度 预应力混凝土简支梁桥的主梁高度与其跨径之比在 1/15~1/25 之间,标准设计中一般取为1/16~1/18。所以梁高取用175cm。 1 .2 .2 .2 主梁腹板的厚度 在预应力混凝土梁中,梁中腹板内主拉应力较小,腹板厚度翼板由布置预制孔管的构造决定,同时从腹板本身的稳定要求出发,腹板厚度一般不宜小于其高度的1/15。本设计采用16cm.在跨中区段梁腹板下部设置马蹄,设计实践表明马蹄面积与截面面积以10%-20%为宜,马蹄宽:36cm,高:30cm。 1 .2 .3 翼板尺寸拟定 在接近梁的两端的区段内,为满足预应力束筋布置锚具的需要,肋厚应逐渐扩展加厚,其过渡段长度不宜小于 12 倍肋板的增加厚度。 预应力混凝土 T 梁的下缘,为了满足布置预应力束筋的要求,要扩大成马蹄形,马蹄的尺寸应该满足预应力各个阶段的强度要求。由于马蹄形部分承受预应力锚具的局部荷载作用,其尺寸不宜过小,否则在施 工 中易 形成水 平 纵 向 裂 缝 , 3 因此马蹄面积一般应占截面总面积的10%-20%。拟定马蹄宽度为40cm,高度为26cm...

1、当您付费下载文档后,您只拥有了使用权限,并不意味着购买了版权,文档只能用于自身使用,不得用于其他商业用途(如 [转卖]进行直接盈利或[编辑后售卖]进行间接盈利)。
2、本站所有内容均由合作方或网友上传,本站不对文档的完整性、权威性及其观点立场正确性做任何保证或承诺!文档内容仅供研究参考,付费前请自行鉴别。
3、如文档内容存在违规,或者侵犯商业秘密、侵犯著作权等,请点击“违规举报”。

碎片内容

道路桥梁交通工程课程设计30m预应力钢筋混凝土简支T型梁设计

小辰4+ 关注
实名认证
内容提供者

出售各种资料和文档

确认删除?
VIP
微信客服
  • 扫码咨询
会员Q群
  • 会员专属群点击这里加入QQ群
客服邮箱
回到顶部