电脑桌面
添加小米粒文库到电脑桌面
安装后可以在桌面快捷访问

机器人技术大作业puma机器人的关节坐标建立、D-H参数表给出、正逆运动学推导、matlab工作空间建立VIP免费

机器人技术大作业puma机器人的关节坐标建立、D-H参数表给出、正逆运动学推导、matlab工作空间建立_第1页
1/7
机器人技术大作业puma机器人的关节坐标建立、D-H参数表给出、正逆运动学推导、matlab工作空间建立_第2页
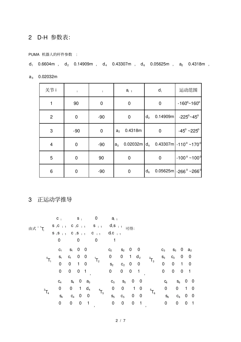
2/7
机器人技术大作业puma机器人的关节坐标建立、D-H参数表给出、正逆运动学推导、matlab工作空间建立_第3页
3/7
1 / 7 PUMA 机器人大作业1坐标系建立:坐标系可以简化为:2 / 7 2D-H 参数表:PUMA 机器人的杆件参数:1d0.6604m ,2d0.14909m ,4d0.43307m,6d0.05625m,2a0.4318m,3a0.02032m关节 iii1iaid运动范围190000-160o~160o20-9002d0.14909m-225o~45o3-9002a0.4318m0-45o ~225o40-903a0.02032m4d0.43307m -110 o ~170 o509000-100 o ~100 o60-9006d0.05625m -266 o ~266 o3正运动学推导由式111111111100001iiiiiiiiiiiiiiiiiiicsas cc csd sTs sc scd c可得:111101000000100001csscT,222122200001000001csdTsc,332332300000100001csascT443434440001000001csadTsc,554555000010000001csTsc,665666000010000001csTsc3 / 7 00123456123456TT TT TTT机械手变换矩阵060001xxxxyyyyzzzznoapnoapTnoap23654 16412365 1654164 123654 164 12365 1654 1641236546423 65()()()xyzncc c c cs s cs c s cc c s ss c sncc c c ss s ss c s sc c s cs c cnsc c cs sc c s23654164 123 651654 164 123654 16412365 1645 164 1236546423 65()()()xyzocs c c cc s cs s s cs c s sc c socs c c sc s ss s s ss s c cc c coss c cs sc c s235 4123 5154 123 54 1235 154123523 54xyzac s c cs c cs s sac s c ss c ss s cac cs s c323 122 1423 12 1323 122 1423 12142332322xyzpa c ca c cd s cd spa c sa c sd s sd cpd ca sa s4逆运动学推导1.求1用逆变换011T左乘方程00123456123456TT TT TTT 两边:01 0123451623456TTTT TT T1111160000001000010001xxxxyyyyzzzzcsnoapscnoapTnoap得112xys pc pd三角代换cosxp,sinyp4 / 7 式中,22xypp ,tan 2(,)xyapp得到1 的解222122a tan2(,)atan2(,)yxxyppdppd2.求3矩阵方程两端的元素(1,4)和( 2,4)分别对应相等113232242342332322xyzc ps pa ca cd spd ca sa s平方和为:4333d sa ck其中2222222242322xyzpppddaaka解得:22233443atan2(,)a tan2( ,)a dkdak3.求2在矩阵方程00123456123456TT TT TT T 两边左乘逆变换013T。01 034536456TTTT T1231232323123123232336112000010001xxxxyyyyzzzzc cscsa cnoapc ss sca snoapTscdnoap方程两边的元素(1,4)和( 3,4)分别对应相等,得1231 2323323...

1、当您付费下载文档后,您只拥有了使用权限,并不意味着购买了版权,文档只能用于自身使用,不得用于其他商业用途(如 [转卖]进行直接盈利或[编辑后售卖]进行间接盈利)。
2、本站所有内容均由合作方或网友上传,本站不对文档的完整性、权威性及其观点立场正确性做任何保证或承诺!文档内容仅供研究参考,付费前请自行鉴别。
3、如文档内容存在违规,或者侵犯商业秘密、侵犯著作权等,请点击“违规举报”。

碎片内容

机器人技术大作业puma机器人的关节坐标建立、D-H参数表给出、正逆运动学推导、matlab工作空间建立

确认删除?
VIP
微信客服
  • 扫码咨询
会员Q群
  • 会员专属群点击这里加入QQ群
客服邮箱
回到顶部