电脑桌面
添加小米粒文库到电脑桌面
安装后可以在桌面快捷访问

机柜理线详细介绍讲解VIP专享VIP免费

机柜理线详细介绍讲解_第1页
1/8
机柜理线详细介绍讲解_第2页
2/8
机柜理线详细介绍讲解_第3页
3/8
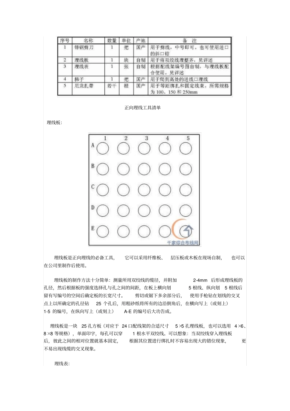
机柜理线详细介绍机柜内的水平双绞线位于机柜的后侧。过去, 这些双绞线不进行整理,或进行简单的绑扎后立即上配线架, 那时,从机柜的背后看去,水平双绞线就象瀑布一样垂荡在那里,或由数根尼龙扎带随意绑扎在机柜的两侧。大家关心的重点是每根双绞线的性能测试合格。随着布线水平的提高,布线系统的工程商已经通过施工工艺及层层把关,有把握达到每根线都能够通过性能测试。这时,人们的注意力就转向了美观。根据国标,垂直桥架内的线缆每隔1.5 米应绑扎一次(防止线缆应重量产生拉力造成线缆变形),对水平桥架内并没有要求。而终端面板、机柜、配线架、配线箱按照标准必须做到两底角平行,因此布线系统的美观就主要集中在机房内的线缆部分。机房内的线缆往往会进入机柜配线架或壁挂配线架。在本文中将主要涉及机柜型配线架的理线工艺。在机柜正面,生产厂商已经制造出了各种造型的配线架、跳线管理器等部件,其正面的美观已经不成问题。而机柜后侧的美观,往往不为人们所注意,造成工程完工后不敢让人参观机柜的内部。在机房内,应当做到每根线从进入机房开始,直到配线架的模块为止,都应做到横平竖直不交叉。 并按电子设备排线的要求,做到每个弯角处都有线缆固定,保证线缆在弯角处有一定的转弯半径,同时做到横平竖直。上述要求同样适用于机柜后侧。既然水平双绞线布置成瀑布型已经不再理想,因此对机柜内的水平双绞线就应该进行理线。理线这一名词已经在许多施工人员口中听到,但其含意却各不一样,其原因在于理线的工艺手法不一样。为了做到线缆美观,笔者看到过三类理线工艺:瀑布造型这是一种比较古老的布线造型,有时还能看到其踪影。它采用了“花果山水帘洞 ”的艺术形象, 从配线架的模块上直接将双绞线垂荡下来,分布整齐时有一种很漂亮的层次感(每层24-48 根双绞线)。这种造型的优点是节省理线人工,缺点则比较多, 例如:安装网络设备时容易破坏造型,甚至出现不易将网络设备安装到位的现象;每根双绞线的重量全部变成拉力,作用在模块的后侧。 如果在端接点之前没有对双绞线进行绑扎,那么这一拉力有可能会在数月、数年后将模块与双绞线分离,引起断线故障; 万一在该配线架中某一个模块需要重新端接,那维护人员只能探入 “水帘 ”内进行施工,有时会身披数十根双绞线,而且因双向没有光源,造成端接时看不清。逆向理线逆向理线是在配线架的模块端接完毕后,并通过测试后,再进行理线。其方法是从模块开始向机...

1、当您付费下载文档后,您只拥有了使用权限,并不意味着购买了版权,文档只能用于自身使用,不得用于其他商业用途(如 [转卖]进行直接盈利或[编辑后售卖]进行间接盈利)。
2、本站所有内容均由合作方或网友上传,本站不对文档的完整性、权威性及其观点立场正确性做任何保证或承诺!文档内容仅供研究参考,付费前请自行鉴别。
3、如文档内容存在违规,或者侵犯商业秘密、侵犯著作权等,请点击“违规举报”。

碎片内容

机柜理线详细介绍讲解

确认删除?
VIP
微信客服
  • 扫码咨询
会员Q群
  • 会员专属群点击这里加入QQ群
客服邮箱
回到顶部