电脑桌面
添加小米粒文库到电脑桌面
安装后可以在桌面快捷访问

施工单位安全生产检查记录表2024.6.8VIP免费

施工单位安全生产检查记录表2024.6.8_第1页
1/6
施工单位安全生产检查记录表2024.6.8_第2页
2/6
施工单位安全生产检查记录表2024.6.8_第3页
3/6
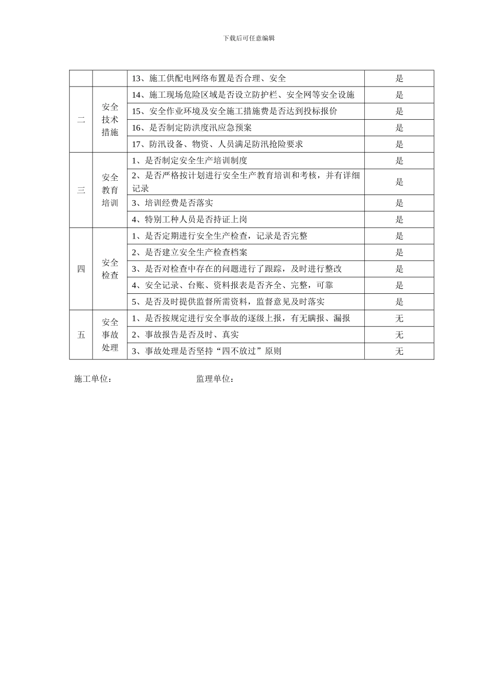
下载后可任意编辑施工单位安全生产检查记录表工程名称: 南水北调中线一期引江济汉工程西荆河枢纽土建及金结、电气设备安装工 程 时 间: 年 月 日序号检查项目检查内容检查结果一制度机构及人员1、安全生产管理组织机构是否健全是2、是否制度了安全生产责任制是3、安全生产管理目标是否明确是4、项目经理是否具备安全生产执业资格是5、是否足额配备专职安全技术人员、岗位职责是否明确是6、是否制定安全管理制度、安全生产操作规程,相关制度是否进行了宣贯、是否已上墙是7、是否制定、执行安全生产例会制度,并且记录完整是8、是否建立安全生产考核体系是9、是否制定针对性和操作性强的事故紧急情况应急预案是10、施工管理及作业人员是否办理意外损害保险是二安全技术措施1、是否严格执行安全生产管理规定和施工前安全技术交底制度,签字手续是否完整是2、专职安全生产管理人员是否具有安全生产合格证是3、施工现场各种标识牌、警示牌是否齐全、醒目是4、是否建立消防安全责任制是5、消防标志是否完整,灭火器材是否配备齐全是6、施工人员安全防护用品是否配备齐全,佩戴法律规范是7、施工设备是否定期进行维护、保养、检测,有无相关检测记录是8、是否建立特种设备管理制度是9、特种设备是否按规定进行注册登记,是否经检验合格,取得安全使用证是10、重大危险源和重大安全隐患是否登记建档,定期进行检测、评估、监控是11、是否建立易燃、易爆材料的采购、运输、保管制度,记录是否齐全是12、是否按规定设置道路交通与安全标志,干扰较大和交叉路口是否有设岗指挥措施是下载后可任意编辑13、施工供配电网络布置是否合理、安全是二安全技术措施14、施工现场危险区域是否设立防护栏、安全网等安全设施是15、安全作业环境及安全施工措施费是否达到投标报价是16、是否制定防洪度汛应急预案是17、防汛设备、物资、人员满足防汛抢险要求是三安全教育培训1、是否制定安全生产培训制度是2、是否严格按计划进行安全生产教育培训和考核,并有详细记录是3、培训经费是否落实是4、特别工种人员是否持证上岗是四安全检查1、是否定期进行安全生产检查,记录是否完整是2、是否建立安全生产检查档案是3、是否对检查中存在的问题进行了跟踪,及时进行整改是4、安全记录、台账、资料报表是否齐全、完整,可靠是5、是否及时提供监督所需资料,监督意见及时落实是五安全事故处理1、是否按规定进行安全事故的逐级上报,有无瞒报、漏报无2、事故报告是否及时、...

1、当您付费下载文档后,您只拥有了使用权限,并不意味着购买了版权,文档只能用于自身使用,不得用于其他商业用途(如 [转卖]进行直接盈利或[编辑后售卖]进行间接盈利)。
2、本站所有内容均由合作方或网友上传,本站不对文档的完整性、权威性及其观点立场正确性做任何保证或承诺!文档内容仅供研究参考,付费前请自行鉴别。
3、如文档内容存在违规,或者侵犯商业秘密、侵犯著作权等,请点击“违规举报”。

碎片内容

施工单位安全生产检查记录表2024.6.8

您可能关注的文档

确认删除?
VIP
微信客服
  • 扫码咨询
会员Q群
  • 会员专属群点击这里加入QQ群
客服邮箱
回到顶部