电脑桌面
添加小米粒文库到电脑桌面
安装后可以在桌面快捷访问

施工手册第三十章电梯安装工程30-2-液压电梯工程VIP免费

施工手册第三十章电梯安装工程30-2-液压电梯工程_第1页
1/18
施工手册第三十章电梯安装工程30-2-液压电梯工程_第2页
2/18
施工手册第三十章电梯安装工程30-2-液压电梯工程_第3页
3/18
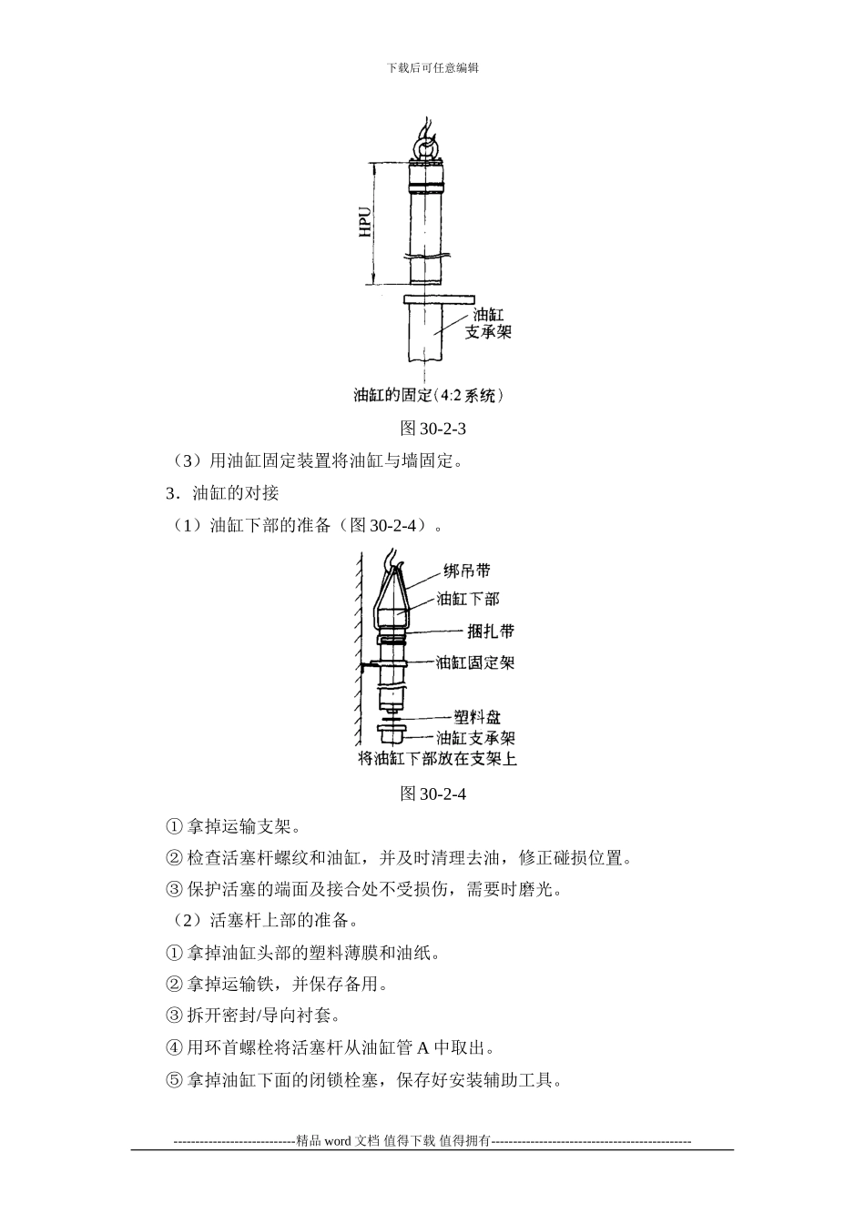
下载后可任意编辑30-2 液压电梯工程30-2-1 井道测量同电梯安装工程 30-1-1 要求。30-2-2 导轨支架和导轨(轿厢导轨、油缸导轨)的安装同电梯安装工程 30-1-2 要求。30-2-3 油缸的安装30-2-3-1 常用工具及机具电锤、铁锤、水平尺、直角尺、钢板尺、盒尺、线坠、墨斗、电焊机、手砂轮、尼龙绳、钢丝绳套、滑轮、电焊工具、扳手、对讲机、撬杠、钢锯、塞尺、倒链(3t 以上)、链式夹钳、精细油石。30-2-3-2 施工条件(1)油缸的安装是在油缸导轨安装调整后进行。(2)保证油缸的密封性,防止异物及尘土落入元件中。特别是油缸头部的油封及塑料包装。30-2-3-3 施工工艺流程油缸支承架(座)和油缸座滑轮安装→吊装油缸→缸对接→调整油缸→安装破裂阀→漏油装置1.油缸支承架(座)和油缸座滑轮安装(1)油缸支承架(座)应符合设计要求。(2)确定油缸中心与油缸支承架(座)中心相一致(图 30-2-1)。----------------------------精品 word 文档 值得下载 值得拥有----------------------------------------------下载后可任意编辑图 30-2-1 油缸支架及油缸中心(3)按油缸中心将支架固定在井道壁上(图 30-2-2)。图 30-2-2 油缸固定架2.吊装油缸(1)应在安装门套之前,将油缸顺入井道内,以防碰伤门套,或由于运输空间小油缸进不了井道。(2)油缸上部安装好安装吊环,以便于吊装(见图 30-2-3),将油缸用倒链吊起,放在支承架上用扎紧皮带或绳子将其与导轨支架相固定,以防止油缸倾倒,找正油缸并且固定。----------------------------精品 word 文档 值得下载 值得拥有----------------------------------------------下载后可任意编辑图 30-2-3(3)用油缸固定装置将油缸与墙固定。3.油缸的对接(1)油缸下部的准备(图 30-2-4)。图 30-2-4① 拿掉运输支架。② 检查活塞杆螺纹和油缸,并及时清理去油,修正碰损位置。③ 保护活塞的端面及接合处不受损伤,需要时磨光。(2)活塞杆上部的准备。① 拿掉油缸头部的塑料薄膜和油纸。② 拿掉运输铁,并保存备用。③ 拆开密封/导向衬套。④ 用环首螺栓将活塞杆从油缸管 A 中取出。⑤ 拿掉油缸下面的闭锁栓塞,保存好安装辅助工具。----------------------------精品 word 文档 值得下载 值得拥有----------------------------------------------下载后可任意编辑(3)拆开活塞杆上部。① 拿掉活塞杆下面的运输支架。② 检查内螺纹,并清理油脂。...

1、当您付费下载文档后,您只拥有了使用权限,并不意味着购买了版权,文档只能用于自身使用,不得用于其他商业用途(如 [转卖]进行直接盈利或[编辑后售卖]进行间接盈利)。
2、本站所有内容均由合作方或网友上传,本站不对文档的完整性、权威性及其观点立场正确性做任何保证或承诺!文档内容仅供研究参考,付费前请自行鉴别。
3、如文档内容存在违规,或者侵犯商业秘密、侵犯著作权等,请点击“违规举报”。

碎片内容

施工手册第三十章电梯安装工程30-2-液压电梯工程

确认删除?
VIP
微信客服
  • 扫码咨询
会员Q群
  • 会员专属群点击这里加入QQ群
客服邮箱
回到顶部