电脑桌面
添加小米粒文库到电脑桌面
安装后可以在桌面快捷访问

施工手册第四章测量部分4-3-单层排架钢架建筑的施工测量VIP专享VIP免费

施工手册第四章测量部分4-3-单层排架钢架建筑的施工测量_第1页
1/28
施工手册第四章测量部分4-3-单层排架钢架建筑的施工测量_第2页
2/28
施工手册第四章测量部分4-3-单层排架钢架建筑的施工测量_第3页
3/28
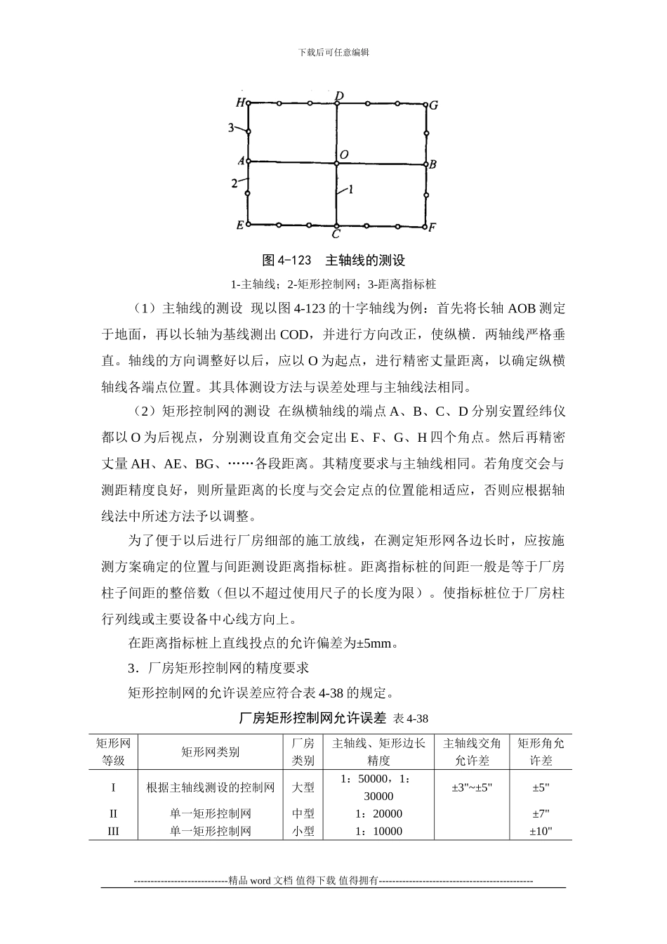
下载后可任意编辑4-3 单层排架钢架建筑的施工测量4-3-1 厂房控制网的建立凡工业厂房或连续生产系统工程,均应建立独立矩形控制网,作为施工放样的依据。厂房控制网分为三级:第一级机械传动性能较高有连续生产设备的大型厂房和焦炉等;第二级是有桥式吊车的生产厂房;第三级是没有桥式吊车的一般厂房。4-3-1-1 厂房控制网的建立方法厂房控制网常用的建立方法,一般有下列两种:1.单一的厂房矩形控制网的测设方法(1)基线(长边线)的测设根据厂区控制网定出一条边长,如图 4-122 中的 A-B,作为基线推出其余三边。图 4-122 矩形控制网图□矩形控制网角桩 ○距离指标桩(2)矩形控制网的测设在基线的两端 A 与 B 测设直角,设置矩形的两条短边,并定出 C、D,最后在 C、D 安置仪器检查角度,并丈量 CD 之边长进行检查。在丈量矩形网各边长时,应同时测出距离指标桩。此种形式的矩形网只适用于一般中小型厂房。2.主轴线组成的矩形控制网的测设方法先根据厂区控制网定出矩形控制网的主轴线,然后根据主轴线测设矩形控制网(图 4-123)。大型厂房或系统工程一般多用这种形式控制网。----------------------------精品 word 文档 值得下载 值得拥有----------------------------------------------下载后可任意编辑图 4-123 主轴线的测设1-主轴线;2-矩形控制网;3-距离指标桩(1)主轴线的测设 现以图 4-123 的十字轴线为例:首先将长轴 AOB 测定于地面,再以长轴为基线测出 COD,并进行方向改正,使纵横.两轴线严格垂直。轴线的方向调整好以后,应以 O 为起点,进行精密丈量距离,以确定纵横轴线各端点位置。其具体测设方法与误差处理与主轴线法相同。(2)矩形控制网的测设 在纵横轴线的端点 A、B、C、D 分别安置经纬仪都以 O 为后视点,分别测设直角交会定出 E、F、G、H 四个角点。然后再精密丈量 AH、AE、BG、……各段距离。其精度要求与主轴线相同。若角度交会与测距精度良好,则所量距离的长度与交会定点的位置能相适应,否则应根据轴线法中所述方法予以调整。为了便于以后进行厂房细部的施工放线,在测定矩形网各边长时,应按施测方案确定的位置与间距测设距离指标桩。距离指标桩的间距一般是等于厂房柱子间距的整倍数(但以不超过使用尺子的长度为限)。使指标桩位于厂房柱行列线或主要设备中心线方向上。在距离指标桩上直线投点的允许偏差为±5mm。3.厂房矩形控制网的精度要求矩形控制网的允许...

1、当您付费下载文档后,您只拥有了使用权限,并不意味着购买了版权,文档只能用于自身使用,不得用于其他商业用途(如 [转卖]进行直接盈利或[编辑后售卖]进行间接盈利)。
2、本站所有内容均由合作方或网友上传,本站不对文档的完整性、权威性及其观点立场正确性做任何保证或承诺!文档内容仅供研究参考,付费前请自行鉴别。
3、如文档内容存在违规,或者侵犯商业秘密、侵犯著作权等,请点击“违规举报”。

碎片内容

施工手册第四章测量部分4-3-单层排架钢架建筑的施工测量

确认删除?
VIP
微信客服
  • 扫码咨询
会员Q群
  • 会员专属群点击这里加入QQ群
客服邮箱
回到顶部