电脑桌面
添加小米粒文库到电脑桌面
安装后可以在桌面快捷访问

津秦客专施工组织设计编制方法6.09VIP免费

津秦客专施工组织设计编制方法6.09_第1页
1/13
津秦客专施工组织设计编制方法6.09_第2页
2/13
津秦客专施工组织设计编制方法6.09_第3页
3/13
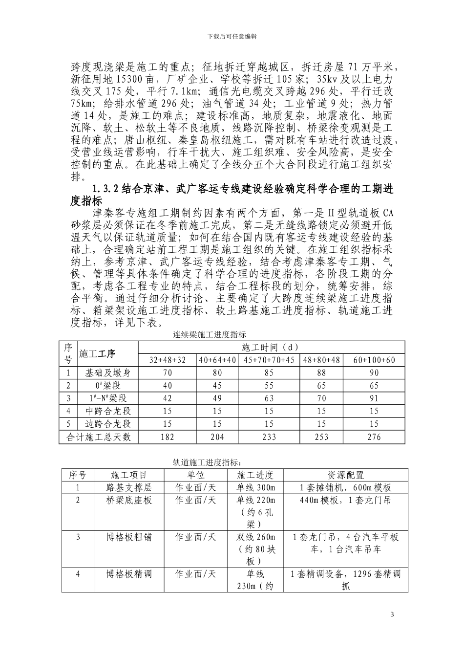
下载后可任意编辑津秦客专指导性施工组织设计编制方法为全面贯彻落实铁道部提出的“六位一体”建设要求,把津秦铁路客运专线建设为世界一流的客运专线,加快环渤海经济圈进展步伐,充分发挥津秦客运专线建成后的运输优势和尽快形成投资效益,根据地方政府提出加快津秦客运专线建设的要求,津秦客专公司在充分领悟设计意图并进行全面现场调查的基础上,结合项目工程特点、地质条件、质量标准,充分吸收京津、武广客运专线建设经验和技术成果,主要领导高度重视亲自上手组织,对原设计的施工组织方案进行了全面优化,组织专家对重大施工方案进行论证,合理确定进度指标,本着高标准、讲科学、实事求是的原则编制了项目指导性施工组织设计(优化),满足了地方政府建设工期提前的要求,实现了在科学论证的基础上,尽快建成、尽快投产、尽快产生效益的客专建设目标。下面我把津秦客专指导性施工组织设计编制要点向各位领导和同志们作一简要汇报。1.施工组织设计概况1.1 工程概况新建天津至秦皇岛铁路客运专线起自天津市,途经河北唐山市,终止于秦皇岛市,共设滨海、滨海北、唐山、滦河、北戴河、秦皇岛6 个车站,设计最高行车速度 350KM/H。正线全长 257KM,基中路基长度 83.54KM,占正线全长 32%;桥梁 50 座/160.369KM,占正线全长62.3%;隧道 14 座/11.101KM,占正线全长 4.3%。主要工程量:路基土石方 2508 万方,制架箱梁 4917 孔,大跨连续梁 50 联,II型无碴轨道板 70000 块,铺轨 590KM,铺设道岔 308 组(其中客专正线高速道岔 70 组),接触网 1000.3KM,牵引变电所 7 座。工程总投资 342亿元,由铁道部、天津市、河北省合资建设。1.2 施工组织方案1.2.1 总体方案总体布署:贯彻六位一体理念 ,积极组织全面开工 ,突破难点高效生产;两年完成线下工程,三年铺轨站后配套,有序调试确保开通。经过对全线工程特点的分析和多种施工组织方案的比较,明确了箱梁制架和钢轨铺设是津秦客专的两条建设主线,确定了征地拆迁和施工图纸供应是影响工程建设的关键因素。主要施工顺序为:征地拆迁——大临建设——桥梁下部、路基施工和预压沉降、梁场建设与预制梁制、运、架设备准备——架梁及桥面系施工——无碴道床施工——铺轨施工——“四电”工程施工——全线联调联试。制架梁、特别结构梁、大型枢纽站场、预压路基、无碴轨道、无碴道岔是控制建设工期的重点工程。全线以征地拆迁、制架梁、无碴轨道、“四电”施工...

1、当您付费下载文档后,您只拥有了使用权限,并不意味着购买了版权,文档只能用于自身使用,不得用于其他商业用途(如 [转卖]进行直接盈利或[编辑后售卖]进行间接盈利)。
2、本站所有内容均由合作方或网友上传,本站不对文档的完整性、权威性及其观点立场正确性做任何保证或承诺!文档内容仅供研究参考,付费前请自行鉴别。
3、如文档内容存在违规,或者侵犯商业秘密、侵犯著作权等,请点击“违规举报”。

碎片内容

津秦客专施工组织设计编制方法6.09

您可能关注的文档

津创媒+ 关注
实名认证
内容提供者

欢迎交流文创,小店资料希望满足您的需要。

确认删除?
VIP
微信客服
  • 扫码咨询
会员Q群
  • 会员专属群点击这里加入QQ群
客服邮箱
回到顶部