电脑桌面
添加小米粒文库到电脑桌面
安装后可以在桌面快捷访问

某公路工程项目安全管理策划方案X50优质版VIP免费

某公路工程项目安全管理策划方案X50优质版_第1页
1/50
某公路工程项目安全管理策划方案X50优质版_第2页
2/50
某公路工程项目安全管理策划方案X50优质版_第3页
3/50
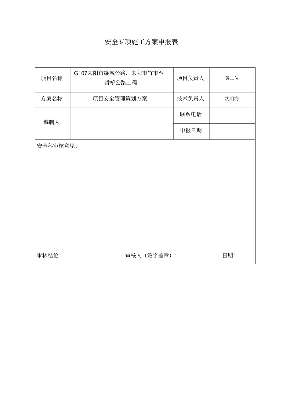
安全专项施工方案申报表项目名称G107耒阳市绕城公路、耒阳市竹市至哲桥公路工程项目负责人黄二位方案名称项目安全管理策划方案技术负责人沈明海编制人联系电话申报日期安全科审核意见:审核结论:审核人(签字盖章):日期:工程管理部审核意见:审核人(签字):日期:主任工程师审批意见:审批结论:批准人(签字盖章):日期:G107 耒阳市绕城公路、耒阳市竹市至哲桥公路工程项目安全管理策划方案编制:审核:批准:安徽水利开发股份有限公司G107 耒阳市绕城公路工程、耒阳市竹市至哲桥公路工程项目经理部二○一七年七月目录一、编制目的 ................................................................................................................................... 1 二、编制依据 ................................................................................................................................... 1 三、工程概况 ................................................................................................................................... 1 四、指导思想 ................................................................................................................................... 4 五、安全管理目标........................................................................................................................... 4 六、项目安全管理总体思想........................................................................................................... 5 6.1 项目部建设 ........................................................................................................................ 5 6.2 预制场建设 ........................................................................................................................ 8 6.3 临时用电管理 .................................................................................................................. 10 6.4 临边安全防护及标志标牌的设置.................................................................................. 11 6.5 项目施工总平面布置图...........................................................

1、当您付费下载文档后,您只拥有了使用权限,并不意味着购买了版权,文档只能用于自身使用,不得用于其他商业用途(如 [转卖]进行直接盈利或[编辑后售卖]进行间接盈利)。
2、本站所有内容均由合作方或网友上传,本站不对文档的完整性、权威性及其观点立场正确性做任何保证或承诺!文档内容仅供研究参考,付费前请自行鉴别。
3、如文档内容存在违规,或者侵犯商业秘密、侵犯著作权等,请点击“违规举报”。

碎片内容

某公路工程项目安全管理策划方案X50优质版

确认删除?
VIP
微信客服
  • 扫码咨询
会员Q群
  • 会员专属群点击这里加入QQ群
客服邮箱
回到顶部