电脑桌面
添加小米粒文库到电脑桌面
安装后可以在桌面快捷访问

烧碱静设备安装施工方案VIP免费

烧碱静设备安装施工方案_第1页
1/15
烧碱静设备安装施工方案_第2页
2/15
烧碱静设备安装施工方案_第3页
3/15
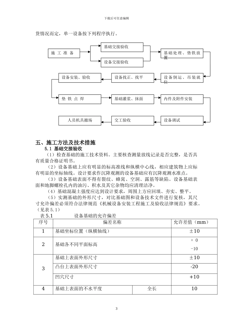
1下载后可任意编辑目 录一、编制说明2二、编制依据2三、工程概况2四、施工程序3五、施工方法及技术措施35.1 基础交接验收35.2 设备交接验收55.3 基础处理、垫铁放置55.4 地脚螺栓的安装65.5 设备倒运及吊装65.6 设备的找平和找正75.7 设备安装验收75.8 垫铁点焊75.9 基础灌浆及抹面75.10 内件及附件安装85.11 设备实验8六、质量保证措施及保证体系10七、安全文明技术措施11八、劳动力准备12九、主要施工机具、检测工具及手段用料计划12十、相关技术资料132下载后可任意编辑一、编制说明为了及时开展安装前的各项准备工作,使安装工作有序开展,特编制此方案。本方案适用于金川集团股份有限公司 40 万吨/年离子膜烧碱(二期)项目一次盐水精制工序的设备安装。二、编制依据2.1 施工图纸及合同文件2.2 《石油化工设备安装工程质量检验评定标准》SH3514-20012.3 《石油化工静设备安装工程施工质量验收法律规范》GB 50461-2024 2.4 《机械设备安装工程施工及验收法律规范》GB50231—2024 2.5 设备的安装说明及技术文件三、工程概况该工程为金川集团股份有限公司 40 万吨/年离子膜烧碱(二期)项目一次盐水精制工序静设备安装工程,由各类型的化工设备组成,设备之间通过工艺管道连接等方式形成一个复杂的系统。静设备明细见下表:设备位号设备名称支撑类型代号安装重量01R0104a/b文丘理混合器POS~20001R0105a~h气水混合器~23801R01063#折流槽POS~226101R0107a/b后反应槽POS4988001F0101a~f膜过滤器POS600001V0112a/b加压容器灌POS~702001V0113a/b空气缓冲灌POS~31001V0120a/b过滤精盐水槽POS~10000001V0122ab进液缓冲槽POS696301SP0102abc盐泥自引灌POS~90001V0108三氯化铁贮槽POS443701V0109亚硫酸钠溶解槽POS01V0106亚硫酸钠贮槽POS453001V0114碳酸钠尾气洗涤槽POS92801V0115ab碳酸钠贮槽POS1020501V0111NaCLO 高位槽POS01V0110NaOH 高位槽POS01R0103前方应槽POS01R01022#折流槽POS01E0101化盐水加热器POS四、施工程序设备整体安装程序根据设备外形尺寸和重量,结合现场实际空间和设备到3下载后可任意编辑货情况而定,单一设备按下列程序执行。五、施工方法及技术措施5.1 基础交接验收 (1)检查基础的施工技术资料。主要核查测量放线记录是否完整,是否具有质量合格证明书。 (2)设备基础上应有明显的标高准线和纵横中心线,相应建筑物上应标有明显的坐标轴线。设计要求作沉降观测的设备基础应有沉降观测...

1、当您付费下载文档后,您只拥有了使用权限,并不意味着购买了版权,文档只能用于自身使用,不得用于其他商业用途(如 [转卖]进行直接盈利或[编辑后售卖]进行间接盈利)。
2、本站所有内容均由合作方或网友上传,本站不对文档的完整性、权威性及其观点立场正确性做任何保证或承诺!文档内容仅供研究参考,付费前请自行鉴别。
3、如文档内容存在违规,或者侵犯商业秘密、侵犯著作权等,请点击“违规举报”。

碎片内容

烧碱静设备安装施工方案

您可能关注的文档

确认删除?
VIP
微信客服
  • 扫码咨询
会员Q群
  • 会员专属群点击这里加入QQ群
客服邮箱
回到顶部