电脑桌面
添加小米粒文库到电脑桌面
安装后可以在桌面快捷访问

2017年IATF16949过程绩效指标VIP免费

2017年IATF16949过程绩效指标_第1页
1/58
2017年IATF16949过程绩效指标_第2页
2/58
2017年IATF16949过程绩效指标_第3页
3/58
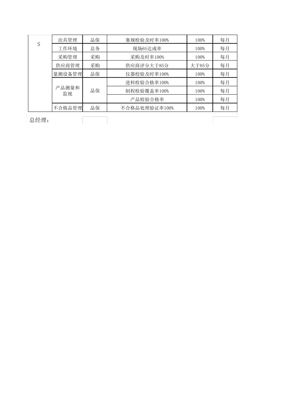
过程类别过程名称责任部门绩效指标指标统计频率业务合同订单评审及时完成率100%每月业务销售计划完成率80%每年品保过程正确策划开发达成率100%每月业务新品交付准时率100%每月设计绘图及时率100%每月设计绘图正确率100%每月设计ERP正确率100%每月生管生产计划达成率100%每月总务工伤发生数0每月生产生产过程中的废品率小于1%每月品保产品检验合格率100%每月业务超额运费0每月品保出货检验合格率(汽车类)100%每月业务产品交付准时率100%每月品保客诉及时处理率100%每月业务对顾客的中断次数0每月业务零公里退货率≦300PPM每月业务客戶覆盖率100%每年业务顾客满意度85每年质量方针、目标管理代表质量目标达成率100%每月职责与权限人事岗位说明书100%每年管理评审管理代表管理评审完成率100%每年品保内部审核完成率100%每年品保过程审核完成率100%每年品保产品审核完成率100%每年员工满意度测量人事员工满意度平均份大于85分大于85分每年持续改善品保持续改进完成率100%每年文件管理品保文件受控率100%100%每月记录管理品保记录受控率100%100%每月培训达成率100%100%每月员工离职率小于10%每月生产设备管理生产生产设备当机率小于3%每月基础设施管理生产基础设备故障停机率小于2%每月人事业务管理过程设计与开发产品生产过程产品交付顾客反馈内部审核人力资源管理COPMP治具管理品保塞规检验及时率100%100%每月工作环境总务现场6S达成率100%每月采购管理采购采购及时率100%100%每月供应商管理采购供应商评分大于85分大于85分每月量测设备管理品保仪器校验及时率100%100%每月进料检验合格率100%100%每月制程检验覆盖率100%100%每月产品检验合格率100%每月不合格品管理品保不合格品处理验证率100%100%每月总经理:品保SP产品测量和监视考核方法1月2月3月4月5月查合同订单当年销售额/当年销售计划正确提交PPAP/计划提交PPAP新品准时交付数/计划交付数及时绘图数/申请绘图数正确图纸笔数/总绘图笔数正确ERP笔数/总ERP笔数完成数/计划数每月工伤发生数生产过程中不良品数/加硫总数入库检验合格率100%按实际发生查出货检验单准时交付产品数/计划交付产品数及时处理数/计划处理数按实际发生零公里退货数量/退货产品生产月份发货总数×1000000实际调查客戶數/总客户数客户满意度调查记录目标达成数/目标总数岗位说明书完成数/所有岗位完成数/计划数完成数/计划数完成数/计划数完成数/计划数员工满意度调查报告持续改善完成数/计划完成数(所抽文件总數-失效...

1、当您付费下载文档后,您只拥有了使用权限,并不意味着购买了版权,文档只能用于自身使用,不得用于其他商业用途(如 [转卖]进行直接盈利或[编辑后售卖]进行间接盈利)。
2、本站所有内容均由合作方或网友上传,本站不对文档的完整性、权威性及其观点立场正确性做任何保证或承诺!文档内容仅供研究参考,付费前请自行鉴别。
3、如文档内容存在违规,或者侵犯商业秘密、侵犯著作权等,请点击“违规举报”。

碎片内容

2017年IATF16949过程绩效指标

确认删除?
VIP
微信客服
  • 扫码咨询
会员Q群
  • 会员专属群点击这里加入QQ群
客服邮箱
回到顶部