电脑桌面
添加小米粒文库到电脑桌面
安装后可以在桌面快捷访问

某机械厂课程设计VIP免费

某机械厂课程设计_第1页
1/22
某机械厂课程设计_第2页
2/22
某机械厂课程设计_第3页
3/22
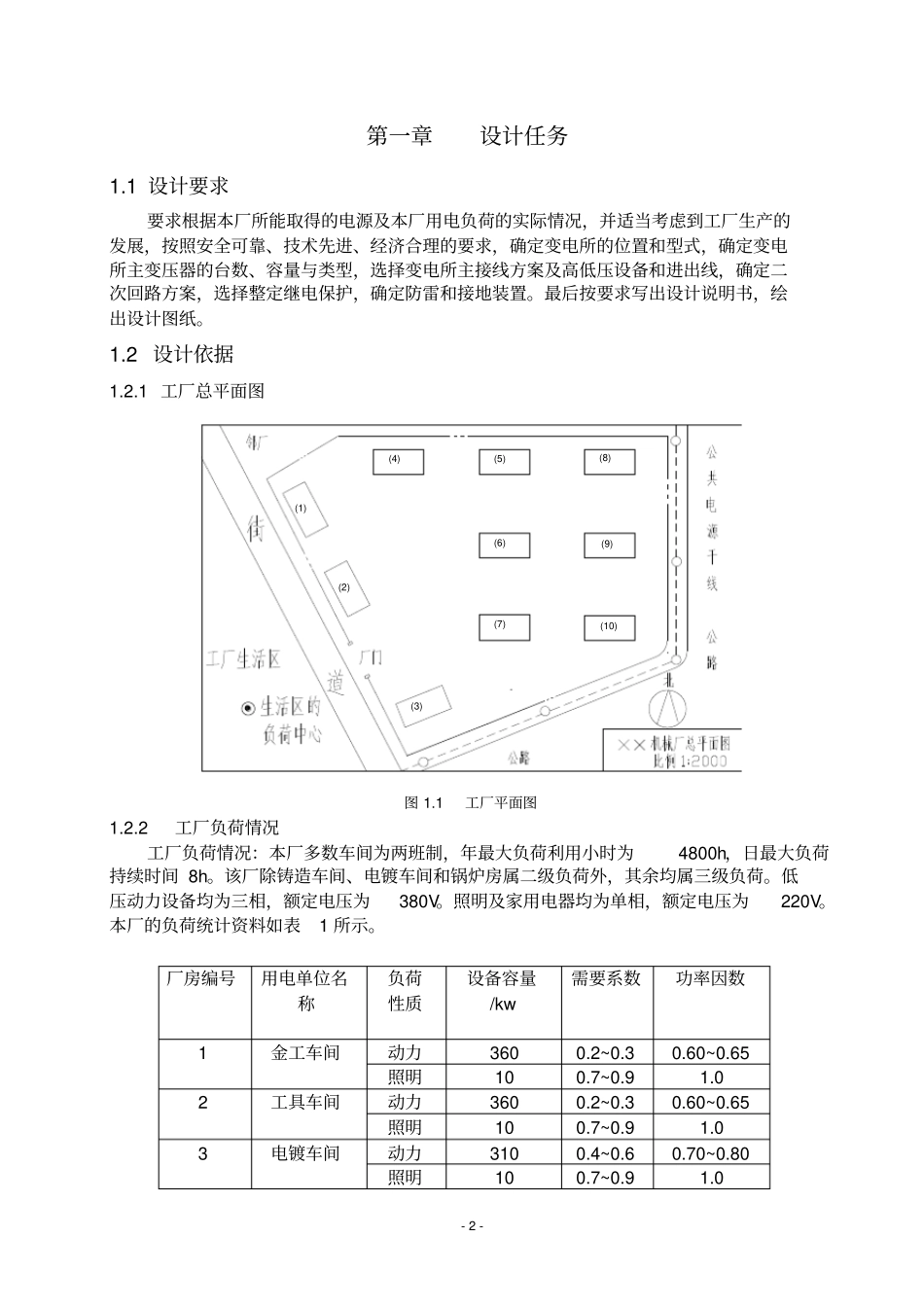
课程:某机械厂供配电设计学号: xxx 姓名: xxx 班级: xxx 院系: xxx 指导老师: xxx- 1 - 目录第一章设计任务第二章负荷计算和无功功率补偿第三章变电所位置与型式的选择第四章变电所主变压器及主接线方案的选择第五章短路电流的计算第六章变电所一次设备的选择校验第七章变压所进出线与邻近单位联络线的选择第八章变电所二次回路方案的选择与继电保护的整定第九章降压变电所防雷与接地装置的设计参考文献- 2 - 第一章设计任务1.1 设计要求要求根据本厂所能取得的电源及本厂用电负荷的实际情况,并适当考虑到工厂生产的发展,按照安全可靠、技术先进、经济合理的要求,确定变电所的位置和型式,确定变电所主变压器的台数、容量与类型,选择变电所主接线方案及高低压设备和进出线,确定二次回路方案,选择整定继电保护,确定防雷和接地装置。最后按要求写出设计说明书,绘出设计图纸。1.2 设计依据1.2.1 工厂总平面图(4)(5)(6)(7)(10)(9)(8)(1)(2)(3)图 1.1 工厂平面图1.2.2 工厂负荷情况工厂负荷情况:本厂多数车间为两班制,年最大负荷利用小时为4800h,日最大负荷持续时间 8h。该厂除铸造车间、电镀车间和锅炉房属二级负荷外,其余均属三级负荷。低压动力设备均为三相,额定电压为380V。照明及家用电器均为单相,额定电压为220V。本厂的负荷统计资料如表1 所示。厂房编号用电单位名称负荷性质设备容量/kw 需要系数功率因数1 金工车间动力360 0.2~0.3 0.60~0.65 照明10 0.7~0.9 1.0 2 工具车间动力360 0.2~0.3 0.60~0.65 照明10 0.7~0.9 1.0 3 电镀车间动力310 0.4~0.6 0.70~0.80 照明10 0.7~0.9 1.0 - 3 - 1.2.3 供电电源情况按照工厂与当地供电部门签订的供用电协议规定,本厂可由附近一条10Kv 的公用电源线取得工作电源。 该干线的走向参看工厂总平面图。该干线的导线牌号为LGJ-185, 导线为等边三角形排列,线距为1.2m;电力系统馈电变电站距本厂6km,该干线首端所装高压断路器的断流容量为500MV.A,此断路器配备有定时限过电流保护和电流速断保护,其定时限过电流保护整定的动作时间为1.5S。为满足工厂二级负荷的要求, 可采用高压或低压联络线由邻近的单位取得备用电源。1.2.4 气象资料本厂所在地区(泰山区)的年最高气温为40℃,年平均气温为20℃年,年最低气温为-22.7 ℃,年最热月平均最高气温为31.5 ℃,年最热月平均气温为26.3 ℃,年最热月地下0.8 米处平均温度 28.7...

1、当您付费下载文档后,您只拥有了使用权限,并不意味着购买了版权,文档只能用于自身使用,不得用于其他商业用途(如 [转卖]进行直接盈利或[编辑后售卖]进行间接盈利)。
2、本站所有内容均由合作方或网友上传,本站不对文档的完整性、权威性及其观点立场正确性做任何保证或承诺!文档内容仅供研究参考,付费前请自行鉴别。
3、如文档内容存在违规,或者侵犯商业秘密、侵犯著作权等,请点击“违规举报”。

碎片内容

某机械厂课程设计

确认删除?
VIP
微信客服
  • 扫码咨询
会员Q群
  • 会员专属群点击这里加入QQ群
客服邮箱
回到顶部