电脑桌面
添加小米粒文库到电脑桌面
安装后可以在桌面快捷访问

桑塔纳发电机与调节器的检修VIP免费

桑塔纳发电机与调节器的检修_第1页
1/8
桑塔纳发电机与调节器的检修_第2页
2/8
桑塔纳发电机与调节器的检修_第3页
3/8
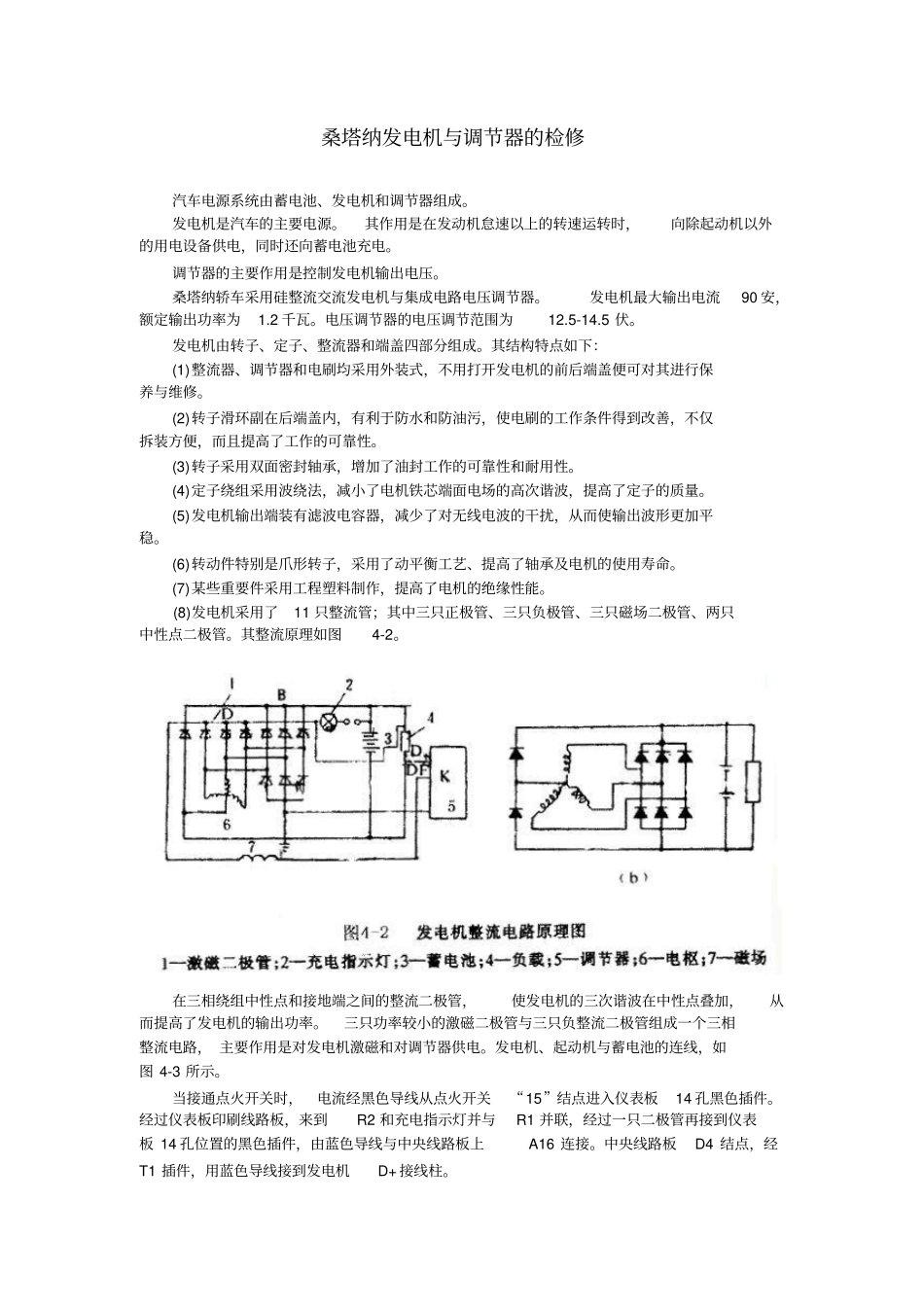
桑塔纳发电机与调节器的检修汽车电源系统由蓄电池、发电机和调节器组成。发电机是汽车的主要电源。其作用是在发动机怠速以上的转速运转时,向除起动机以外的用电设备供电,同时还向蓄电池充电。调节器的主要作用是控制发电机输出电压。桑塔纳轿车采用硅整流交流发电机与集成电路电压调节器。发电机最大输出电流90 安,额定输出功率为1.2 千瓦。电压调节器的电压调节范围为12.5-14.5 伏。发电机由转子、定子、整流器和端盖四部分组成。其结构特点如下:(1)整流器、调节器和电刷均采用外装式,不用打开发电机的前后端盖便可对其进行保养与维修。(2)转子滑环副在后端盖内,有利于防水和防油污,使电刷的工作条件得到改善,不仅拆装方便,而且提高了工作的可靠性。(3)转子采用双面密封轴承,增加了油封工作的可靠性和耐用性。(4)定子绕组采用波绕法,减小了电机铁芯端面电场的高次谐波,提高了定子的质量。(5)发电机输出端装有滤波电容器,减少了对无线电波的干扰,从而使输出波形更加平稳。(6)转动件特别是爪形转子,采用了动平衡工艺、提高了轴承及电机的使用寿命。(7)某些重要件采用工程塑料制作,提高了电机的绝缘性能。(8)发电机采用了11 只整流管;其中三只正极管、三只负极管、三只磁场二极管、两只中性点二极管。其整流原理如图4-2。在三相绕组中性点和接地端之间的整流二极管,使发电机的三次谐波在中性点叠加,从而提高了发电机的输出功率。三只功率较小的激磁二极管与三只负整流二极管组成一个三相整流电路, 主要作用是对发电机激磁和对调节器供电。发电机、起动机与蓄电池的连线,如图 4-3 所示。当接通点火开关时,电流经黑色导线从点火开关“15”结点进入仪表板14 孔黑色插件。经过仪表板印刷线路板,来到R2 和充电指示灯并与R1 并联,经过一只二极管再接到仪表板 14 孔位置的黑色插件,由蓝色导线与中央线路板上A16 连接。中央线路板D4 结点,经T1 插件,用蓝色导线接到发电机D+ 接线柱。发电机输出B+接线柱,由红色导线接到起动机“30”接线柱。在此再用黑色导线接到蓄电池正 (+)极。(9)采用集成电路电压调节器,并和发电机电刷架连成一体,从而提高了工作的可靠性。(10)冷却风扇采用了不等分结构,可降低高速运转时的噪音。一、发电机的拆卸与分解发电机在不同发动机上的固定方式略有不同。1.8 升发动机上发电机支架为齿条式,其安装与调整如图4-4 所示。 1.6 升发动机上发电机的固定方法如图4-5 所示。发电机...

1、当您付费下载文档后,您只拥有了使用权限,并不意味着购买了版权,文档只能用于自身使用,不得用于其他商业用途(如 [转卖]进行直接盈利或[编辑后售卖]进行间接盈利)。
2、本站所有内容均由合作方或网友上传,本站不对文档的完整性、权威性及其观点立场正确性做任何保证或承诺!文档内容仅供研究参考,付费前请自行鉴别。
3、如文档内容存在违规,或者侵犯商业秘密、侵犯著作权等,请点击“违规举报”。

碎片内容

桑塔纳发电机与调节器的检修

您可能关注的文档

确认删除?
VIP
微信客服
  • 扫码咨询
会员Q群
  • 会员专属群点击这里加入QQ群
客服邮箱
回到顶部