电脑桌面
添加小米粒文库到电脑桌面
安装后可以在桌面快捷访问

landsat8波段组合VIP免费

landsat8波段组合_第1页
1/7
landsat8波段组合_第2页
2/7
landsat8波段组合_第3页
3/7
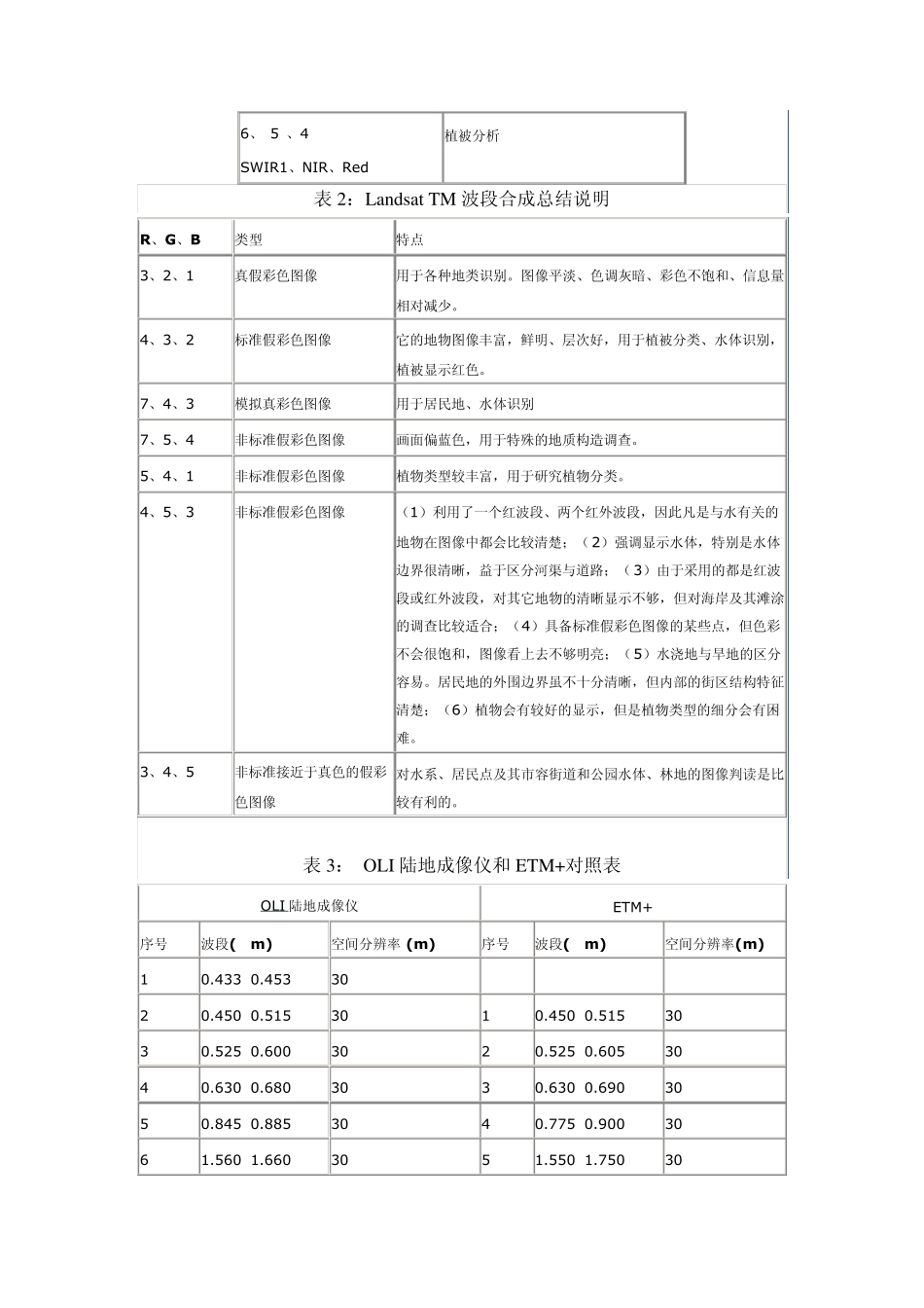
Landsat TM (ETM+)7 个波段可以组合很多 RGB 方案用于不同地物的解译,Landsat8 的 OLI 陆地成像仪包括 9 个波段,可以组合更多的 RGB 方案。 OLI 包括了 ETM+传感器所有的波段,为了避免大气吸收特征,OLI 对波段进行了重新调整,比较大的调整是 OLI Band5(0.845–0.885 μm),排除了 0.825μm 处水汽吸收特征;OLI 全色波段 Band8 波段范围较窄,这种方式可以在全色图像上更好区分植被和无植被特征;此外,还有两个新增的波段:蓝色波段 (band 1; 0.433–0.453 μm) 主要应用海岸带观测,短波红外波段(band 9; 1.360–1.390 μm) 包括水汽强吸收特征可用于云检测;近红外 band5 和短波红外 band9 与 MODIS对应的波段接近,详情参考表 3。 如表 1 是国外公布的 OLI 波段合成的简单说明。表 2 是前人在长期工作中总结的 Landsat TM(ETM+)不同波段合成对地物增强的效果。对比表 3,可以将表 1 和表 2 的组合方案结合使用。 表 1:OLI 波段合成 R、G、B 主要用途 4 、3 、2 Red、Green、Blu e 自然真彩色 7、 6 、4 SWIR2、SWIR1、Red 城市 5、 4 、3 NIR、Red、Green 标准假彩色图像,植被 6 、5 、2 SWIR1、NIR、Blu e 农业 7 、6、 5 SWIR2、SWIR1、NIR 穿透大气层 5、 6、 2 NIR、SWIR1、Blu e 健康植被 5 、6、 4 NIR、SWIR1、Red 陆地/水 7、 5 、3 SWIR2、NIR、Green 移除大气影响的自然表面 7 、5 、4 SWIR2、NIR、Red 短波红外 6、 5 、4 SWIR1、NIR、Red 植被分析 表 2:Landsat TM 波段合成总结说明 R、G、B 类型 特点 3、2、1 真假彩色图像 用于各种地类识别。图像平淡、色调灰暗、彩色不饱和、信息量相对减少。 4、3、2 标准假彩色图像 它的地物图像丰富,鲜明、层次好,用于植被分类、水体识别,植被显示红色。 7、4、3 模拟真彩色图像 用于居民地、水体识别 7、5、4 非标准假彩色图像 画面偏蓝色,用于特殊的地质构造调查。 5、4、1 非标准假彩色图像 植物类型较丰富,用于研究植物分类。 4、5、3 非标准假彩色图像 (1)利用了一个红波段、两个红外波段,因此凡是与水有关的地物在图像中都会比较清楚;(2)强调显示水体,特别是水体边界很清晰,益于区分河渠与道路;( 3)由于采用的都是红波段或红外波段,对其它地物的清晰显示不够,但对海岸及其滩涂的调查比较适合;(4)具备...

1、当您付费下载文档后,您只拥有了使用权限,并不意味着购买了版权,文档只能用于自身使用,不得用于其他商业用途(如 [转卖]进行直接盈利或[编辑后售卖]进行间接盈利)。
2、本站所有内容均由合作方或网友上传,本站不对文档的完整性、权威性及其观点立场正确性做任何保证或承诺!文档内容仅供研究参考,付费前请自行鉴别。
3、如文档内容存在违规,或者侵犯商业秘密、侵犯著作权等,请点击“违规举报”。

碎片内容

landsat8波段组合

确认删除?
VIP
微信客服
  • 扫码咨询
会员Q群
  • 会员专属群点击这里加入QQ群
客服邮箱
回到顶部