电脑桌面
添加小米粒文库到电脑桌面
安装后可以在桌面快捷访问

LM741原理及应用电路VIP免费

LM741原理及应用电路_第1页
1/8
LM741原理及应用电路_第2页
2/8
LM741原理及应用电路_第3页
3/8
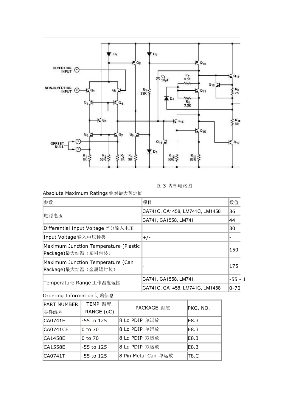
CA1458,CA1558(双运放);CA741C,CA741,LM741(单运放)是高增益运算放大器,用于军事,工业和商业应用.这类单片硅集成电路器件提供输出短路保护和闭锁自由运作。这些类型还具有广泛的共同模式,差模信号范围和低失调电压调零能力与使用适当的电位。10kΩ电位器是用于抵消调零类型 CA741C,CA741(见图 4 ) 类型 CA1458,CA1558 没有具体的终端抵消调零。每一类运放包括一个差分输入放大器有效驱动增益和发射极跟随互补输出。 技术数据类型与相应的台湾 CA 品牌同类型。 图 1 CA741C,CA741,LM741 封装管脚图 图 2 CA1458,CA1558 ,LM1458 封装引脚功能图 上图为金属罐形封装 下图为 DIP塑封 CA741,CA741C,LM741,LM741C 芯片引脚和工作说明: 1 和5 为偏置(调零端),2 为正向输入端,3 为反向输入端,4 接地,6 为输出,7 接电源,8空脚 CA1458, CA1558, LM1458:芯片引脚和工作说明 1 输出端 A 2 反向输入端 A 3 正向输入端 A 4 接地 5 正向输入端 B 6 反向输入端 B 7 输出端 B 8 电源+ 图3 内部电路图 Absolute Maximum Ratings 绝对最大额定值 参数 项目 数值 电源电压 CA741C, CA1458, LM 741C, LM 1458 36 CA741, CA1558, LM 741 44 Differential Input Voltage 差分输入电压 30 Input Voltage 输入电压种类 +/- - Maximum Junction Temperature (Plastic Package)最大结温(塑料包装) - 150 Maximum Junction Temperature (Can Package)最大结温(金属罐封装) - 175 Temperature Range 工作温度范围 CA741, CA1558, LM 741 -55 - 1CA741C, CA1458, LM 741C, LM 1458 0-70 Ordering Information 订购信息 PART NUMBER零件编号 TEMP 温度. RANGE (oC) PACKAGE 封装 PKG. NO. CA0741E -55 to 125 8 Ld PDIP 单运放 E8.3 CA0741CE 0 to 70 8 Ld PDIP 单运放 E8.3 CA1458E 0 to 70 8 Ld PDIP 双运放 E8.3 CA1558E -55 to 125 8 Ld PDIP 双运放 E8.3 CA0741T -55 to 125 8 Pin Metal Can 单运放 T8.C CA0741CT 0 to 70 8 Pin Metal Can 单运放 T8.C CA1558T -55 to 125 8 Pin Metal Can 双运放 T8.C LM741N -55 to 125 8 Ld PDIP 单运放 E8.3 LM741CN 0 to 70 8 Ld PDIP 单运放 E8.3 LM1458N 0 to 70 8...

1、当您付费下载文档后,您只拥有了使用权限,并不意味着购买了版权,文档只能用于自身使用,不得用于其他商业用途(如 [转卖]进行直接盈利或[编辑后售卖]进行间接盈利)。
2、本站所有内容均由合作方或网友上传,本站不对文档的完整性、权威性及其观点立场正确性做任何保证或承诺!文档内容仅供研究参考,付费前请自行鉴别。
3、如文档内容存在违规,或者侵犯商业秘密、侵犯著作权等,请点击“违规举报”。

碎片内容

LM741原理及应用电路

确认删除?
VIP
微信客服
  • 扫码咨询
会员Q群
  • 会员专属群点击这里加入QQ群
客服邮箱
回到顶部