电脑桌面
添加小米粒文库到电脑桌面
安装后可以在桌面快捷访问

梯形钢屋架课程设计重点讲义资料VIP免费

梯形钢屋架课程设计重点讲义资料_第1页
1/33
梯形钢屋架课程设计重点讲义资料_第2页
2/33
梯形钢屋架课程设计重点讲义资料_第3页
3/33
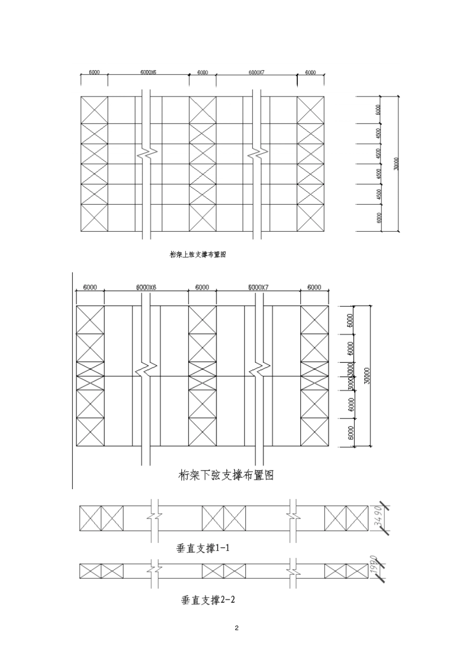
1 梯形钢屋架课程设计一、设计资料(1) 题号 80,屋面坡度 1:16,跨度 30m,长度 96m,柱距 6m,地点:哈尔滨,基本风压: 0.45kN/m2 ,基本雪压: 0.45 kN/m2(2) 采用 1.5m×6m 预应力混凝土大型屋面板,80mm 厚泡沫混凝土保护层,卷材屋面,屋面坡度 i=1/16。屋面活荷载标准值0.7kPa,雪荷载标准值为0.45 kN/m2 ,积灰荷载标准值为0.6 kN/m2 。(3) 混凝土采用 C20,,钢筋采用 Q235B 级,焊条采用 E43 型。(4) 屋架计算跨度: l 0 =30m-2×0.15m=29.7m (5) 跨中及端部高度:采用无檩体系屋盖方案,缓坡梯形屋架。取屋架在 29.7m 轴线处的高度mh972.10取屋架在 30m 轴线处的端部高度mh963.10屋架的中间高度milhh900.227.29161972.12/00屋架跨中起拱按500/0l考虑,取 60mm。二、结构形式与布置屋架形式及几何尺寸如下图:梯形钢屋架支撑布置如下图:2 3 1、荷载计算屋面荷载与雪荷载不会同时出现,计算时取较大值进行计算,故取屋面活荷载0.7 kN/m2 进行计算。屋架沿水平投影面积分布的自重(包括支撑)按经验公式2(0.120.011 )/kgl kNm计算,跨度单位为米( m)。荷载计算表如下:荷载名称标准值( kN/m2 )设计值( kN/m2 )预应力混凝土大型屋面板1.4 1.4 ×1.35=1.89 三毡四油防水层0.4 0.4 ×1.35=0.54 找平层 ( 厚 20mm) 0.2 ×20=0.4 0.4 ×1.35=0.54 80 厚泡沫混凝土保护层0.08 ×6=0.48 0.48 ×1.35=0.648 屋架和支撑自重0.12+0.011 ×030=0.45 0.45 ×1.35=0.608 管道荷载0.1 0.1 ×1.35=0.135 永久荷载总和3.23 4.361 屋面活荷载0.7 0.7 ×1.4=0.98 积灰荷载0.6 0.6 ×1.4=0.84 可变荷载总和0.3 1.82 设计屋架时,应考虑以下三种荷载组合(1) 全跨永久荷载 +全跨可变荷载:kNF629.5565.1)82.1361.4((2) 全跨永久荷载 +半跨可变荷载全跨节点永久荷载:kNF249.3965.1361.41半跨节点可变荷载:kNF38.1665.182.12(3)全跨屋架(包括支撑)自重+半跨屋面板自重 +半跨屋面活荷载全跨节点屋架自重:kNF47.565.1608.03半跨接点屋面板自重及活荷载:kNF83.2565.1)98.089.1(4(1)、(2)为使用节点荷载情况, (3)为施工阶段荷载情况。4 4、内力计算屋架在上述三种荷载组合作用下的计算简图如下: 5 由数解法解得 F=1 时的屋架各杆件的内力系数(F=1 作用于全跨 左半跨和右半跨 ).然后进行组合 ,如下表 : 杆件名称内力系数 ...

1、当您付费下载文档后,您只拥有了使用权限,并不意味着购买了版权,文档只能用于自身使用,不得用于其他商业用途(如 [转卖]进行直接盈利或[编辑后售卖]进行间接盈利)。
2、本站所有内容均由合作方或网友上传,本站不对文档的完整性、权威性及其观点立场正确性做任何保证或承诺!文档内容仅供研究参考,付费前请自行鉴别。
3、如文档内容存在违规,或者侵犯商业秘密、侵犯著作权等,请点击“违规举报”。

碎片内容

梯形钢屋架课程设计重点讲义资料

确认删除?
VIP
微信客服
  • 扫码咨询
会员Q群
  • 会员专属群点击这里加入QQ群
客服邮箱
回到顶部